电脑桌面
添加小米粒文库到电脑桌面
安装后可以在桌面快捷访问

技术交底防水混凝土施工VIP免费

技术交底防水混凝土施工_第1页
1/4
技术交底防水混凝土施工_第2页
2/4
技术交底防水混凝土施工_第3页
3/4
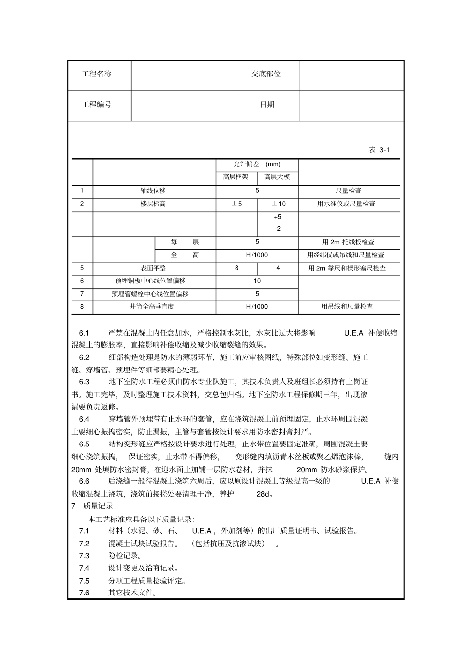
工程名称交底部位工程编号日期交底内容:防水混凝土施工1 范围本工艺标准适用于一般民用及工业建筑的地下室防水,推荐刚性防水做法;UEA补偿收缩混凝土刚性防水施工工艺。2 施工准备 2.1材料及主要机具: 2.1.1水泥:采用425 号硅酸盐水泥、普通硅酸盐水泥,或矿渣硅酸盐水泥,严禁使用过期、受潮、变质的水泥。 2.1.2砂:宜用中砂,含泥量不得大于3%。 2.1.3石:宜用卵石,最大粒径不宜大于40mm,含泥量不大于1%,吸水率不大于1.5%。 2.1.4水:饮用水或天然洁净水。 2.1.5U.E.A 膨胀剂:其性能应符合行业标准《混凝土膨胀剂》(JC476— 92),其掺量应符合设计要求及有关的规定,与其它外加剂混合使用时,应经试验试配后使用。 2.1.6主要机具:混凝土搅拌机、翻斗车、手推车、振捣器、溜槽、串桶、铁板、铁锹、吊斗,计算器具磅秤等。 2.2作业条件: 2.2.1钢筋、模板上道工序完成,办理隐检、预检手续。注意检查固定模板的铁丝、螺栓是否穿过混凝土墙,如必须穿过时, 应采取止水措施。 特别是管道或预埋件穿过处是否已做好防水处理。木模板提前浇水湿润,并将落在模板内的杂物清理干净。 2.2.2根据施工方案,做好技术交底。 2.2.3材料需经检验,由试验室试配提出混凝土配合比,试配的抗渗等级应按设计要求提高 0.2MPa。 2.2.4如地下水位高,地下防水工程施工期间继续做好降水,排水。3 操作工艺 3.1工艺流程作业准备→混凝土搅拌→运输→混凝土浇筑→养护3.2混凝土搅拌:搅拌投料顺序:石子→砂→水泥→U.E.A 膨胀剂→水。投料先干拌0.5~1min 再加水。水分三次加入,加水后搅拌1~2min(比普通混凝土搅拌时间延长 0.5min)。混凝土搅拌前必须严格按试验室配合比通知单操作,不得擅自修改。散装水泥、砂、石车车过磅,在雨季,砂必须每天测定含水率,调整用水量。现场搅拌坍落度控制 6~8cm,泵送商品混凝土坍落度控制14~16cm。 3.3运输:混凝土运输供应保持连续均衡,间隔不应超过1.5h,夏季或运距较远可适当掺入缓凝剂,一般掺入2.5‰~ 3‰木钙为宜。运输后如出现离析,浇筑前进行二次拌合。 3.4混凝土浇筑:应连续浇筑,宜不留或少留施工缝。 3.4.1底板一般按设计要求不留施工缝或留在后浇带上。 3.4.2墙体水平施工缝留在高出底板表面不少于200mm 的墙体上,墙体如有孔洞,工程名称交底部位工程编号日期施工缝距孔洞边缘不宜少于300mm,施工缝形式宜用凸缝(墙厚大于30cm)或阶梯缝、平直缝加金属止水片(...

1、当您付费下载文档后,您只拥有了使用权限,并不意味着购买了版权,文档只能用于自身使用,不得用于其他商业用途(如 [转卖]进行直接盈利或[编辑后售卖]进行间接盈利)。
2、本站所有内容均由合作方或网友上传,本站不对文档的完整性、权威性及其观点立场正确性做任何保证或承诺!文档内容仅供研究参考,付费前请自行鉴别。
3、如文档内容存在违规,或者侵犯商业秘密、侵犯著作权等,请点击“违规举报”。

碎片内容

技术交底防水混凝土施工

确认删除?
VIP
微信客服
  • 扫码咨询
会员Q群
  • 会员专属群点击这里加入QQ群
客服邮箱
回到顶部