电脑桌面
添加小米粒文库到电脑桌面
安装后可以在桌面快捷访问

技术规范及相关要求VIP免费

技术规范及相关要求_第1页
1/9
技术规范及相关要求_第2页
2/9
技术规范及相关要求_第3页
3/9
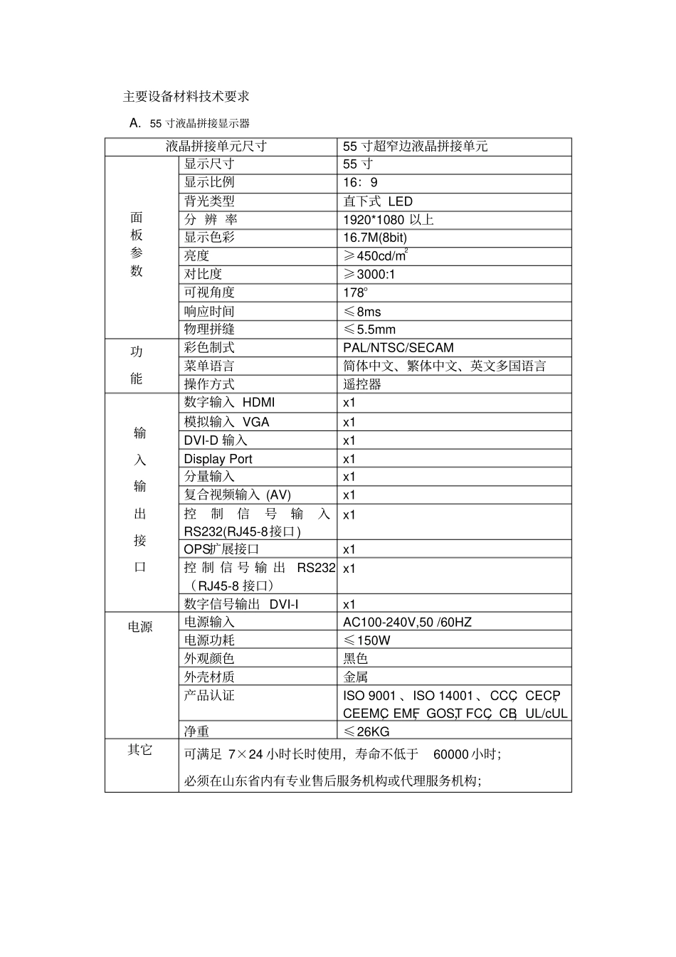
技术规范及相关要求液晶拼接屏(含电视墙)系统概述在气象台指挥中心设置一块液晶拼接显示屏,液晶显示电视墙主体采用2*3共6块超窄边液晶显示器,配备拼接处理器等设备组成信号控制系统。配置的液晶数字显示墙系统主要用来高清晰显示视频监控信号、本地DVI信号。液晶数字显示墙系统,具有先进性、稳定可靠性、响应速度快、可扩展性、可管理性、 操作方便性和易于维护性, 具有很强的系统容错性和齐全的信息显示功能。1) 根据实际应用需求,要求液晶拼接单元拼接缝隙不大于5.5 毫米,投标产品必须为 国际知名品牌(推荐品牌:整机飞利浦)。2) 显示器为全球同步产品,必须具有全球规格的安全及能效认证:ISO 9001、ISO 14001、CCC,CECP,CE EMC,EMF,GOST,FCC,CB,UL/cUL。3) 根据实际应用需求,要求显示器必须为三年免费 质保。4) 根据实际应用需求, 投标产品必须能满足7*24 小时连续稳定、 可靠运行的工业级显示器(面板为工业等级) ;5) 显示器需要具有厂家自带的自动校色系统,不需要人工参与自动对显示器进行色彩属性一致性校准,保证显示器在长时间使用方式为固定/ 滚动文字、图片信息显示时,屏幕不会出现严重色差、色变和故障;6) 显示器需要具有厂家自带的框架补偿功能。7) 显示器内置拼接功能,要求不外接处理器的情况下能够支持不低于10x10 块显示器显示一幅完整的图画;8) 投标产品具有智能调节功耗功能,能需要时降低30%以上功耗;9) 显示面积≥ 46 英寸(对角线尺寸);10) 显示器需内置风扇 , 具备智能散热系统,并且可以根据环境温度高低依靠温感自动调节风扇的开关及转速;11) 显示器必须采用工业级显示器,满足7*24 小时使用环境,显示色彩≥1677 万色;12) 显示器具有DisplayPort,DVI-D,HDMI,VGA,复合视频 (BNC),分量等输入接口, OPS扩展接口,同时具有DVI 输出接口;也需要具有RJ-45接口以及 RS232输入和输出接口,可通过RS232或者 RJ45对显示器进行远程控制和管理设备启动/ 关闭、宽度变换和对比度、亮度、色彩调整等;13) 显示器内置 OPS标准扩展接口,可以通过OPS接口扩展出包括3G-SDI在内的各种专用接口, 并可在不外接任何线缆及增加机身厚度的情况下内置 OPS电脑;14) 显示器应支持水平、垂直两种显示方式15) 显示器支持日程管理系统,每台显示器都至少支持7 个事件定时设置,包括 USB、DVI、HDMI、DisplayPort 、网络浏览器等所有信号源选择;16) 显示器支持...

1、当您付费下载文档后,您只拥有了使用权限,并不意味着购买了版权,文档只能用于自身使用,不得用于其他商业用途(如 [转卖]进行直接盈利或[编辑后售卖]进行间接盈利)。
2、本站所有内容均由合作方或网友上传,本站不对文档的完整性、权威性及其观点立场正确性做任何保证或承诺!文档内容仅供研究参考,付费前请自行鉴别。
3、如文档内容存在违规,或者侵犯商业秘密、侵犯著作权等,请点击“违规举报”。

碎片内容

技术规范及相关要求

文库响当当+ 关注
实名认证
内容提供者

该用户很懒,什么也没介绍

确认删除?
VIP
微信客服
  • 扫码咨询
会员Q群
  • 会员专属群点击这里加入QQ群
客服邮箱
回到顶部