电脑桌面
添加小米粒文库到电脑桌面
安装后可以在桌面快捷访问

基坑支护土方开挖专项施工方案VIP免费

基坑支护土方开挖专项施工方案_第1页
1/33
基坑支护土方开挖专项施工方案_第2页
2/33
基坑支护土方开挖专项施工方案_第3页
3/33
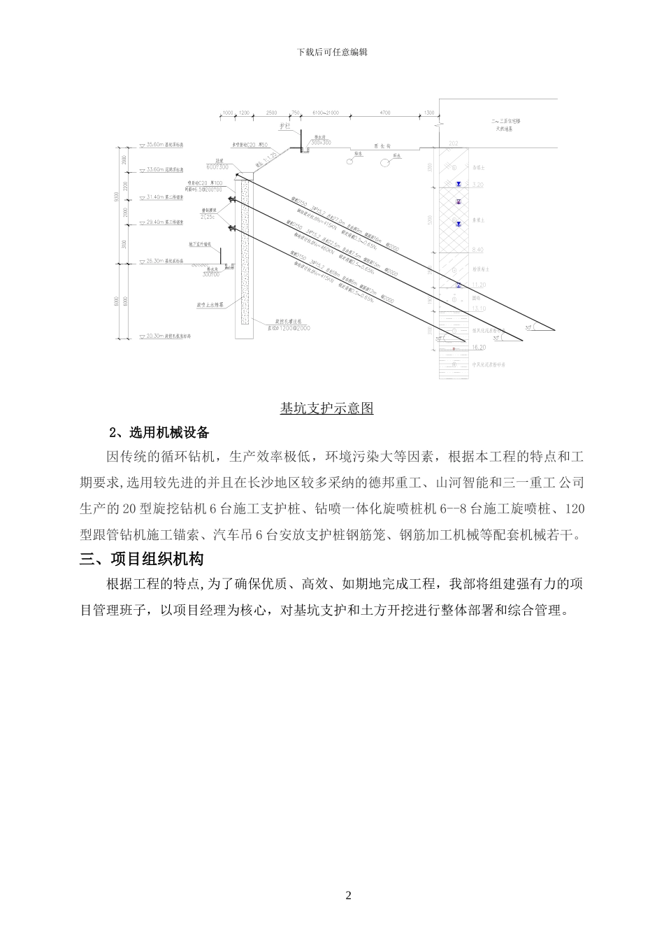
下载后可任意编辑基坑支护土方开挖专项施工方案一、工程概况及编制依据1、项目概况本项目分为 A、B、C、D 四个区,长沙 广场的地块总用地面积约 15.83 万平方米,其中规划用地面积约 12.18 万平方米,总建筑面积约 100.5 万平方米,其中地上建筑面积 80 万平方米,二层地下室建筑面积 20.5 万平方米。由商业综合体、酒店、室外商业街、公寓、住宅及底层商铺组成。2、编制依据(1)工程地质勘察报告;(2)工程设计图纸;(3)建筑地基基础设计法律规范(GB50007-2024);(4)建筑基坑支护技术规程(JGJ120-99);(5)建筑基坑支护工程技术规程(DBJ/T15-20-97);(6)建筑深基坑支护技术法律规范(SJG05-96);二、支护说明1、采纳的支护形式根据支护设计方案,采纳旋挖桩结合预应力锚索的复合支护体系。止水帷幕用二根直径 600mm 的旋喷桩施工在旋挖桩之间,联合形成止水帷幕。基坑内壁挂钢筋网片浇喷射砼加埋排水疏导管相接合的止水方式。支护旋挖桩:直径 1200,桩长约 15.5 m、17.2 m 和 18.7m 三种,嵌固端长 6.5/6.0 米。1下载后可任意编辑基坑支护示意图2、选用机械设备因传统的循环钻机,生产效率极低,环境污染大等因素,根据本工程的特点和工期要求,选用较先进的并且在长沙地区较多采纳的德邦重工、山河智能和三一重工 公司生产的 20 型旋挖钻机 6 台施工支护桩、钻喷一体化旋喷桩机 6--8 台施工旋喷桩、120型跟管钻机施工锚索、汽车吊 6 台安放支护桩钢筋笼、钢筋加工机械等配套机械若干。三、项目组织机构根据工程的特点, 为了确保优质、高效、如期地完成工程,我部将组建强有力的项目管理班子,以项目经理为核心,对基坑支护和土方开挖进行整体部署和综合管理。2下载后可任意编辑 项目组织机构图四、施工部署和进度1、支护施工总体工序图 3前期土方挖运支护桩施工、场地平整旋挖桩施工止水帷幕(旋喷桩)施工放边坡、护坡冠梁处锚索施工分层开挖土方钢筋挂网、喷射砼施工排水沟施工防护栏施工槽钢腰梁施工重复上面 4 步施工锚索施工冠梁施工下载后可任意编辑2、基本部署根据现场实际业主移交场地条件和支护设计方案,决定先施工 B 区,再施工 A 区,最后施工 C、D 区,支护施工的总长度约为 2100 米,约 1050 个旋挖支护桩,2100 个止水帷幕桩(旋喷桩)。五、旋挖钻孔桩的施工工艺(一)旋挖桩施工特点1、成孔速度快、质量高目前我国的公路、铁路、桥梁和大型的建筑物的基础桩施工绝大...

1、当您付费下载文档后,您只拥有了使用权限,并不意味着购买了版权,文档只能用于自身使用,不得用于其他商业用途(如 [转卖]进行直接盈利或[编辑后售卖]进行间接盈利)。
2、本站所有内容均由合作方或网友上传,本站不对文档的完整性、权威性及其观点立场正确性做任何保证或承诺!文档内容仅供研究参考,付费前请自行鉴别。
3、如文档内容存在违规,或者侵犯商业秘密、侵犯著作权等,请点击“违规举报”。

碎片内容

基坑支护土方开挖专项施工方案

您可能关注的文档

确认删除?
VIP
微信客服
  • 扫码咨询
会员Q群
  • 会员专属群点击这里加入QQ群
客服邮箱
回到顶部