电脑桌面
添加小米粒文库到电脑桌面
安装后可以在桌面快捷访问

复合式衬砌防水施工工艺标准2.3VIP免费

复合式衬砌防水施工工艺标准2.3_第1页
1/6
复合式衬砌防水施工工艺标准2.3_第2页
2/6
复合式衬砌防水施工工艺标准2.3_第3页
3/6
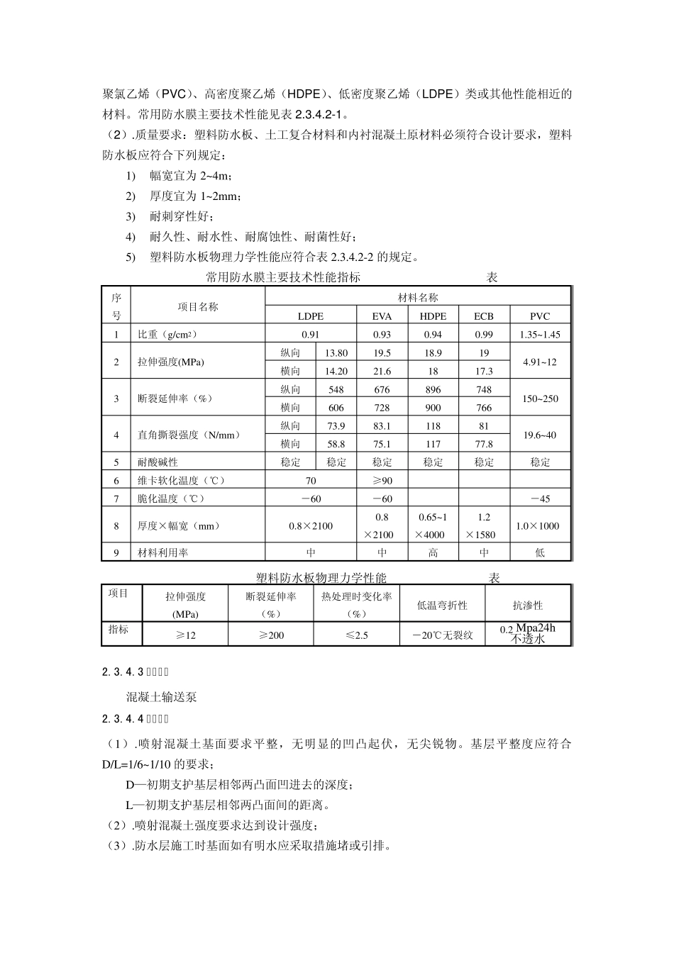
2.3 复合式衬砌防水施工工艺标准 2.3.1 总则 2.3.1.1 适用范围 本标准适用于采用在混凝土初期支护与二次衬砌中间设置防水层和缓冲排水层的复合式衬砌隧道工程的防水施工。 2.3.1.2 编制参考标准及规范 (1)《地下防水工程质量验收规范》GB50208- 2002 (2)《地下工程防水技术规范》GB50108-2001 (3)《建筑工程施工质量验收统一标准》GB50300-2001 2.3.2 术语、符号 2.3.2.1 术语 (1)初期支护:用矿山法进行暗挖施工后,在岩体上喷射混凝土或浇筑防水混凝土所构成的第一次衬砌。 2.3.3 基本规定 2.3.3.1 地下工程的防水等级分为 4 级,各级标准应符合 GB50208-2002《地下防水工程质量验收规范》3.0.1 条的规定。 2.3.3.2 地下工程的防水设防要求,应按 GB50208-2002《地下防水工程质量验收规范》表 3.0.2-2 的规定选用。 2.3.3.3 复合式衬砌防水工程施工前,施工单位应进行图纸会审,并编制防水工程的施工方案。 2.3.3.4 塑料板防水层必须由相应资质的专业防水队伍进行施工。 2.3.3.5 防水层所用塑料板及配套材料必须符合现行国家产品标准和设计要求;不合格的材料不得在工程中使用。 2.3.4 施工准备 2.3.4.1 技术准备 (1).施工单位应认真学习图纸,并进行图纸自审、会审工作,以便正确理解复合式衬砌防水工程施工要点。 (2).依据工程总施工组织设计的原则,编制防水工程施工方案,明确工艺流程,指导施工。 2.3.4 材料准备 (1).品种规格:可供选择的缓冲层材料有两种,一种是无纺布(土工布),另一种是聚乙烯泡沫塑料;防水层材料可选用乙烯—醋酸乙烯共聚物(EVA)、乙烯—共聚物沥青(ECB)、聚氯乙烯(PVC)、高密度聚乙烯(HDPE)、低密度聚乙烯(LDPE)类或其他性能相近的材料。常用防水膜主要技术性能见表2.3.4.2-1。 (2).质量要求:塑料防水板、土工复合材料和内衬混凝土原材料必须符合设计要求,塑料防水板应符合下列规定: 1) 幅宽宜为2~4m; 2) 厚度宜为1~2mm; 3) 耐刺穿性好; 4) 耐久性、耐水性、耐腐蚀性、耐菌性好; 5) 塑料防水板物理力学性能应符合表2.3.4.2-2 的规定。 常用防水膜主要技术性能指标 表2.3.4.2-1 序号 项目名称 材料名称 LDPE EVA HDPE ECB PVC 1 比重(g/cm2) 0.91 0.93 0.94 0.99 1.35~1.45 2 拉伸强度(MPa) 纵向 13.80 19.5 18.9 19 4.91~12 横向 14.20 21.6 18 17.3 3 断裂延伸率(%) 纵向 548 ...

1、当您付费下载文档后,您只拥有了使用权限,并不意味着购买了版权,文档只能用于自身使用,不得用于其他商业用途(如 [转卖]进行直接盈利或[编辑后售卖]进行间接盈利)。
2、本站所有内容均由合作方或网友上传,本站不对文档的完整性、权威性及其观点立场正确性做任何保证或承诺!文档内容仅供研究参考,付费前请自行鉴别。
3、如文档内容存在违规,或者侵犯商业秘密、侵犯著作权等,请点击“违规举报”。

碎片内容

复合式衬砌防水施工工艺标准2.3

确认删除?
VIP
微信客服
  • 扫码咨询
会员Q群
  • 会员专属群点击这里加入QQ群
客服邮箱
回到顶部