电脑桌面
添加小米粒文库到电脑桌面
安装后可以在桌面快捷访问

政给排水管道工程检验批质量验收记录表VIP免费

政给排水管道工程检验批质量验收记录表_第1页
1/27
政给排水管道工程检验批质量验收记录表_第2页
2/27
政给排水管道工程检验批质量验收记录表_第3页
3/27
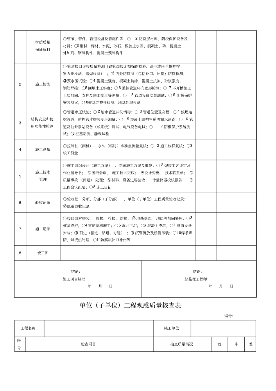
单位(子单位)工程质量竣工验收记录编号:工程名称类型工程造价施工单位技术负责人开工日期项目经理项目技术负责人竣工日期序号项目验收记录验收结论1 分部工程共分部,经查分部符合标准及设计要求分部2 质量控制资料核查共项,经审查符合要求项,经核定符合规范规定项3 安全和主要使用功能核查及抽查结果共核查项,符合要求项,共抽查项,符合要求项,经返工处理符合要求项4 观感质量检验共抽查项,符合要求项,不符合要求项5 综合验收结论参加验收单位建设单位设计单位施工单位监理单位(公章)项目负责人年月日(公章)项目负责人年月日(公章)项目负责人年月日(公章)项目负责人年月日单位(子单位)工程质量控制资料核查表编号:工程名称施工单位序号资料名称份数核查意见1 材质质量保证资料○1 管节、管件、管道设备及管配件等;○2 防腐层材料、阴极保护设备及材料;○3 钢材、焊材、水泥、砂石、橡胶止水圈、混凝土、砖、混凝土外加剂、钢制构件、混凝土预制构件2 施工检测○1 管道接口连接质量检测(钢管焊接无损探伤检验、法兰或压兰螺栓拧紧力矩检测、熔焊检验) ;○2 内外防腐层(包括补口、补伤)防腐检测;○3 预水压试验;○4 混凝土强度、混凝土抗渗、混凝土抗冻、砂浆强度、钢筋焊接;○5 回填土压实度;○ 6 柔性管道环向变形检测;○ 7 不开槽施工土层加固、支护及施工变形等测量;○8 管道设备安装测试;○ 9 阴极保护安装测试;○10桩基完整性检测、地基处理检测3 结构安全和使用功能性检测○1 管道水压试验;○ 2 给水管道冲洗消毒;○ 3 管道位置及高程;○ 4 浅埋暗挖管道、盾构管片拼装变形测量;○5 混凝土结构管道渗漏水调查;○6 管道及抽升泵站设备(或系统)调试、电气设备电试;○7 阴极保护系统测试;○8 桩基动测、静载试验4 施工测量○1 控制桩(副桩) 、永久(临时)水准点测量复核;○ 2 施工放样复核;○3竣工测量5 施工技术管理○1 施工组织设计(施工方案) 、专题施工方案及批复;○ 2 焊接工艺评定及作业指导书; ○3 图纸会审、 施工技术交底; ○4 设计变更、 技术联系单; ○5质量事故 (问题) 处理; ○6 材料、设备进场验收;计量仪器校核报告;○7工程会议纪要;○8 施工日记6 验收记录○1 验收批、分项、分部(子分部)、单位(子单位)工程质量验收记录;○2 隐蔽验收记录7 施工记录○1 接口组对拼装、 焊接、 拴接、 ...

1、当您付费下载文档后,您只拥有了使用权限,并不意味着购买了版权,文档只能用于自身使用,不得用于其他商业用途(如 [转卖]进行直接盈利或[编辑后售卖]进行间接盈利)。
2、本站所有内容均由合作方或网友上传,本站不对文档的完整性、权威性及其观点立场正确性做任何保证或承诺!文档内容仅供研究参考,付费前请自行鉴别。
3、如文档内容存在违规,或者侵犯商业秘密、侵犯著作权等,请点击“违规举报”。

碎片内容

政给排水管道工程检验批质量验收记录表

您可能关注的文档

文库响当当+ 关注
实名认证
内容提供者

该用户很懒,什么也没介绍

确认删除?
VIP
微信客服
  • 扫码咨询
会员Q群
  • 会员专属群点击这里加入QQ群
客服邮箱
回到顶部