电脑桌面
添加小米粒文库到电脑桌面
安装后可以在桌面快捷访问

安全生产检查表.VIP免费

安全生产检查表._第1页
1/3
安全生产检查表._第2页
2/3
安全生产检查表._第3页
3/3
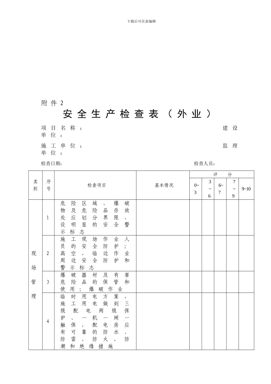
下载后可任意编辑附 件 2安 全 生 产 检 查 表 ( 外 业 )项 目 名 称 : 建 设单 位 :施 工 单 位 : 监 理单 位 :检查日期: 检查人员:类别序号检查项目基本情况评 分0~33~66~77~99~10现场管理1危险区域、爆破物及危险品存放处应划分界限、设明显的安全警示 标 志2施工现场作业人员的安全防护;高空、临边作业周边安全防护和警 示 标 志3爆破器材及有害危险品的保管和使 用 ; 爆 破 作 业4临时用电方案,施工用电做到三级配电两级保护、一机一闸一触保,配电房应有可靠的防水、防雷、防火、防潮 和 绝 缘 措 施下载后可任意编辑现场施工5基坑和围堰支撑,其结构必须坚 固 牢 靠6沉井采纳人工挖掘 下 沉 安 全 防 护7人工挖孔和钻孔桩 安 全 防 护8支架应具有足够的强度、刚度和安全度,须经验算;安装及拆除的方法及程序,应符合有关安全规 定9交叉作业安全防护;跨线桥施工时,应设置防护设施,并设岗哨监 视 管 理10水上作业救生器材 设 施11隧道洞口安全管理12隧道初期支护、二 次 衬 砌13隧道通风、照明、防尘设施,消 防 器 材14有瓦斯的隧道安全 防 范 措 施15有不良地质情况时,必要时应进行超前钻孔,探明情况,实行预防措施;有瓦斯的隧道,必须设专 职 瓦 斯 检 查 员总 分下载后可任意编辑

1、当您付费下载文档后,您只拥有了使用权限,并不意味着购买了版权,文档只能用于自身使用,不得用于其他商业用途(如 [转卖]进行直接盈利或[编辑后售卖]进行间接盈利)。
2、本站所有内容均由合作方或网友上传,本站不对文档的完整性、权威性及其观点立场正确性做任何保证或承诺!文档内容仅供研究参考,付费前请自行鉴别。
3、如文档内容存在违规,或者侵犯商业秘密、侵犯著作权等,请点击“违规举报”。

碎片内容

安全生产检查表.

雏圣文化+ 关注
实名认证
内容提供者

欢迎光临,大量办公文档供您挑选。

确认删除?
VIP
微信客服
  • 扫码咨询
会员Q群
  • 会员专属群点击这里加入QQ群
客服邮箱
回到顶部