电脑桌面
添加小米粒文库到电脑桌面
安装后可以在桌面快捷访问

实体检测委托合同全套VIP免费

实体检测委托合同全套_第1页
1/5
实体检测委托合同全套_第2页
2/5
实体检测委托合同全套_第3页
3/5
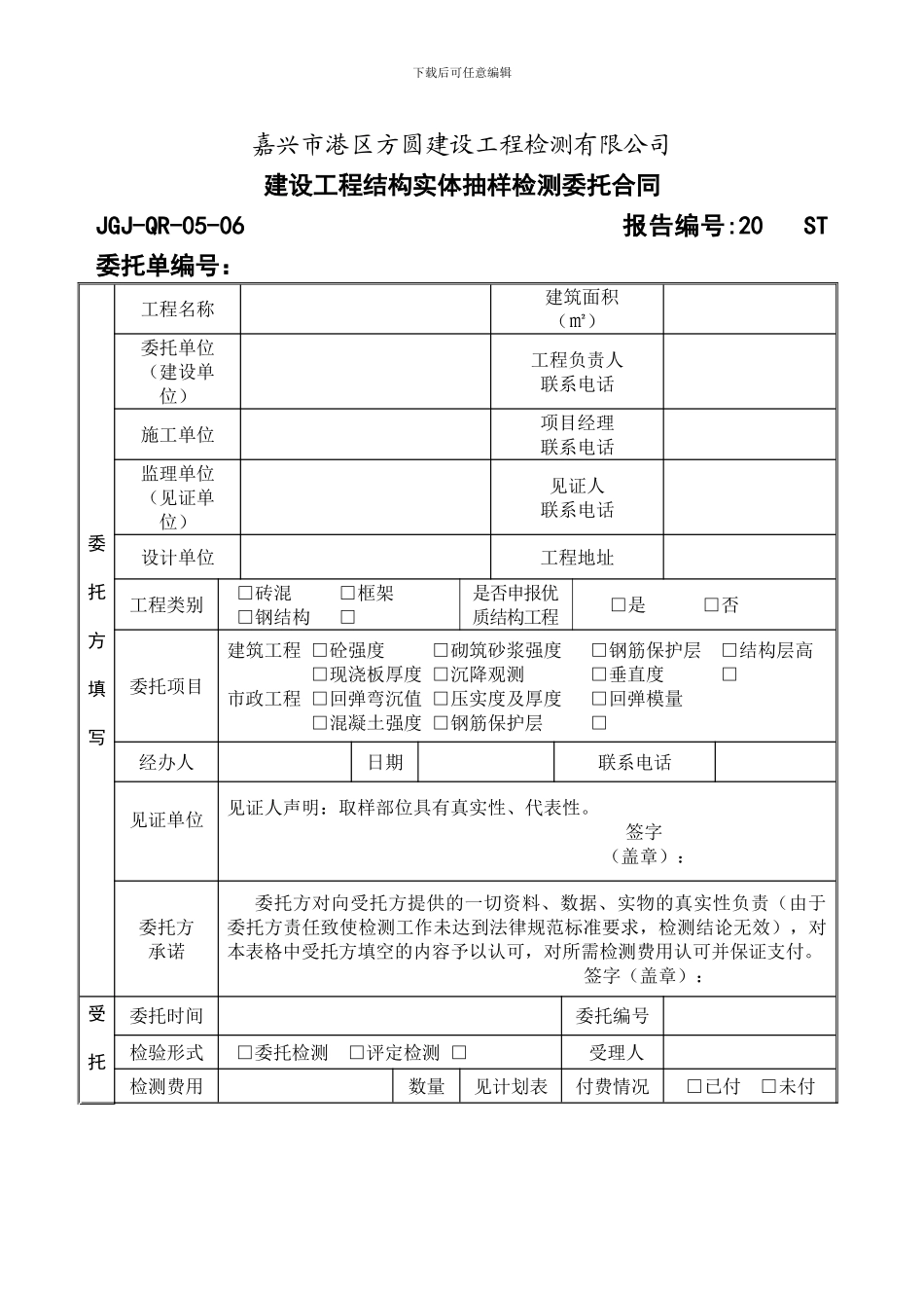
下载后可任意编辑嘉兴市港区方圆建设工程检测有限公司建设工程结构实体抽样检测委托合同JGJ-QR-05-06 报告编号:20 ST 委托单编号: 委 托 方 填 写工程名称 建筑面积(㎡) 委托单位(建设单位) 工程负责人联系电话 施工单位 项目经理联系电话 监理单位(见证单位) 见证人联系电话 设计单位工程地址工程类别□砖混 □框架□钢结构 □是否申报优质结构工程□是 □否委托项目建筑工程 □砼强度 □砌筑砂浆强度 □钢筋保护层 □结构层高 □现浇板厚度 □沉降观测 □垂直度 □市政工程 □回弹弯沉值 □压实度及厚度 □回弹模量 □混凝土强度 □钢筋保护层 □经办人 日期 联系电话 见证单位 见证人声明:取样部位具有真实性、代表性。 签字 (盖章):委托方承诺委托方对向受托方提供的一切资料、数据、实物的真实性负责(由于委托方责任致使检测工作未达到法律规范标准要求,检测结论无效),对本表格中受托方填空的内容予以认可,对所需检测费用认可并保证支付。 签字(盖章):受 托 委托时间 委托编号 检验形式□委托检测 □评定检测 □受理人 检测费用 数量见计划表付费情况□已付 □未付下载后可任意编辑方 填受托方承诺受托方保证:严格执行法律法规;严格遵守本实验室检测工作制度,正确执行标准等技术法律规范,确保检测结果的公正、科学、准确;对客户的技术、资料和数据严格保密,维护客户利益。 (盖章):注:本委托单需经业主或监理见证,方可办理,如需留存请自行复印。地址:平湖市乍浦镇雅山东路二院东 500 米 电话:0573-85525510 传真-85525944嘉兴市建设工程结构实体质量抽样检验须知一、实体抽样检测项目1、建筑工程:混凝土强度;现浇板厚度;钢筋保护层厚度;砌筑砂浆强度;建(构)筑物沉降观测、建筑物垂直度(高层)2、市政工程:道路路基强度、面层强度及厚度;桥梁混凝土强度。二、实体抽样检测费用收费标准建筑工程市政工程检测项目单价(元)检测项目单价(元)混凝土回弹10/测区回弹弯沉30/点混凝土取芯250/芯回弹模量160/点砂浆贯入度15/点压实度及厚度200/组现浇板厚度20/点混凝土回弹10/测区钢筋保护层厚度15/点混凝土取芯250/芯沉降观测60/(次.点) 建筑物垂直度100/(次.点) 三、实体抽样检测准备工作1、实体抽样检验应在工程开工前填写《嘉兴市建设工程结构实体质量抽样检测委托合同》,经委托单位和监理单位签章后送至具备资质且经备案的检测机构...

1、当您付费下载文档后,您只拥有了使用权限,并不意味着购买了版权,文档只能用于自身使用,不得用于其他商业用途(如 [转卖]进行直接盈利或[编辑后售卖]进行间接盈利)。
2、本站所有内容均由合作方或网友上传,本站不对文档的完整性、权威性及其观点立场正确性做任何保证或承诺!文档内容仅供研究参考,付费前请自行鉴别。
3、如文档内容存在违规,或者侵犯商业秘密、侵犯著作权等,请点击“违规举报”。

碎片内容

实体检测委托合同全套

您可能关注的文档

确认删除?
VIP
微信客服
  • 扫码咨询
会员Q群
  • 会员专属群点击这里加入QQ群
客服邮箱
回到顶部