电脑桌面
添加小米粒文库到电脑桌面
安装后可以在桌面快捷访问

10MW_20MWh储能项目技术方案VIP免费

10MW_20MWh储能项目技术方案_第1页
1/46
10MW_20MWh储能项目技术方案_第2页
2/46
10MW_20MWh储能项目技术方案_第3页
3/46
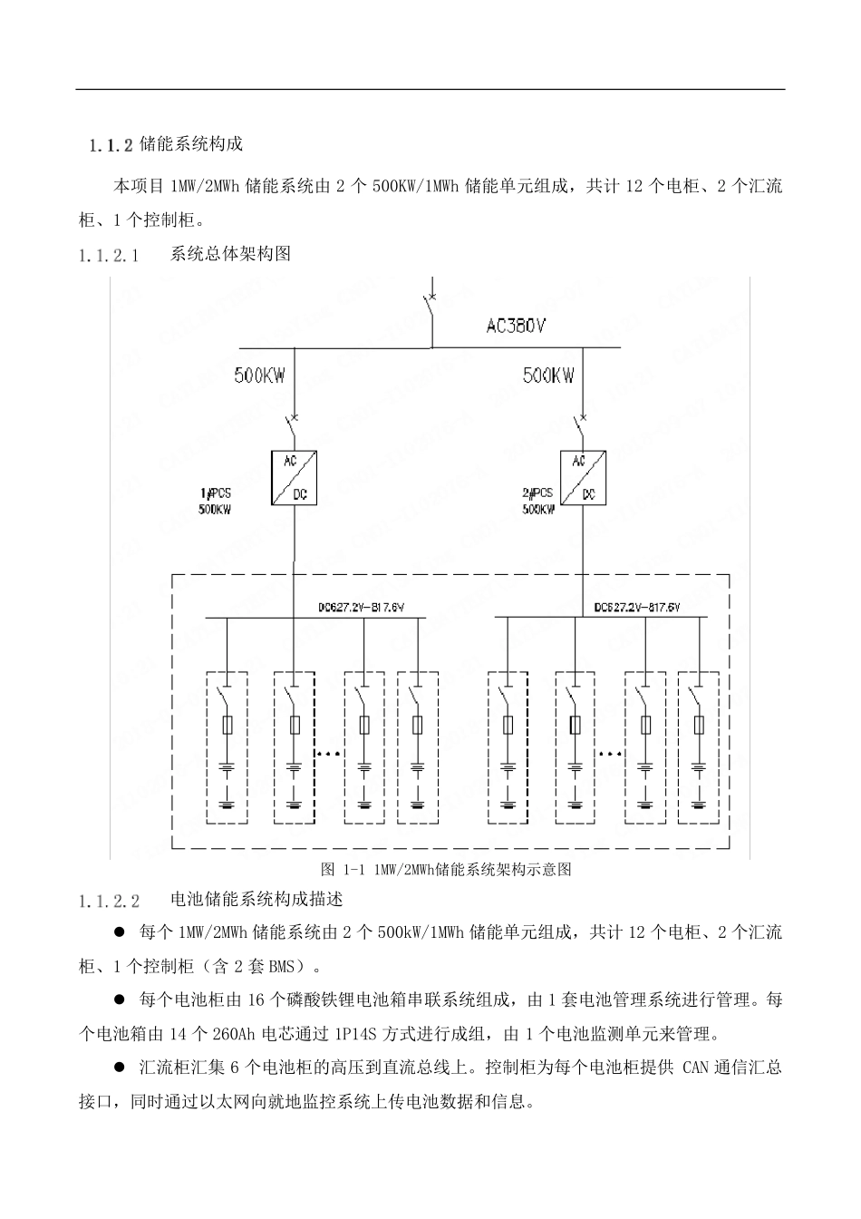
10MW/20MWh 储能项目方案 10MW/20MWh 储能项目方案 储能系统方案概述 储能系统方案简介 10MW/20MWh 储能项目中共包含10 套1MW/2MWh 储能系统,即共有10 个标准集装箱组成。根据储能系统功率1MW、充放电倍率0.5C 要求,本设计方案采用了高安全性、高可靠性磷酸铁锂电芯进行系统设计。储能系统标称容量为2MWh,实际配置容量2.15MWh,并集成安装于一个40 尺集装箱中。 单个1MW/2MWh 40 尺集装箱储能系统包含2 个500kW/1MWh 储能单元。1MW/2MWh 储能系统包含12 个电池柜、1 个控制柜(2 套BMS)、2 个汇流柜。每个电池柜由16 个磷酸铁锂电池箱串联而成,由1 套电池管理系统来管理。每个电池箱由14 个260Ah LFP 电芯通过1P14S 方式进行成组,由1 个电池监测单元来管理。6 个电池柜的高压直流总线汇流到高压电气柜上。控制柜为每个电池柜提供CAN 通信汇总接口,同时通过以太网向就地监控系统上传电池数据和信息。 本设计方案主要特点 本系统具有以下特点:  采用磷酸铁锂电池,能量密度高,循环寿命长;  电池系统采用标准化模块式设计,可灵活扩展,系统维护检修方便;  良好的散热管理系统,电池组寿命和可靠性有保证;  电池组采用高效连接工艺,实现电池模块功率连接的高可靠、低阻抗及高一致性;  采用高强度结构设计,保证电池系统在长途运输及极端情况下(如地震)的安全性;  CATL 自主研发的电池均衡控制策略,可有效保证储能系统的可用容量和使用寿命;  自主开发的电池及系统监控软件,可实现储能系统的自动运行;� 集装箱式储能系统采用电柜双列布置设计,过道宽度为750mm,便于日常维护和管理;  集装箱内设置手动\自动一体化的七氟丙烷(HFC-227ea)气体灭火系统;  集装箱具有逃生门及逃生锁设计。� 储能系统构成 本项目1MW/2MWh 储能系统由2 个500KW/1MWh 储能单元组成,共计12 个电柜、2 个汇流柜、1 个控制柜。 系统总体架构图 图 1-1 1MW/2MWh储能系统架构示意图 电池储能系统构成描述  每个1MW/2MWh 储能系统由2 个500kW/1MWh 储能单元组成,共计12 个电柜、2 个汇流柜、1 个控制柜(含2 套BMS)。  每个电池柜由16 个磷酸铁锂电池箱串联系统组成,由1 套电池管理系统进行管理。每个电池箱由14 个260Ah 电芯通过1P14S 方式进行成组,由1 个电池监测单元来管理。  汇流柜汇集6 个电池柜的高压到直流总线上。控制...

1、当您付费下载文档后,您只拥有了使用权限,并不意味着购买了版权,文档只能用于自身使用,不得用于其他商业用途(如 [转卖]进行直接盈利或[编辑后售卖]进行间接盈利)。
2、本站所有内容均由合作方或网友上传,本站不对文档的完整性、权威性及其观点立场正确性做任何保证或承诺!文档内容仅供研究参考,付费前请自行鉴别。
3、如文档内容存在违规,或者侵犯商业秘密、侵犯著作权等,请点击“违规举报”。

碎片内容

10MW_20MWh储能项目技术方案

确认删除?
VIP
微信客服
  • 扫码咨询
会员Q群
  • 会员专属群点击这里加入QQ群
客服邮箱
回到顶部