电脑桌面
添加小米粒文库到电脑桌面
安装后可以在桌面快捷访问

激发极化法极化率衰减曲线测量技术VIP免费

激发极化法极化率衰减曲线测量技术_第1页
1/30
激发极化法极化率衰减曲线测量技术_第2页
2/30
激发极化法极化率衰减曲线测量技术_第3页
3/30
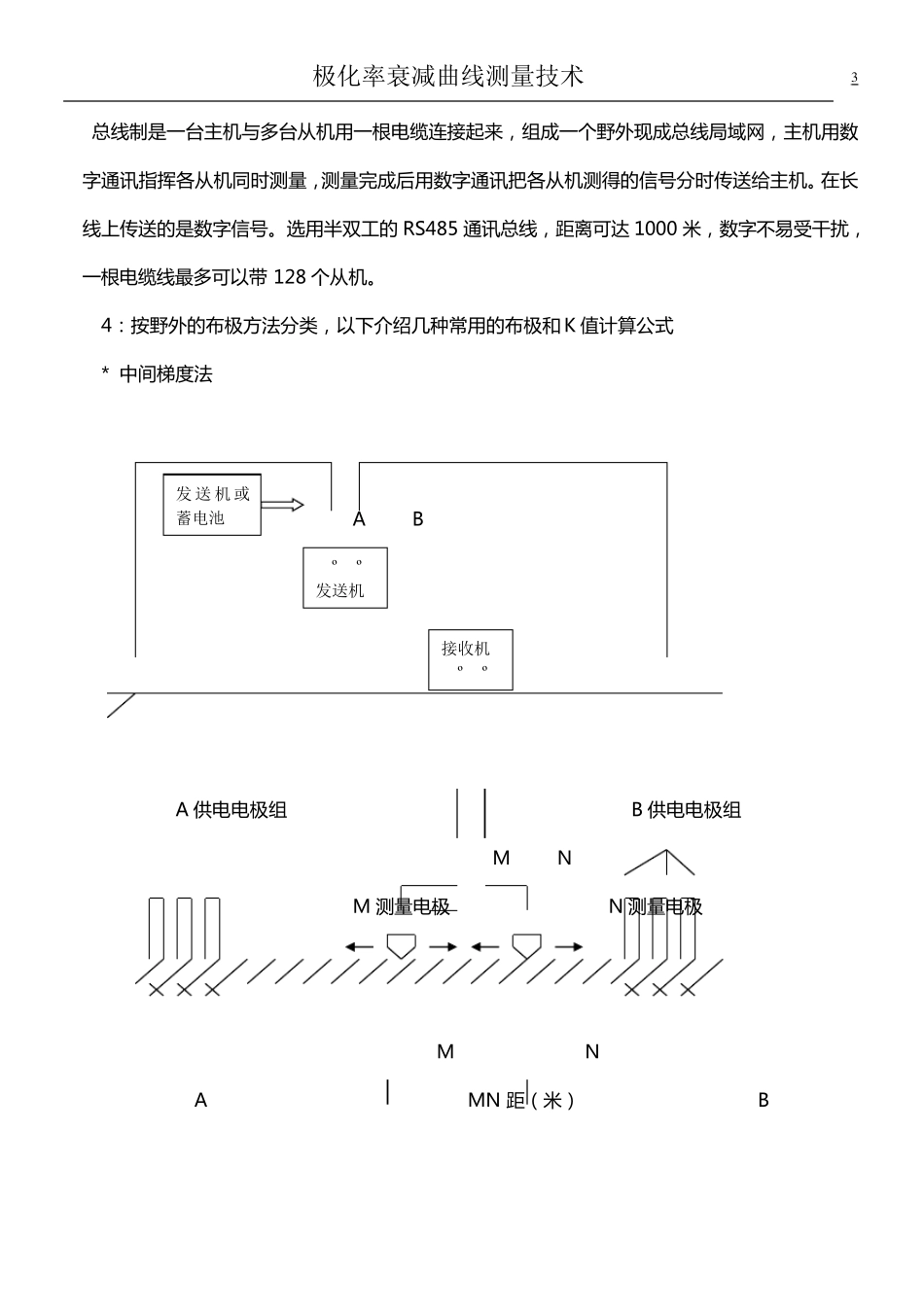
极化率衰减曲线测量技术 1 激发极化法极化率衰减曲线测量技术 上海绿海电脑科技有限公司 陆焕文 极化率衰减曲线测量技术 2 电法勘探测量方法与仪器的分类: 1:按电场生成分类: 可分为天然电场法和人工电场法。天然电场是大地中自然产生的,或者是有雷电,远距离长波无线电台发出的电场,底下电化学效应自己引起的电场(自然电场)。 人工电场是勘探人员用发送机法术固定的电流波形在底下建立的人工电场。人工电场还可以分成传导类电场和感应类电场,传导类电场是发送机的发送电极接地的(用铜电极赶插入地下)。感应类电场是用无线电发送天线向空中发射后感应到地下的,即发送机发送端不接地(如测地雷达)。 2:按被测的参数分类: 根据测量不同的物探参数可以分成不同的测量仪器,从被测信号频率的高低可分成以下几类: * 直流:(超低频 1HZ 以下) 直流电阻率法 * 低频:(0.1HZ~20HZ) 激发极化法 * 音频:(20HZ~10KHZ) 音频磁大地电流法 3:按测量效率分类: 按一次供电可同时测多少的物理册点分类: * 单点普通方法:每测一个物理点后要移动 测量电极到新 物理点再 测,需 要“跑 极”,这 种 方法仪器简 单,人工多,效率低。 * 多点同时测量的高密 度 法:这 种 方法可以一次发送机供电。同时多个物理测点上 同时测量,测量效率高,数据可靠 性 高。 高密 度 测量中还可分为多线制 和总 线制 。 多线制 是一台主 机上 引出多道 测量线,用星 形网 直接接到不同物理点的 MN 接线电极上 。这种 方法的缺 点是要用 长导线传诵 模 拟 量Δ V 信号,而 Δ V 信号是 mV 级 的微 弱 信号,容 易 受 空中电磁波干 扰 ,测量精 度 受 影 响 。 极化率衰减曲线测量技术 3 总 线 制 是 一 台 主 机 与 多 台 从 机 用 一 根 电 缆 连 接 起 来 , 组 成 一 个 野 外 现 成 总 线 局 域 网 , 主 机 用 数字 通 讯 指 挥 各 从 机 同 时 测 量 , 测 量 完 成 后 用 数 字 通 讯 把 各 从 机 测 得 的 信 号 分 时 传 送 给 主 机 。在长线 上传 送 的 是 数 字 信 号 。选用 半双工的 RS485 通 讯 总 线 , 距离可达 1000 米, 数 字 不易受干扰,一 根 电 缆 线 最多 可以带 128 个 从 机 。 4:按野 外 的 布极方法分 类...

1、当您付费下载文档后,您只拥有了使用权限,并不意味着购买了版权,文档只能用于自身使用,不得用于其他商业用途(如 [转卖]进行直接盈利或[编辑后售卖]进行间接盈利)。
2、本站所有内容均由合作方或网友上传,本站不对文档的完整性、权威性及其观点立场正确性做任何保证或承诺!文档内容仅供研究参考,付费前请自行鉴别。
3、如文档内容存在违规,或者侵犯商业秘密、侵犯著作权等,请点击“违规举报”。

碎片内容

激发极化法极化率衰减曲线测量技术

小辰4+ 关注
实名认证
内容提供者

出售各种资料和文档

确认删除?
VIP
微信客服
  • 扫码咨询
会员Q群
  • 会员专属群点击这里加入QQ群
客服邮箱
回到顶部