电脑桌面
添加小米粒文库到电脑桌面
安装后可以在桌面快捷访问

火力发电厂的危险源分析和安全技术VIP免费

火力发电厂的危险源分析和安全技术_第1页
1/117
火力发电厂的危险源分析和安全技术_第2页
2/117
火力发电厂的危险源分析和安全技术_第3页
3/117
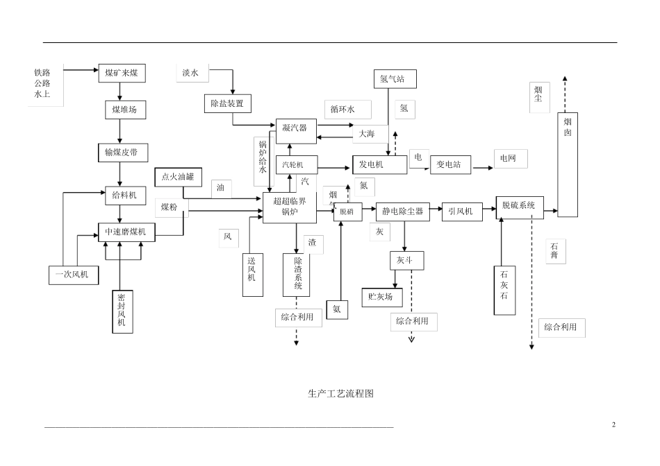
_ _ _ _ _ _ _ _ _ _ _ _ _ _ _ _ _ _ _ _ _ _ _ _ _ _ _ _ _ _ _ _ _ _ _ _ _ _ _ _ _ _ _ _ _ _ _ _ _ _ _ _ _ _ _ _ _ _ _ _ _ _ _ _ _ _ _ _ _ _ _ _ _ _ _ _ _ _ _ _ _ _ _ _ _ _ _ _ _ _ _ _ _ _ _ _ _ _ _ 1 火力发电厂的危险源分析和安全技术 1 火力发电厂的生产流程及主要系统 1.1 生产工艺流程 电厂以煤炭为原料,以水为介质,产生电力。主要包括输煤系统、制粉系统、锅炉系统、汽机系统、电气系统、热工系统、化学水系统、水工系统和除灰渣系统。 煤由汽车运至电厂,由带式输送机运至配套煤场,再由带式输送机系统运至主厂房原煤仓,经制粉系统,制成的煤粉送入锅炉燃烧,将锅炉内给水加热成高温高压蒸汽,蒸汽在汽轮机内做功,带动发电机发电,电压升高后由线路输送给用户。汽轮机排汽进入凝汽器凝结成水,送往锅炉循环使用。 煤粉在锅炉中燃烧产生的烟气进入电除尘器,绝大多数飞灰被捕集下来;除尘后的烟气进入脱硫装置,大量的二氧化硫被去除。经过脱硝除尘脱硫后剩余少量的飞灰的及二氧化硫等气态污染物随烟气经由烟囱排入大气。 锅炉燃烧产生的灰渣通过除灰系统及粉煤灰分选系统进入灰库、产生的渣通过炉底捞渣机进入渣仓,再送至综合利用企业。本工程生产流程图如图。 _ _ _ _ _ _ _ _ _ _ _ _ _ _ _ _ _ _ _ _ _ _ _ _ _ _ _ _ _ _ _ _ _ _ _ _ _ _ _ _ _ _ _ _ _ _ _ _ _ _ _ _ _ _ _ _ _ _ _ _ _ _ _ _ _ _ _ _ _ _ _ _ _ _ _ _ _ _ _ _ _ _ _ _ _ _ _ _ _ _ _ _ _ _ _ _ _ _ _ 2 生产工艺流程图 煤矿来煤 输煤皮带 给料机 煤堆场 氢气站 超超临界 锅炉 铁路 公路 水上 密封风机 送风机 烟气 静电除尘器 引风机 脱硫系统 烟囱 烟尘 灰 灰斗 贮灰场 综合利用 除盐装置 点火油罐 锅炉给水 汽轮机 凝汽器 大海 循环水 煤粉 发电机 变电站 电网 除渣系统 风 中速磨煤机 一次风机 淡水 汽 渣 电 油 氢 石灰石 石膏 综合利用 综合利用 氨 氮 脱硝 _ _ _ _ _ _ _ _ _ _ _ _ _ _ _ _ _ _ _ _ _ _ _ _ _ _ _ _ _ _ _ _ _ _ _ _ _ _ _ _ _ _ _ _ _ _ _ _ _ _ _ _ _ _ _ _ _ _ _ _ _ _ _ _...

1、当您付费下载文档后,您只拥有了使用权限,并不意味着购买了版权,文档只能用于自身使用,不得用于其他商业用途(如 [转卖]进行直接盈利或[编辑后售卖]进行间接盈利)。
2、本站所有内容均由合作方或网友上传,本站不对文档的完整性、权威性及其观点立场正确性做任何保证或承诺!文档内容仅供研究参考,付费前请自行鉴别。
3、如文档内容存在违规,或者侵犯商业秘密、侵犯著作权等,请点击“违规举报”。

碎片内容

火力发电厂的危险源分析和安全技术

您可能关注的文档

小辰9+ 关注
实名认证
内容提供者

出售各种资料和文档

确认删除?
VIP
微信客服
  • 扫码咨询
会员Q群
  • 会员专属群点击这里加入QQ群
客服邮箱
回到顶部