电脑桌面
添加小米粒文库到电脑桌面
安装后可以在桌面快捷访问

机械加工余量标准VIP免费

机械加工余量标准_第1页
1/18
机械加工余量标准_第2页
2/18
机械加工余量标准_第3页
3/18
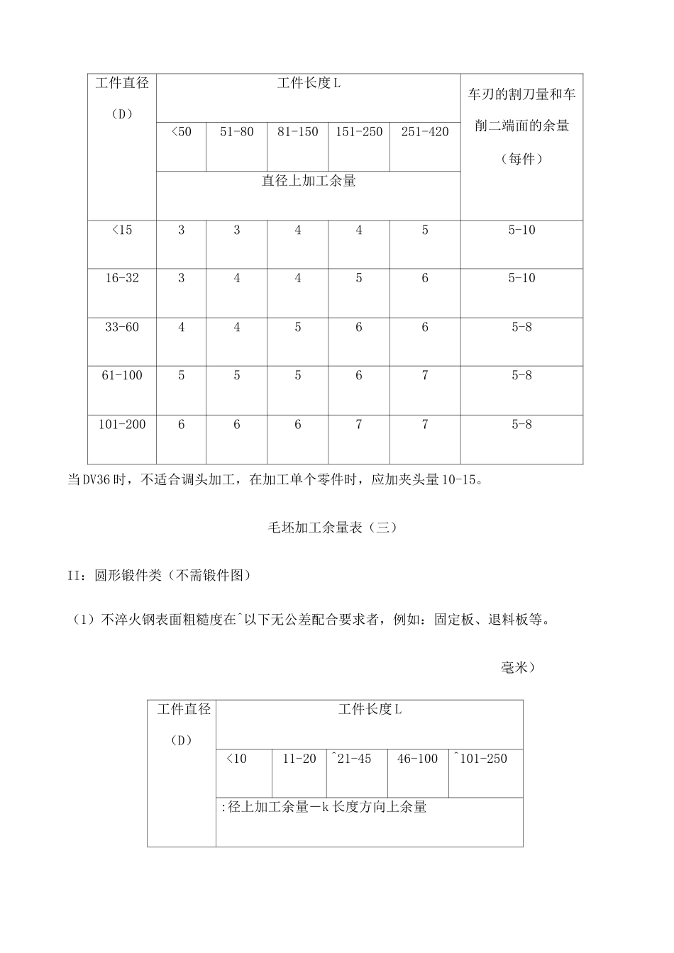
机械加工余量标准25EQY—19-19991.主题内容与适用范围本标准规定了磨削加工的加工余量。本标准适用于磨削各类材料时的加工余量。2.技术内容加工余量表(一)厚度 4 以上的平面磨削余量(单面)平面长度平面宽度 200 以下平面宽度 200 以上小于 100100-250251-500500-800说明:1. 二次平面磨削余量乘系数2. 三次平面磨削余量乘系数 23. 厚度 4 以上者单面余量不小于橡胶模平板单面余量不小于毛坯加工余量表(二)I:园棒类:(1)工件的最大外径无公差要求,光洁度在▽以下,例:不磨外圆的凹模带台肩的凸模、凹模、凸凹模以及推杆、推销、限制器、托杆、各种螺钉、螺栓、螺塞、螺帽外径必须滚花者。毫米)工件直径(D)工件长度 L车刃的割刀量和车削二端面的余量(每件)<7071-120121-200201-300301-450直径上加工余量<32122345-1033-60233454-661-100344454-6101-200455564-6当 DV36 时并不适应于调头夹加工,在加工单个工件时,应在 L 上加夹头量 10-15。(2)工件的最大外径有公差配合要求,光洁度在▽以上,例如:外圆须磨加工的凹模,挡料销、肩台须磨加工的凸模或凸凹模等。毫米)工件直径(D)工件长度 L车刃的割刀量和车削二端面的余量(每件)<5051-8081-150151-250251-420直径上加工余量<15334455-1016-32344565-1033-60445665-861-100555675-8101-200666775-8当 DV36 时,不适合调头加工,在加工单个零件时,应加夹头量 10-15。毛坯加工余量表(三)II:圆形锻件类(不需锻件图)(1)不淬火钢表面粗糙度在^以下无公差配合要求者,例如:固定板、退料板等。毫米)工件直径(D)工件长度 L<1011-20^21-4546-100^101-250:径上加工余量―k 长度方向上余量毛坯加工余量表(四)Ill:矩形锻件类:表内的加工余量为最小余量,其最大余量不得超过厂规定标准工件直径(D)工件长度 L<100101-250251-320321-450451-600601-800长度上 j 加工余量 2e5667810工件截面上加工余量(2a=2b)<1044556611-25445566一、平面平面每面磨量宽度厚度工件长度 L<100101-250251-400404-630200<1819-3031-50>50〉<18二、端面端面每面磨量D工件长度 L<1819-5051-120121-260261-500>500<1819-5051-120121-260261-500>500注:本表适用于淬火零件,不淬火零件应适当减少 20-40%/粗加工的表面粗糙度不应低于^如需磨两次的零件,其磨量应适当增加 10-20%环形工件磨削加工余量表(六)©50 以下,壁厚 10 以上者,或长度为 100-300 者,用上限...

1、当您付费下载文档后,您只拥有了使用权限,并不意味着购买了版权,文档只能用于自身使用,不得用于其他商业用途(如 [转卖]进行直接盈利或[编辑后售卖]进行间接盈利)。
2、本站所有内容均由合作方或网友上传,本站不对文档的完整性、权威性及其观点立场正确性做任何保证或承诺!文档内容仅供研究参考,付费前请自行鉴别。
3、如文档内容存在违规,或者侵犯商业秘密、侵犯著作权等,请点击“违规举报”。

碎片内容

机械加工余量标准

wxg+ 关注
实名认证
内容提供者

该用户很懒,什么也没介绍

确认删除?
VIP
微信客服
  • 扫码咨询
会员Q群
  • 会员专属群点击这里加入QQ群
客服邮箱
回到顶部