电脑桌面
添加小米粒文库到电脑桌面
安装后可以在桌面快捷访问

铁路扩建特大桥人工挖孔桩施工方案VIP专享VIP免费

铁路扩建特大桥人工挖孔桩施工方案_第1页
1/29
铁路扩建特大桥人工挖孔桩施工方案_第2页
2/29
铁路扩建特大桥人工挖孔桩施工方案_第3页
3/29
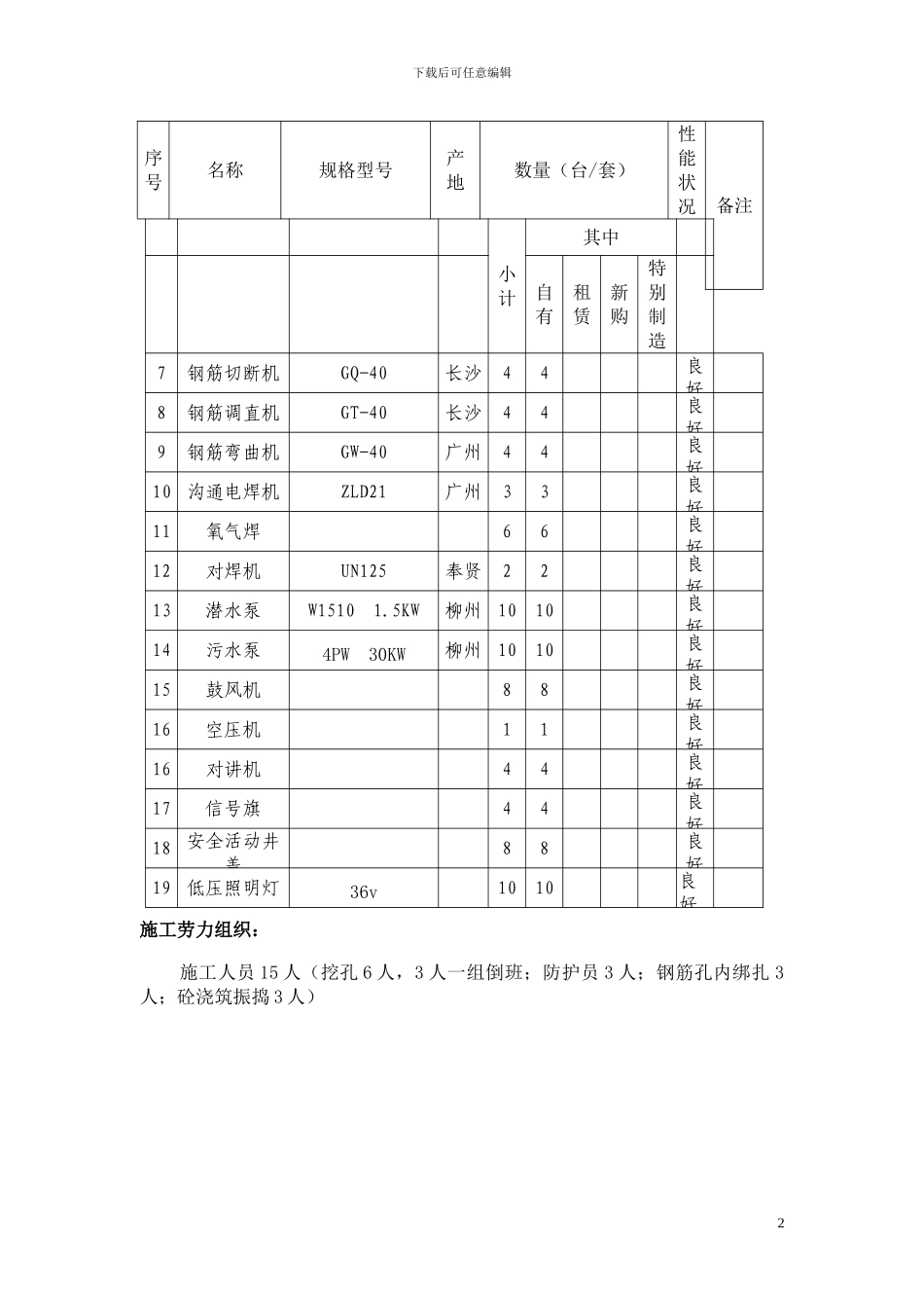
下载后可任意编辑人工挖孔桩专项施工方案一、工程概况新村 1 号立交桥与新建线路左线交叉里程为 D1K561+800=GK0+241.33,中心里程为 GK0+241.33m,共四跨,每跨 30m,全桥总长 126.06m。桩基主要为钻孔桩 7 根,人工挖孔桩 4 根,人工挖孔桩与既有线相邻。新村 2 号立交桥与新建线路左线交叉里程为 D1K562+330=GK0+374.08,中心里程为 GK0+374.08,与新建线路斜交 103°,共五跨,每跨 30m,全桥总长156.06m。桩基主要为钻孔桩 8 根,人工挖孔桩 4 根,人工挖孔桩与既有线相邻。人工挖孔桩具有机具设备简单,施工操作方便,占用场地小,无泥浆排出,对周围环境及建筑物影响小,施工质量可靠,可全面展开施工,缩短工期等优点。二、人员及机具配置依据工期要求,在下部结构桩基施工中将加大人员和机械的投入。施工机具配置表序 号名称规格型号产地数量(台/套)性能状况备注小计其中自有租赁新购特别制造1挖掘机EX420 1.3m3日本211良好2柴油发电机电机组FFW-300L-150kw湖南22良好3砼输送泵HBT60C60 m3/h长沙11良好4插入式捣固器HZ6X30长沙1010良好5运输汽车EQ3141 15t湖北44良好6汽车吊QY25徐州11良好1下载后可任意编辑序 号名称规格型号产地数量(台/套)性能状况备注小计其中自有租赁新购特别制造7钢筋切断机GQ-40长沙44良好8钢筋调直机GT-40长沙44良好9钢筋弯曲机GW-40广州44良好10沟通电焊机ZLD21广州33良好11氧气焊66良好12对焊机UN125奉贤22良好13潜水泵W1510 1.5KW柳州1010良好14污水泵4PW 30KW柳州1010良好15鼓风机88良好16空压机11良好16对讲机44良好17信号旗44良好18安全活动井盖88良好19低压照明灯36v1010良好施工劳力组织: 施工人员 15 人(挖孔 6 人,3 人一组倒班;防护员 3 人;钢筋孔内绑扎 3人;砼浇筑振捣 3 人)2下载后可任意编辑三、挖孔桩施工方法与工艺措施(一)挖孔灌注桩施工工艺流程(二)孔桩开挖1、一般土质和强风化砂岩的开挖可采纳短柄铲、风镐等普通工具开挖。桩基土方开挖自中间到两边进行,每节护壁扩底部份先挖桩身圆桩体,再挖扩底尺寸从上到下修成,松散土层用铲、镐开挖,进入强风层后用镐,每节均应检查中心点及几何尺寸,合格后才能进行下道工作。每开挖下节桩孔前,应用长约 1.2m,直径 20mm 的钢筋打入土中。测试是否有流砂、淤泥出现,对于孔内的粘土、淤泥、流砂层开挖。孔内挖土采纳分段开挖方式,对于粘土层,一般 0.8m~1.0m 为一个施工段,做完混凝土护壁,...

1、当您付费下载文档后,您只拥有了使用权限,并不意味着购买了版权,文档只能用于自身使用,不得用于其他商业用途(如 [转卖]进行直接盈利或[编辑后售卖]进行间接盈利)。
2、本站所有内容均由合作方或网友上传,本站不对文档的完整性、权威性及其观点立场正确性做任何保证或承诺!文档内容仅供研究参考,付费前请自行鉴别。
3、如文档内容存在违规,或者侵犯商业秘密、侵犯著作权等,请点击“违规举报”。

碎片内容

铁路扩建特大桥人工挖孔桩施工方案

确认删除?
VIP
微信客服
  • 扫码咨询
会员Q群
  • 会员专属群点击这里加入QQ群
客服邮箱
回到顶部