电脑桌面
添加小米粒文库到电脑桌面
安装后可以在桌面快捷访问

紧急情况处理措施预案以及抵抗风险的措施VIP免费

紧急情况处理措施预案以及抵抗风险的措施_第1页
1/17
紧急情况处理措施预案以及抵抗风险的措施_第2页
2/17
紧急情况处理措施预案以及抵抗风险的措施_第3页
3/17
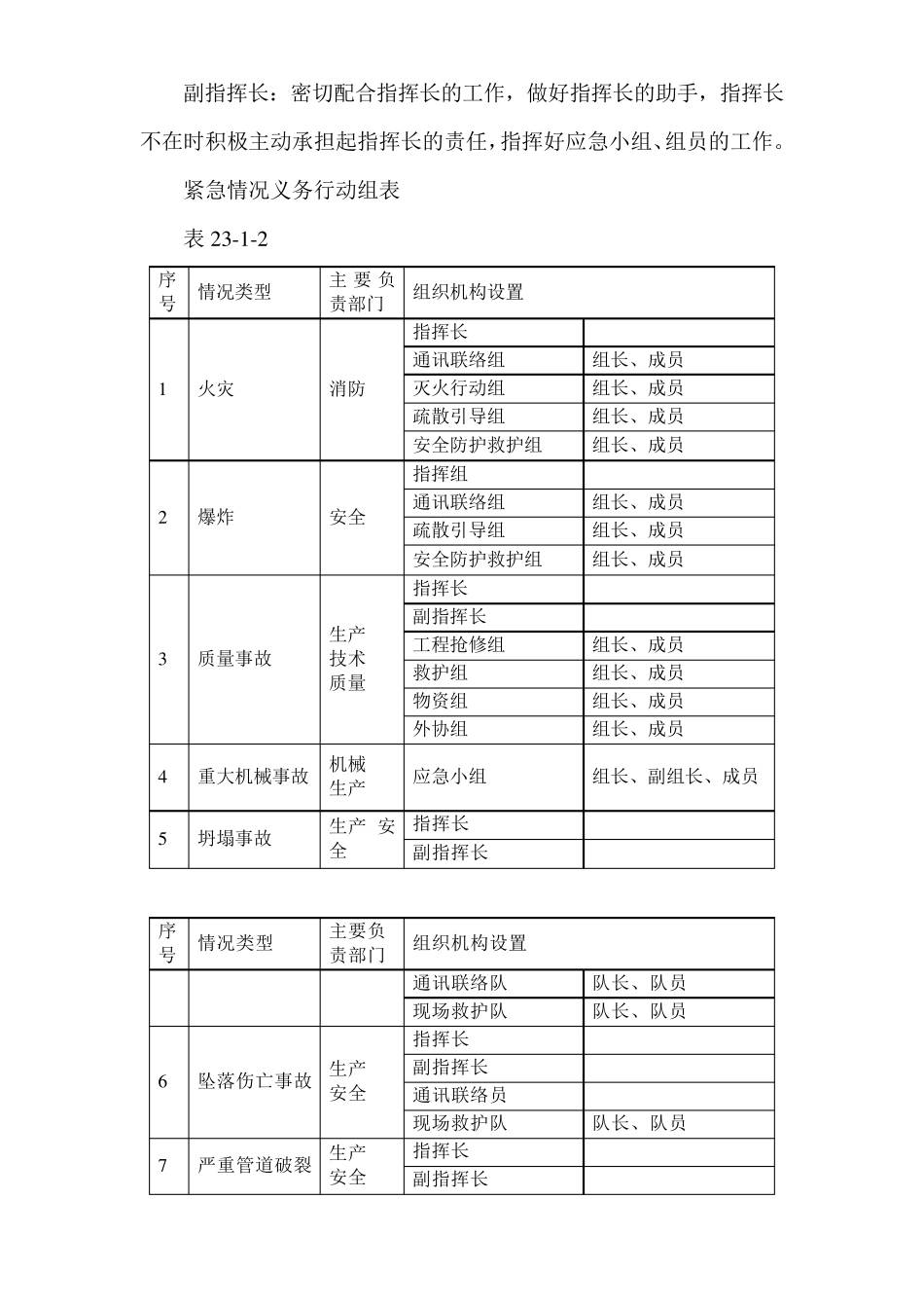
紧急情况处理措施预案以及抵抗风险的措施 本章通过对奥体中心体育场改扩建这一特大型项目施工过程中可能出现的各种紧急情况和风险进行了周密、细致的预测,并制定了具有针对性的应急预案和抵抗风险的措施,可以令人信服的证明:无论是何种紧急情况以及无论是技术风险还是非技术风险,由于有了相关预案和措施且一旦得到充分落实,投标人必将化险为夷、把风险可能造成的损失最小化,使奥体中心体育场改扩建工程的施工建设得到可靠的保证。 紧急情况 奥体中心体育场属于大型体育场馆,场馆设计新颖,设备功能齐全,施工技术难度大,施工现场情况复杂,专业分包多,临时设施多,参建人员众多,工期横跨多个雨季、冬季,因此施工过程中不确定因素多,紧急状况多,紧急状况发生必须立即采取应对措施,以便最大限度地降低人身伤亡 和财 产 损失。为此,工程施工前 须认 真 分析 工程施工过程中可能出现的紧急情况,并制定相应的处理措施、预案。 1 . 紧急情况分类 认 真 分析 施工过程及现实生活 进行识 别 并具体化,可把紧急情况分为几 类 ,具体类 型及可能险情见 表 2 3 -1 -1 : 可能险情表 表 2 3 -1 -1 序 号 类 型 可能险情 1 火灾 生活区或办公区失火、库房失火、堆放材料、在建工程失火等 2 爆炸 易爆物品爆炸、压力容器爆炸等 3 质量事故 工程结构失稳或倒塌 4 重大机械事故 锅炉爆炸、起重设备失稳或倒塌、垂直运输机械坠落或失稳、车辆碰撞等 5 坍塌事故 边坡坍塌,模板倒塌,脚手架失稳或倒塌 6 坠落伤亡事故 人员重伤、死亡 7 严重管道破裂 上下水管道破裂、煤气管道破裂、油管破裂等 8 集体食物中毒 不当饮食或人为造成引起的食物中毒等 9 夏季中暑 群体中暑、个别严重中暑等 10 突发传染病 传播迅速、后果严重的传染病,特别SARS 11 不可抗力自然灾害 地震、地裂、地表陷落、冰雹、暴雨、大风、雷电、暴雪严寒、严重沙尘暴等 12 计算机病毒 系统崩溃、数剧丢失等 13 触电 变压器及配电柜故障、电缆受损后短路 2. 应急预案 2.1 项目部根据本项目识别的潜在事故事件和紧急情况,确定主要负责部门,以主要责任部门为主成立紧急情况义务行动组,建立组织机构,明确具体人员,将人员名单、任务分工张贴在显要位置。定期组织义务行动组进行应急准备的技能培训,针对紧急状态进行演练,使相关人员清楚自己的职责,掌握相关技能。 紧急情况义务行动组表见...

1、当您付费下载文档后,您只拥有了使用权限,并不意味着购买了版权,文档只能用于自身使用,不得用于其他商业用途(如 [转卖]进行直接盈利或[编辑后售卖]进行间接盈利)。
2、本站所有内容均由合作方或网友上传,本站不对文档的完整性、权威性及其观点立场正确性做任何保证或承诺!文档内容仅供研究参考,付费前请自行鉴别。
3、如文档内容存在违规,或者侵犯商业秘密、侵犯著作权等,请点击“违规举报”。

碎片内容

紧急情况处理措施预案以及抵抗风险的措施

您可能关注的文档

确认删除?
VIP
微信客服
  • 扫码咨询
会员Q群
  • 会员专属群点击这里加入QQ群
客服邮箱
回到顶部