电脑桌面
添加小米粒文库到电脑桌面
安装后可以在桌面快捷访问

组态王与单片机协议通用单片机通讯协议(ASCII)VIP免费

组态王与单片机协议通用单片机通讯协议(ASCII)_第1页
1/11
组态王与单片机协议通用单片机通讯协议(ASCII)_第2页
2/11
组态王与单片机协议通用单片机通讯协议(ASCII)_第3页
3/11
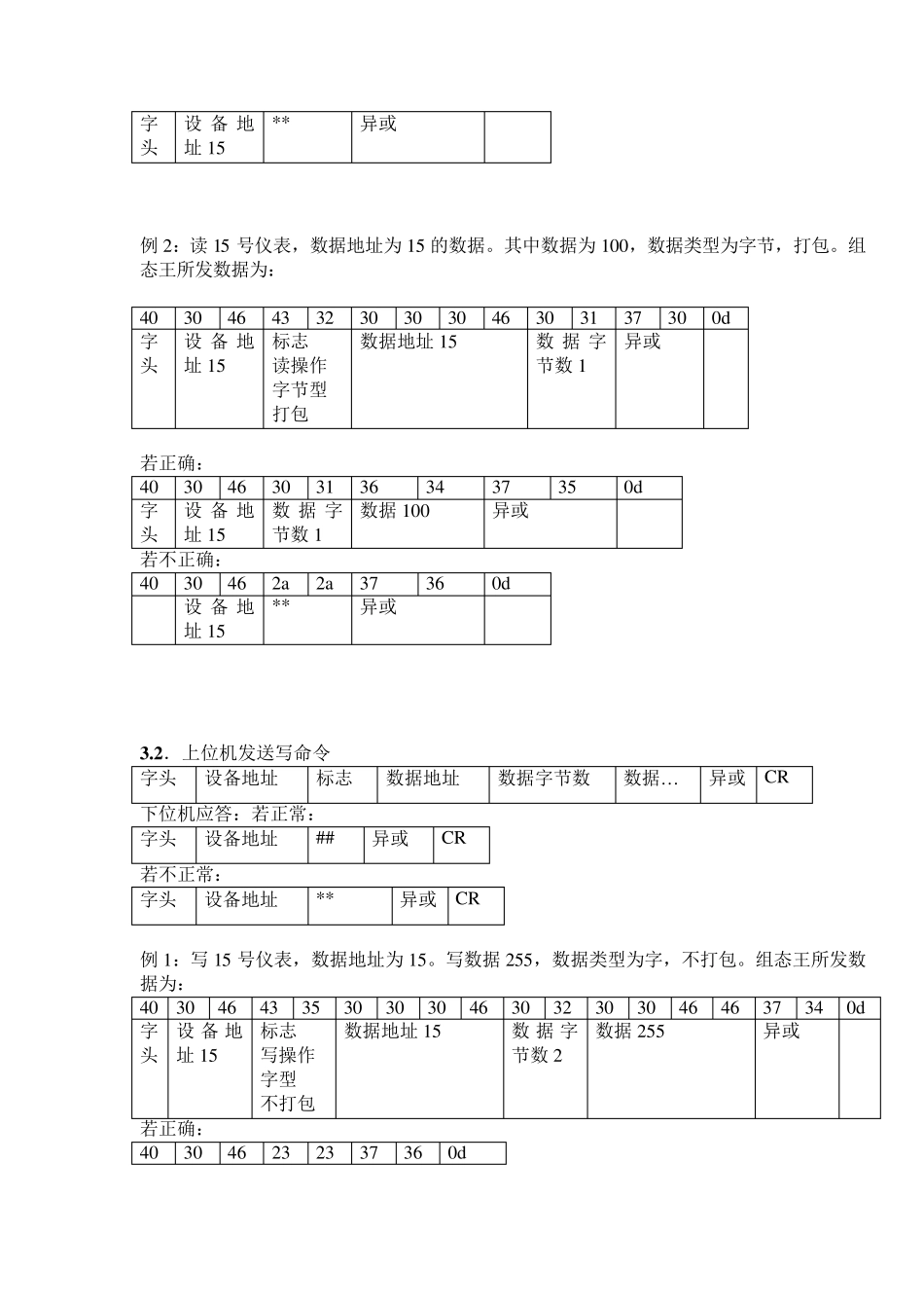
组态王与单片机协议 1 .通讯口设置: 通讯方式:RS-232,RS-485,RS-422 均可。 波特率: 由单片机决定(2400,4800,9600and19200bps)。 字节数据格式:由单片机决定。 起始位 数据位 校验位 停止位 注意:在组态王中设置的通讯参数如波特率,数据位,停止位,奇偶校验必须与单片机编程中的通讯参数一致 2 .在组态王中定义设备地址的格式 格式:##.# 前面的两个字符是设备地址,范围为0-255,此地址为单片机的地址,由单片机中的程序决定 ; 后面的一个字符是用户设定是否打包,“0”为不打包、“1”为打包,用户一旦在定义设备时确定了打包,组态王将处理读下位机变量时数据打包的工作。 3.在组态王中定义的寄存器格式 寄存器名称 dd 上限 dd 下限 数据类型 Xdd 65535 0 FLOAT/BYTE/UINT 斜体字dd 代表数据地址,此地址与单片机的数据地址相对应。 注意:在组态王中定义变量时,一个X 寄存器根据所选数据类型(BYTE,UINT,FLOAT)的不同分别占用一个、两个,四个字节,定义不同的数据类型要注意寄存器后面的地址,同一数据区内不可交叉定义不同数据类型的变量。为提高通讯速度建议用户使用连续的数据区。 例如, 1、在单片机中定义从地址0 开始的数据类型为BYTE 型的变量: 则在组态王中定义相应的变量的寄存器为X0、X1、X2、X3、X4。。。。。。。。,数据类型为BYTE,每个变量占一个字节 2、在单片机中定义从地址100 开始的数据类型为UINT 型的变量: 则在组态王中定义相应的变量的寄存器为X100、X102、X104、X106、X108。。。。。。。。,数据类型 UINT,每个变量占两个字节 3、在单片机中定义从地址200 开始的数据类型为FLOAT 型的变量: 则在组态王中定义相应的变量的寄存器为X200、X204、X208、X212。。。。。。。, 数据类型 FLOAT,每个变量占四个字节 3 .组态王与单片机通讯的命令格式: 读写格式(除字头、字尾外所有字节均为 ASCII 码) 字头 设备地址 标志 数据地址 数据字节数 数据… 异或 CR 说明; 字头:1 字节 1 个 ASCII 码,40H 设备地址: 1 字节 2 个 ASCII 码,0— 255(即 0---0x0ffH) 标志:1 字节 2 个 ASCII 码,bit0~bit7, bit0= 0:读,bit0= 1:写。 bit1= 0:不打包。 bit3bit2 = 00,数据类型为字节。 bit3bit2 = 01,数据类型为字。 bit3bit2 = 1x,数据类型为浮点数。 数据地址: 2 字节 4 个 ASCII...

1、当您付费下载文档后,您只拥有了使用权限,并不意味着购买了版权,文档只能用于自身使用,不得用于其他商业用途(如 [转卖]进行直接盈利或[编辑后售卖]进行间接盈利)。
2、本站所有内容均由合作方或网友上传,本站不对文档的完整性、权威性及其观点立场正确性做任何保证或承诺!文档内容仅供研究参考,付费前请自行鉴别。
3、如文档内容存在违规,或者侵犯商业秘密、侵犯著作权等,请点击“违规举报”。

碎片内容

组态王与单片机协议通用单片机通讯协议(ASCII)

小辰8+ 关注
实名认证
内容提供者

出售各种资料和文档

确认删除?
VIP
微信客服
  • 扫码咨询
会员Q群
  • 会员专属群点击这里加入QQ群
客服邮箱
回到顶部