电脑桌面
添加小米粒文库到电脑桌面
安装后可以在桌面快捷访问

给排水分项工程质量技术交底卡VIP免费

给排水分项工程质量技术交底卡_第1页
1/7
给排水分项工程质量技术交底卡_第2页
2/7
给排水分项工程质量技术交底卡_第3页
3/7
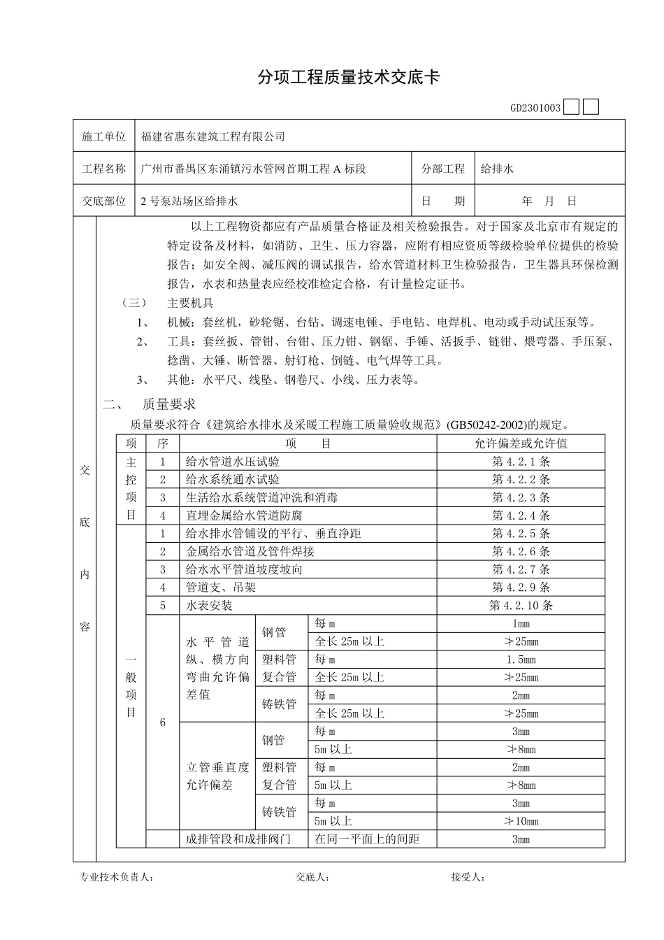
专业技术负责人: 交底人: 接受人: 分项工程质量技术交底卡 GD2301003 施工单位 福建省惠东建筑工程有限公司 工程名称 广州市番禺区东涌镇污水管网首期工程A 标段 分部工程 给排水 交底部位 2 号泵站场区给排水 日 期 年 月 日 交 底 内 容 一、 施工准备 (一) 作业条件 1、 地下管道铺设必须在房心土回填夯实或挖到管底标高,沿管线铺设位置清理干净,管道穿墙处巳留管洞或安装套管,其洞口尺寸和套管规格符合要求,坐标、标高正确。 2、 暗装管道应在地沟盖板前或吊顶封闭前进行安装。 3、 明装托、吊干管安装必须在安装层的结构顶板完成后进行。沿管线安装位置的模板及杂物清理干净,托吊卡件均已安装牢固,位置正确。 4、 立管安装宜在主体结构完成后进行。高层建筑在主体结构达到安装条件后,适当插入进行。每层均应有明确的标高线,暗装竖井管道,应把 竖井内的模板及杂物清除 干净,并有防 坠 落 措 施。 5、 支 管安装应在墙体砌 筑完毕 墙面 未 装修 前进行。 (二 ) 材 料 要求 1、 铸 铁 给水管及管件质 量 标准应执 行YB/T5188、GB3287。其规格尺寸应符合设计 要求,管壁 厚 度 均匀 ,内外 光 滑 整 洁 ,不 得 有砂 眼 、裂 纹 、毛 刺 和疙 瘩 ; 承 插口的内外 径 及管件应造 型 规矩 ,管内外 表 面 的防 腐 涂 层应整 洁 均匀 ,附 着 牢固。室 外 给水铸 铁 管安装多数 采 用 橡 胶 圈 接口,管道与 橡 胶 圈 采 用 同 一厂 家 产 品 ,已经 配 好 橡 胶 圈 。给水铸 铁 管件采 用 自 来 水公司配 套产 品 。手 锤 轻 轻 敲 打 ,沙 沙 声 说 明质 量 不 好 ,应检 查 是 否 有裂 缝 ;用 锤 击 断 管壁 ,断 面 呈 灰 色 ,组 织 均匀 、紧 密 、细 颗 粒 为 合格。 2、 镀 锌 给水管及管件质 量 标准应执 行GB/T3091。其规格种 类 应符合设计 要求,管内外 镀 锌均匀 ,无 锈 蚀 ,无 毛 刺 。管件无 偏 扣 、乱 扣 、丝 扣 不 全 或角 度 不 准等 现 象 。将 几 个 相 同直 径 的管件串 起 来 ,看 是 否 乱 扣 、偏 扣 、角 度 不 准,然 后试 压 。 3、 消 火 栓 系 统 管材 按 设计 要求选 用 ,一般 采 用 碳 素 钢 管或无 缝 钢 管,管材 不 ...

1、当您付费下载文档后,您只拥有了使用权限,并不意味着购买了版权,文档只能用于自身使用,不得用于其他商业用途(如 [转卖]进行直接盈利或[编辑后售卖]进行间接盈利)。
2、本站所有内容均由合作方或网友上传,本站不对文档的完整性、权威性及其观点立场正确性做任何保证或承诺!文档内容仅供研究参考,付费前请自行鉴别。
3、如文档内容存在违规,或者侵犯商业秘密、侵犯著作权等,请点击“违规举报”。

碎片内容

给排水分项工程质量技术交底卡

您可能关注的文档

小辰7+ 关注
实名认证
内容提供者

出售各种资料和文档

确认删除?
VIP
微信客服
  • 扫码咨询
会员Q群
  • 会员专属群点击这里加入QQ群
客服邮箱
回到顶部