电脑桌面
添加小米粒文库到电脑桌面
安装后可以在桌面快捷访问

沉井下沉封底施工方案VIP免费

沉井下沉封底施工方案_第1页
1/6
沉井下沉封底施工方案_第2页
2/6
沉井下沉封底施工方案_第3页
3/6
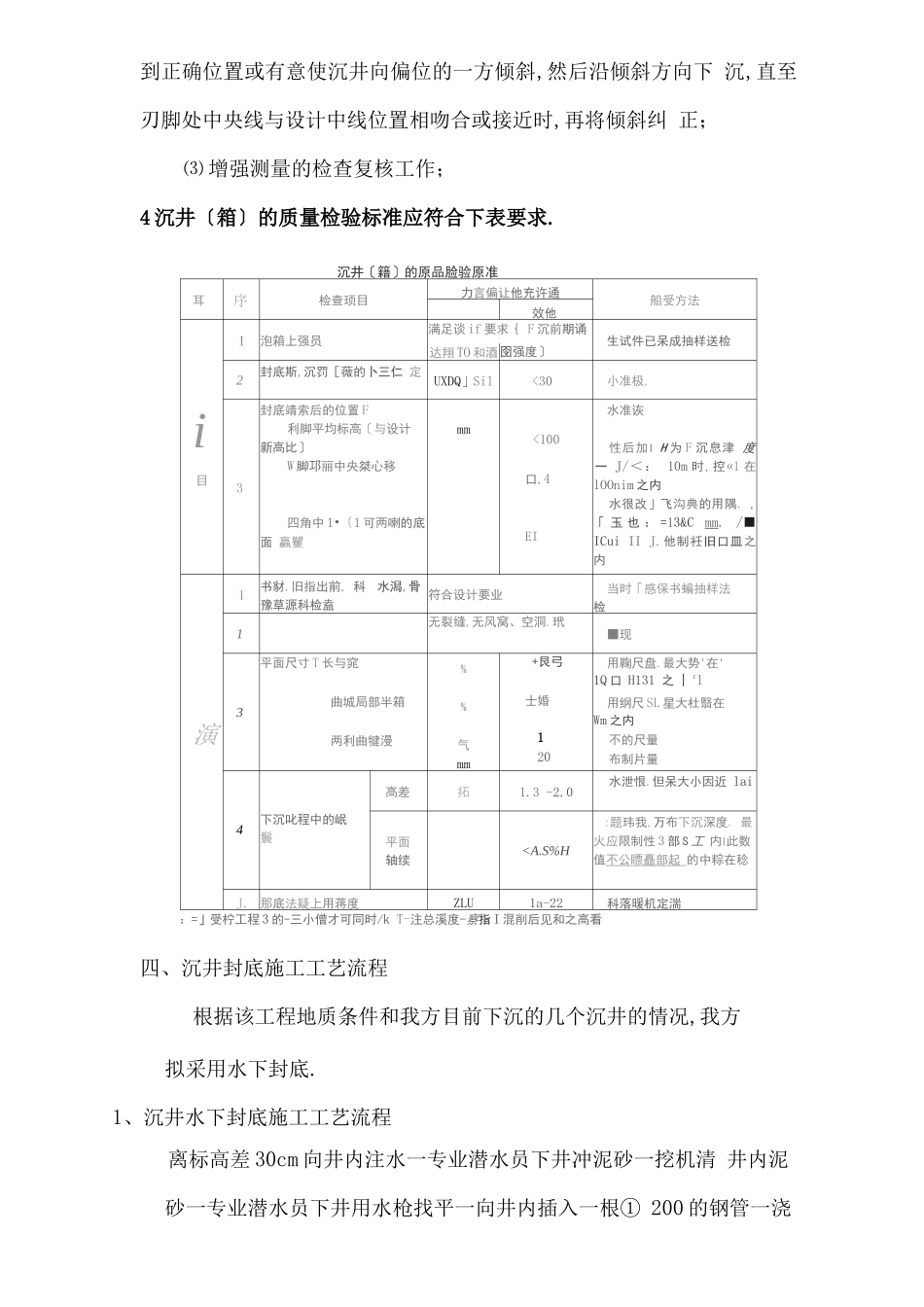
沉井下沉封底施工方案一、 概况工程位于宁波北区污水处理厂世纪大道污水主干管工程起始 段.全长 3789 米,共有 8 个工作井,7 个接受井.据工程勘测报告 显示,W3 至 W5段沉井下沉过程中穿越 3a 粉砂层,下沉难度大,极 易形成流砂、管涌现象;沉井下沉容易出现超沉、突沉,沉井封底采 用不排水封底.二、沉井下沉沉井下沉时砼强度应到达设计强度的要求后才能进行.在敲拆 垫层砼时应均匀对称进行,先外侧后内侧,步调一致,逐步推移,以 预防沉井产生不均匀下沉.沉井下沉前预留孔应用足够强度砼砖墙封堵.具体方法如下:1、沉井下沉前先测定轴线、标高,保证沉井位置正确,在井壁上用 红漆做好刻度标记,以便做好下沉记录.2、沉井下沉时挖机挖出的局部土方回填到井壁四周并均匀充实,使 沉井下沉时摩阻力相近,均匀下沉.3、用水准仪观测沉井下沉情况,当沉井洞口中央离标高差 2 米时, 挖机停止工作,观测 24 小时后假设下沉不明显或不下沉那么继续挖 土下沉.假设下沉过快可向井内灌入一局部水再观测.4、当沉井洞口中央离标高差 1 米时,挖机停止工作,再观测 12 小 时后下沉不明显那么继续挖土直至下沉到离标高相差 30cm 时向井 内灌满水;假设沉井靠自重下沉过快那么马上向井内灌水.三、下沉时的应急举措 1 突沉或超沉沉井遇软弱土层、长期抽水、流砂或沉井外部土体液化,都会产 生井体突沉或超沉,其预防举措及处理方法为:⑴ 用木垛在定位垫架处给以支持,并重新调整挖土,刃脚下不挖或局部不挖;⑵ 将井筒外的土夯实,增加摩阻力,如沉井外部的土液化发生虚坑时,可填碎石进行处理;⑶ 减少每一节筒身高度,减轻沉井自重.2 沉井倾斜原因分析:⑴ 沉井刃脚下的土软硬不均匀;⑵ 没有及时回填夯实;井外四周的回填土夯实不均匀;⑶ 没有均匀挖土使井内土面高差悬殊;⑷ 刃脚下掏空过多,沉井忽然下沉,易产生倾斜;⑸ 刃脚一侧被障碍物搁住,未及时发现和处理;⑹ 井外弃土或堆物,井上附加荷重分布不均匀,造成对井壁的偏压;预防举措及处理方法:⑴ 增强下沉过程中的观测和资料分析,发现倾斜及时纠正;⑵ 及时用砂或砂砾回填夯实;⑶ 在刃脚高的一侧增强取土,低的一侧少挖或不挖土,待正位后再均匀分层取土;⑷ 在刃脚较低的一侧适当回填砂石或石块,延缓下沉速度;3 沉井偏移沉井偏移,大多由于倾斜引起,当发生倾斜和纠正倾斜时,井身 常向倾斜一侧下部产生一个较大压力,因而伴随产生一定的位移,位 移大小随土质情况及向一边倾斜...

1、当您付费下载文档后,您只拥有了使用权限,并不意味着购买了版权,文档只能用于自身使用,不得用于其他商业用途(如 [转卖]进行直接盈利或[编辑后售卖]进行间接盈利)。
2、本站所有内容均由合作方或网友上传,本站不对文档的完整性、权威性及其观点立场正确性做任何保证或承诺!文档内容仅供研究参考,付费前请自行鉴别。
3、如文档内容存在违规,或者侵犯商业秘密、侵犯著作权等,请点击“违规举报”。

碎片内容

沉井下沉封底施工方案

确认删除?
VIP
微信客服
  • 扫码咨询
会员Q群
  • 会员专属群点击这里加入QQ群
客服邮箱
回到顶部