电脑桌面
添加小米粒文库到电脑桌面
安装后可以在桌面快捷访问

旋转机械振动标准VIP免费

旋转机械振动标准_第1页
1/2
旋转机械振动标准_第2页
2/2
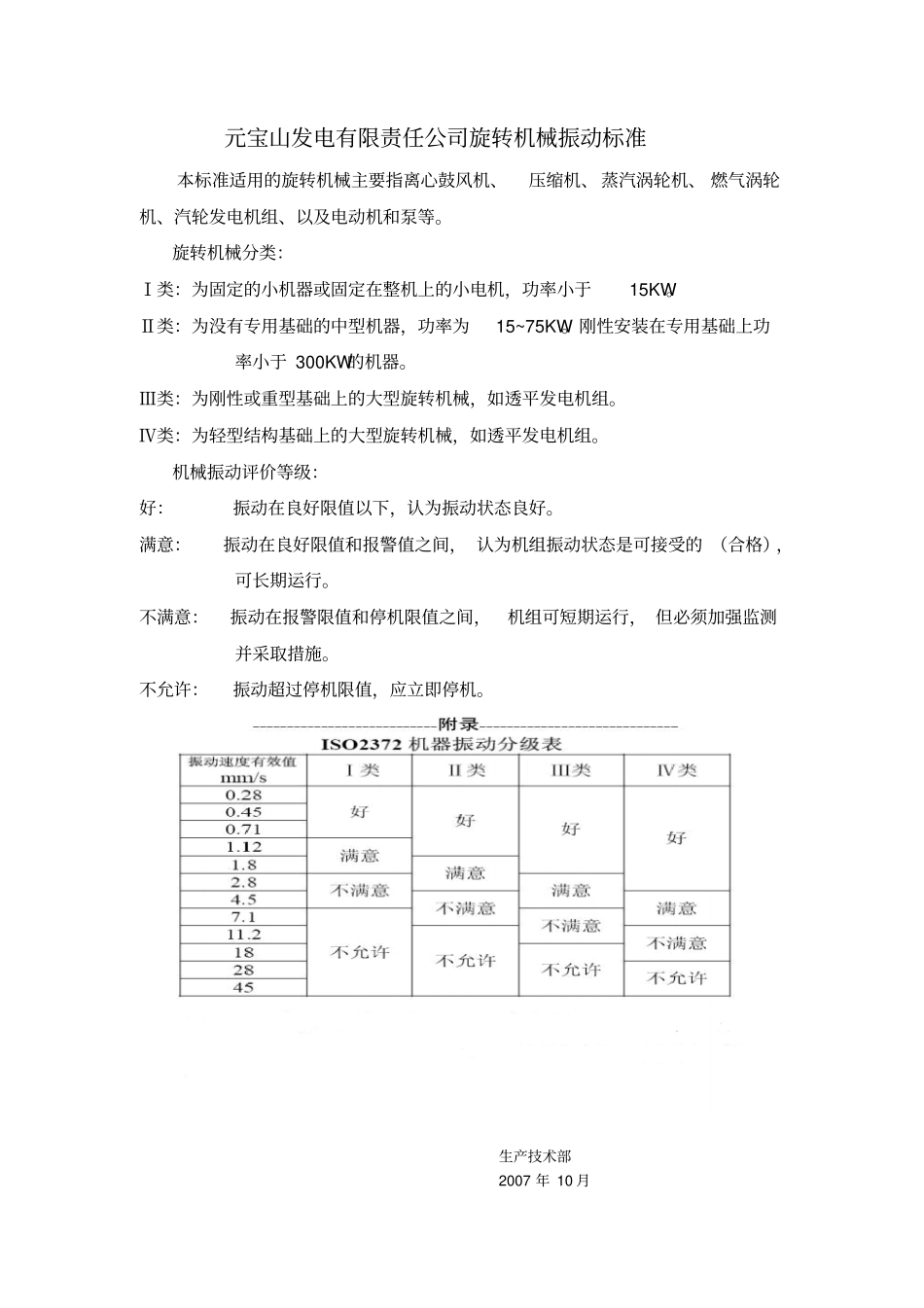
元宝山发电有限责任公司旋转机械振动标准本标准适用的旋转机械主要指离心鼓风机、压缩机、 蒸汽涡轮机、 燃气涡轮机、汽轮发电机组、以及电动机和泵等。旋转机械分类:Ⅰ类:为固定的小机器或固定在整机上的小电机,功率小于15KW。Ⅱ类:为没有专用基础的中型机器,功率为15~75KW。刚性安装在专用基础上功率小于 300KW的机器。Ⅲ类:为刚性或重型基础上的大型旋转机械,如透平发电机组。Ⅳ类:为轻型结构基础上的大型旋转机械,如透平发电机组。机械振动评价等级:好:振动在良好限值以下,认为振动状态良好。满意:振动在良好限值和报警值之间, 认为机组振动状态是可接受的 (合格),可长期运行。不满意:振动在报警限值和停机限值之间,机组可短期运行, 但必须加强监测并采取措施。不允许:振动超过停机限值,应立即停机。生产技术部2007 年 10 月元宝山发电有限责任公司旋转机械轴承温升标准轴承的正常温度因机器的热容量、散热量、转速及负载而不同,除设备说明书上特别要求以外, 旋转机械运转达到稳定状态后应符合以下标准:1、使用润滑脂的轴承,轴承温度≤55℃,最大不能超过80℃。2、使用稀油润滑的轴承,轴承温度≤65℃,最大不能超过90℃。以上标准是以输送常温介质为基础制定的,如果介质温度较高可根据实际情况相应变动。

1、当您付费下载文档后,您只拥有了使用权限,并不意味着购买了版权,文档只能用于自身使用,不得用于其他商业用途(如 [转卖]进行直接盈利或[编辑后售卖]进行间接盈利)。
2、本站所有内容均由合作方或网友上传,本站不对文档的完整性、权威性及其观点立场正确性做任何保证或承诺!文档内容仅供研究参考,付费前请自行鉴别。
3、如文档内容存在违规,或者侵犯商业秘密、侵犯著作权等,请点击“违规举报”。

碎片内容

旋转机械振动标准

您可能关注的文档

确认删除?
VIP
微信客服
  • 扫码咨询
会员Q群
  • 会员专属群点击这里加入QQ群
客服邮箱
回到顶部