电脑桌面
添加小米粒文库到电脑桌面
安装后可以在桌面快捷访问

旋转电机安装VIP免费

旋转电机安装_第1页
1/5
旋转电机安装_第2页
2/5
旋转电机安装_第3页
3/5
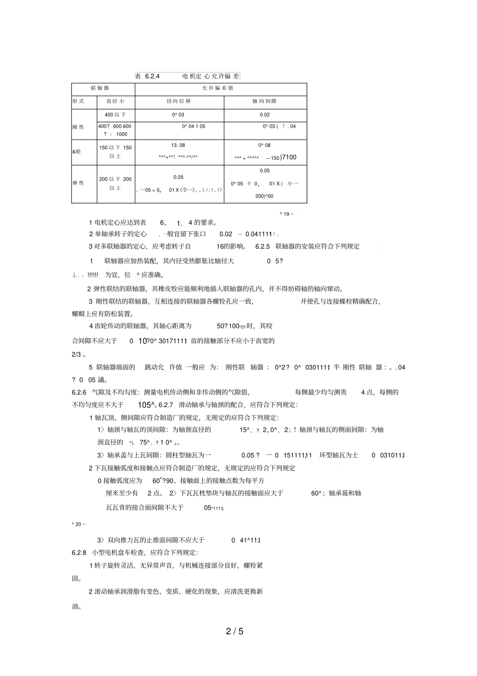
1 / 5 6 旋转电机安装6.1 主控项目6,1. 1 电机应按本规范第1 1. 5 条的规定交接试验合格。6.1.2 电机接线端子与导线端子必须紧密连接,牢固无额外张力,连接用紧固件的锁紧装置完整齐全。在电机接线盒内,裸露的不同相导线和导线对地间最小允许净距必须符合本规范附录0 的规定。6.1.3电机接地应连接紧密、牢固,截面选择正确,防腐部分涂漆无遗漏,线路走向 合理,色标准确。6.2 一 般项目6, 1. 1 混凝土基础检测:电机安装前混凝土基础应符合现行国家标准《混凝土结构工程施工质量验收规范》08 50204 的规定, 且混凝土基础的强度应达到755^以上,基础沉降稳定,标高、中心线等的标志应清楚,误差应在允许范围内,满足施工图纸的要求。6^ 1. 2 电机安装时应达到如下要求:1 基础板纵横中心线的偏差应小于IIII 。 2 基础板标高误差应小于1 出111。3 基础螺栓拧紧后,基础板的水平误差每米不大于0,15 01!!!,螺栓应露出2? 5 螺距。4 垫铁应放置在负荷集中的地方,一般在地脚螺栓两侧25001111处,其余部位距离宜为400? 700111111; 蛰铁与设备接触面不得小于垫铁面积的70^ ,每组垫铁的总数不超过五块,垫铁总厚度宜为? ^)? ^^)!!!"; 应放置平稳、紧压接触良好,点焊为一体;基础螺牷与锚板应互相垂宜,锚板与基础面应接触紧密。~ 18 ~ 5 轴承座位置正确,与基础板结合紧密,绝缘轴承座的绝缘电阻值不低于1^0 。6 两瓣定子结合部应符合电机制造规范规定。6.2.3分解式电机定子、转子检查,应符合下列规定:1 ,电机内部应清洁无杂物,通风孔道无堵塞。2 绕组连接、焊接应正确良好。3 槽楔应无断裂、凸出及松动,端部必须牢固。4 线圈绝缘层应完好,无伤痕,绑线无松动。5 磁极及铁轭、励磁线圈应紧固无松动。6 转子铁芯、轴颈、滑环和换向器等应清洁、无伤痕、无锈蚀、通风孔道无堵塞。7 转子的平衡块、平衡螺栓应锁牢,风扇方向应正确,叶片无裂纹。8 鼠笼式电机转子导电条和端环应无裂纹,焊接应良好。9 直流电机的磁极中心线与几何中心线应一致。10 电刷与换向器、粜电环接触良好。6.2.4电机定心,应符合下列规定:2 / 5 1 电机定心应达到表6,1. 4 的要求。2 单轴承转子的定心,一般宜留下张口0.02 — 0.041111!!。3 对多联轴器的定心,应考虑转子自16的影响。6.2.5联轴器的安装应符合下列规定:1 联轴器应加热装配,其内径受热膨胀比轴径大0, 5?丄 . 。!!!!!!为...

1、当您付费下载文档后,您只拥有了使用权限,并不意味着购买了版权,文档只能用于自身使用,不得用于其他商业用途(如 [转卖]进行直接盈利或[编辑后售卖]进行间接盈利)。
2、本站所有内容均由合作方或网友上传,本站不对文档的完整性、权威性及其观点立场正确性做任何保证或承诺!文档内容仅供研究参考,付费前请自行鉴别。
3、如文档内容存在违规,或者侵犯商业秘密、侵犯著作权等,请点击“违规举报”。

碎片内容

旋转电机安装

您可能关注的文档

文库当当响+ 关注
实名认证
内容提供者

该用户很懒,什么也没介绍

确认删除?
VIP
微信客服
  • 扫码咨询
会员Q群
  • 会员专属群点击这里加入QQ群
客服邮箱
回到顶部