电脑桌面
添加小米粒文库到电脑桌面
安装后可以在桌面快捷访问

三元乙丙防水施工方案VIP免费

三元乙丙防水施工方案_第1页
1/18
三元乙丙防水施工方案_第2页
2/18
三元乙丙防水施工方案_第3页
3/18
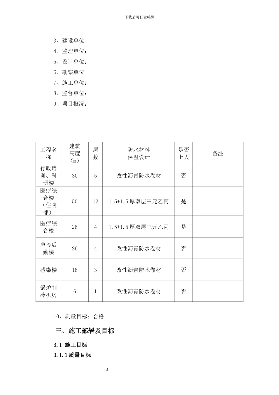
1下载后可任意编辑 精品文档下载 最新资料,word 文档,可以自由编辑!!21下载后可任意编辑【本页是封面,下载后可以删除!】屋面工程施工方案一、编制依据1.1 设计图纸建筑设计总说明肥东医院建筑图1.2 相关法律规范、规程《屋面工程质量验收法律规范》GB50207-2024《建筑工程施工质量验收统一标准》GB50300-2024《屋面工程技术法律规范》GB50345-2024《高聚物改性沥青卷材屋面防水层施工工艺标准》GY1005-1996《自粘聚合物改性沥青防水卷材》GB23441--2024《聚氨酯防水涂料》GB/T19250-2024 施工合同及经批准的单位工程施工组织设计二、工程概况1、工程名称:2、建设地点:32下载后可任意编辑3、建设单位4、监理单位:5、设计单位:6、勘察单位7、施工单位:8、监督单位:9、项目概况:工程名称建筑高度(m)层数防水材料保温设计是否上人备注行政培训、科研楼305改性沥青防水卷材否医疗综合楼(住院部)50121.5+1.5 厚双层三元乙丙是医疗综合楼2641.5+1.5 厚双层三元乙丙是急诊后勤楼264改性沥青防水卷材否感染楼163改性沥青防水卷材否锅炉制冷机房61改性沥青防水卷材否10、质量目标:合格 三、施工部署及目标3.1 施工目标3.1.1 质量目标43下载后可任意编辑全面贯彻一切从顾客利益出发、不断满足顾客要求、以人为本、信守合同、遵纪守法的经营宗旨、营造诚信、团结、高效的工作氛围,提倡积极创新、勇于负责的职业精神,坚持严谨、求实的工作作风。推动科技进步,持续改进管理方法,节能降耗,预防和减少污染,共建绿色家园,向社会提供最卓越的建筑产品,创公司品牌。质量方针:全员精品意识,全过程科学管理,创建优质工程,提供优质服务,持续改进体系,追求顾客满意。3.1.2 工期目标结合本公司实际施工能力,合理安排劳动力、材料、施工流程,确保屋面工程均在 45 日内完成(具备屋面施工条件日起算)。3.1.3 安全目标坚持“安全第一、预防为主、综合治理”安全生产方针,做到无生产安全事故、无重伤事故、无重大机械设备损害事故、无职业病事件、无食物中毒事故、无火灾事故,工伤事故控制在每月 3‰、安全教育考核 100﹪、特别工种持证 100﹪。3.1.4 环境保护管理目标固体废弃物分类处理,节约能源、资源,减少浪费,减少涂抹材料污染,降低材料消耗,严格管理易燃、易爆品、化学品,杜绝重大火灾事故,努力提高全体员工环境意识;加强管理,消除火灾、爆炸隐患,重大火灾事故发生率为零,向全体员工宣传公司的环境方...

1、当您付费下载文档后,您只拥有了使用权限,并不意味着购买了版权,文档只能用于自身使用,不得用于其他商业用途(如 [转卖]进行直接盈利或[编辑后售卖]进行间接盈利)。
2、本站所有内容均由合作方或网友上传,本站不对文档的完整性、权威性及其观点立场正确性做任何保证或承诺!文档内容仅供研究参考,付费前请自行鉴别。
3、如文档内容存在违规,或者侵犯商业秘密、侵犯著作权等,请点击“违规举报”。

碎片内容

三元乙丙防水施工方案

您可能关注的文档

确认删除?
VIP
微信客服
  • 扫码咨询
会员Q群
  • 会员专属群点击这里加入QQ群
客服邮箱
回到顶部