电脑桌面
添加小米粒文库到电脑桌面
安装后可以在桌面快捷访问

关于外墙保温防火隔离带施工方案VIP免费

关于外墙保温防火隔离带施工方案_第1页
1/3
关于外墙保温防火隔离带施工方案_第2页
2/3
关于外墙保温防火隔离带施工方案_第3页
3/3
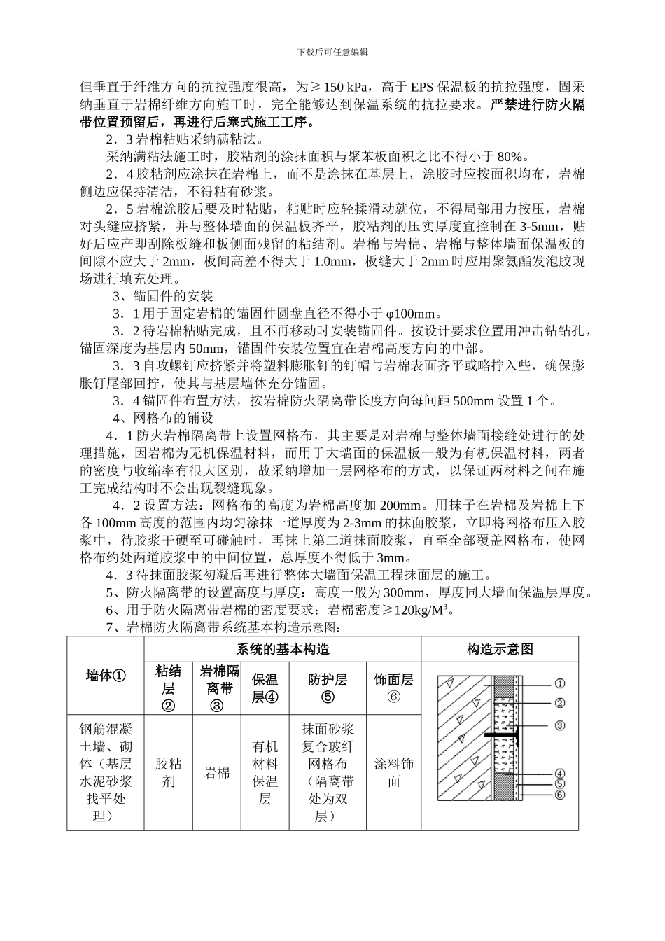
下载后可任意编辑岩棉防火隔离带施工工艺岩棉防火隔离带的施工可参照山东省工程建设标准 DBJ 14-035-2024《外墙外保温应用技术规程》(聚苯板增强网薄抹灰外墙外保温系统)施工工艺。一、施工流程图:二、施工要点:1、施工准备1.1 基层墙体找平层已完成,且达到质量标准,外墙保温板及防火隔离带及配套材料已到位。1.2 岩棉双面涂界面剂。因岩棉具有很强的憎水性,与聚合物胶浆的粘结力不强 ,为提高岩棉与基层墙体的粘结力,可在施工前涂刷界面剂进行处理,岩棉涂刷界面剂后,与基层墙体的拉拔强度可达到 0.1MPa 以上。2、岩棉与基层墙体的粘贴2.1 拌和岩棉专用粘结剂:在洁净的容器中倒入粘结砂浆 25kg,边加料边搅拌。聚合物胶浆适宜采纳机械搅拌,速度为 400rpm,直至稠浆状无需加水及其他添加物,一小时内用完。2.2 粘贴:岩棉防火隔离带的粘贴要与大墙面保温板粘贴按统一工序进行,即由下至上先进行外墙保温板的粘贴,粘贴高度达到防火隔离带位置时,再由墙体一端的阳角开始进行岩棉防火隔离带的粘贴。岩棉粘贴时按垂直于岩棉纤维的方向进行粘贴。因防火隔离带所用岩棉为摆锤法制作,平行于纤维方向的抗拉强度偏低,为≥10 kPa,基层墙体找平层已完成,且达到质量标准配专用粘结剂岩棉上抹专用粘结剂粘贴岩棉(垂直于纤维方向)涂布抹面胶浆安装锚固件聚氨脂发泡嵌缝铺设网格布涂布抹面胶浆整体墙面保温抹面层施工配抹面砂浆岩棉双面涂界面剂下载后可任意编辑但垂直于纤维方向的抗拉强度很高,为≥150 kPa,高于 EPS 保温板的抗拉强度,固采纳垂直于岩棉纤维方向施工时,完全能够达到保温系统的抗拉要求。严禁进行防火隔带位置预留后,再进行后塞式施工工序。2.3 岩棉粘贴采纳满粘法。采纳满粘法施工时,胶粘剂的涂抹面积与聚苯板面积之比不得小于 80%。2.4 胶粘剂应涂抹在岩棉上,而不是涂抹在基层上,涂胶时应按面积均布,岩棉侧边应保持清洁,不得粘有砂浆。2.5 岩棉涂胶后要及时粘贴,粘贴时应轻揉滑动就位,不得局部用力按压,岩棉对头缝应挤紧,并与整体墙面的保温板齐平,胶粘剂的压实厚度宜控制在 3-5mm,贴好后应产即刮除板缝和板侧面残留的粘结剂。岩棉与岩棉、岩棉与整体墙面保温板的间隙不应大于 2mm,板间高差不得大于 1.0mm,板缝大于 2mm 时应用聚氨酯发泡胶现场进行填充处理。3、锚固件的安装3.1 用于固定岩棉的锚固件圆盘直径不得小于 φ100mm。3.2 待岩棉粘贴完成,且不再移动时安装...

1、当您付费下载文档后,您只拥有了使用权限,并不意味着购买了版权,文档只能用于自身使用,不得用于其他商业用途(如 [转卖]进行直接盈利或[编辑后售卖]进行间接盈利)。
2、本站所有内容均由合作方或网友上传,本站不对文档的完整性、权威性及其观点立场正确性做任何保证或承诺!文档内容仅供研究参考,付费前请自行鉴别。
3、如文档内容存在违规,或者侵犯商业秘密、侵犯著作权等,请点击“违规举报”。

碎片内容

关于外墙保温防火隔离带施工方案

确认删除?
VIP
微信客服
  • 扫码咨询
会员Q群
  • 会员专属群点击这里加入QQ群
客服邮箱
回到顶部