电脑桌面
添加小米粒文库到电脑桌面
安装后可以在桌面快捷访问

医院污水处理设计施工方案VIP免费

医院污水处理设计施工方案_第1页
1/22
医院污水处理设计施工方案_第2页
2/22
医院污水处理设计施工方案_第3页
3/22
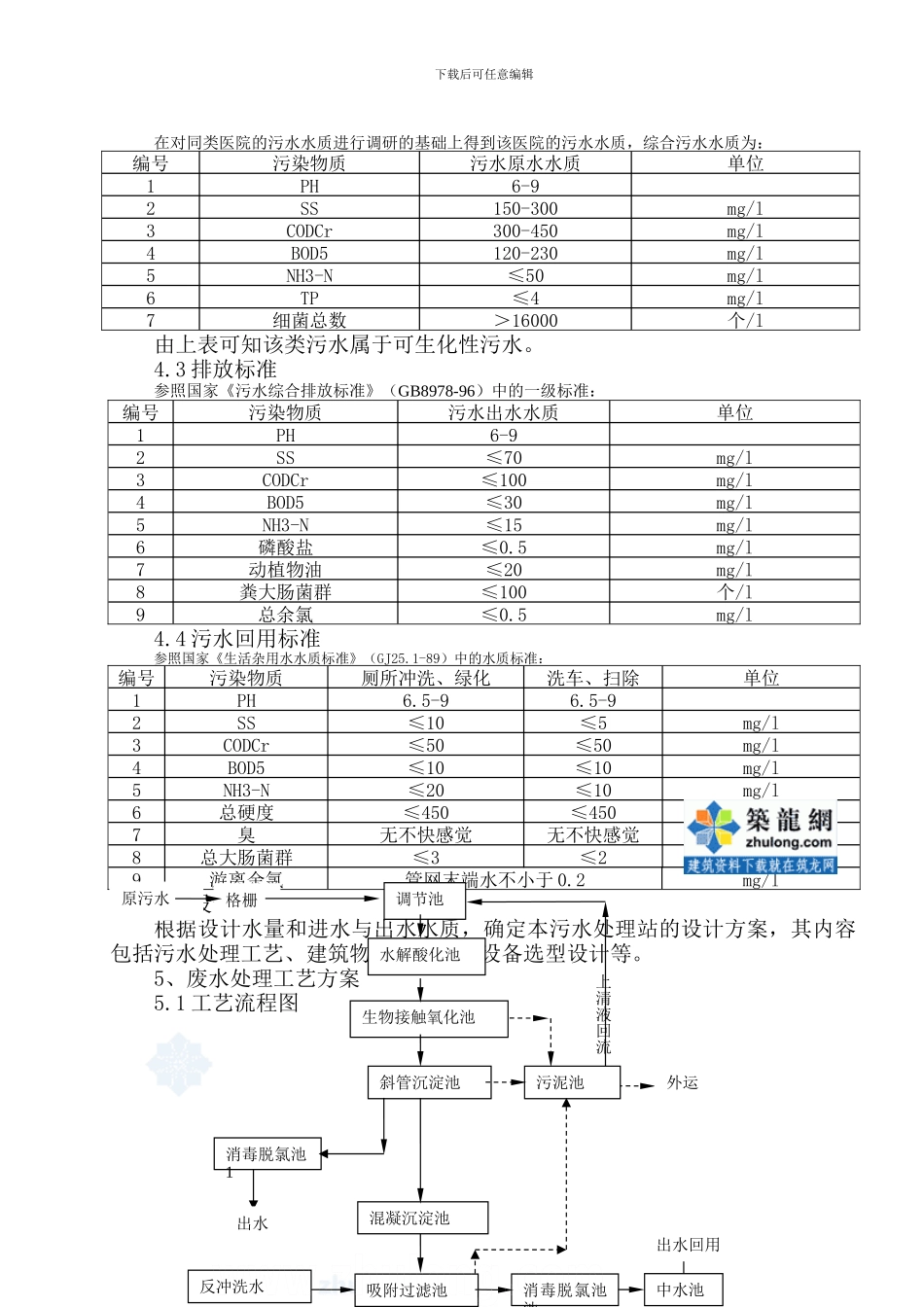
下载后可任意编辑医院污水处理设计施工方案1、概述本工程为医院综合楼的配套工程,该综合楼主体工程估计于 年 月开工, 年 月完成主体结构工程。由于该工程的环境影响评价书已经评审通过。根据环境评价报告书,拟建的污水处理厂规模为 680m3/d,位于医院现有的污水处理站处。一般医院污水由来自住院部、门诊室、实(化)验室、食堂、浴室、卫生间、试剂室、洗衣房等场所排放的污水组成。该污水是一种低浓度污水,水质与一般生活污水类似,其中除含有有机的和无机的污染物,如各种药物、消毒剂、解剖遗弃物等污染物,还含有大量病菌、病毒和寄生虫,成份较为复杂。该废水如未经处理而直接排入水体,会对周围水域及土壤等造成较严重的污染,从而危害人们的日常生活。因此,根据国家环境保护法及相关法律法规,结合该医院污水处理的特点和地理条件,某公司充分地掌握了该医院的综合楼工程及配套的污水站地址,并在参照同类医院的污水水质水量变化的基础上,编制了该院污水二级处理工程方案。2.设计原则1)遵守国家对环境保护、医院污水治理的制定的法规、标准及法律规范,服从医院的总体规划,执行各种相关的标准和规定。2)因地制宜地选用污水处理工艺,做到技术先进、有用、安全可靠、处理效果稳定,经处理后水质达标,并减少占地面积。3)在达标排放的基础上,在供水日趋紧张,用水费用不断上涨的情况下,考虑中水回用。4)尽可能地减少污水处理厂对周围环境的不良影响,防止二次污染。5)适当地考虑自动化操作,以简化操作管理和减轻工人的劳动强度,并易于维护保养。6)节约能源,最大限度降低运行费用,工程投资少,占地面积小,见效快。7)尽量采纳新材料、新产品以延长设备的使用寿命3.设计标准和法律规范1)、《污水综合排放标准》(GB8978-1996);2)、《医院污水处理设计法律规范》(CECS07:88);3)、《室外排水设计法律规范》(GBJ14-87);4)、《建筑给水排水设计法律规范》(GBJ15-88);5)、《城市区域环境噪音标准》(GB3096-93)6)、《给排水工程结构设计法律规范》(GBJ69--84)7)、《生活杂用水水质标准》(GJ25.1-89)8)、《建筑中水设计法律规范》(CESS30:91)4、基础资料4.1 设计水量:处理水量为 680m3/d。4.2 进水水质1下载后可任意编辑在对同类医院的污水水质进行调研的基础上得到该医院的污水水质,综合污水水质为:编号污染物质污水原水水质单位1PH6-92SS150-300mg/l3CODCr300-450mg/l4BOD5120-230mg/l...

1、当您付费下载文档后,您只拥有了使用权限,并不意味着购买了版权,文档只能用于自身使用,不得用于其他商业用途(如 [转卖]进行直接盈利或[编辑后售卖]进行间接盈利)。
2、本站所有内容均由合作方或网友上传,本站不对文档的完整性、权威性及其观点立场正确性做任何保证或承诺!文档内容仅供研究参考,付费前请自行鉴别。
3、如文档内容存在违规,或者侵犯商业秘密、侵犯著作权等,请点击“违规举报”。

碎片内容

医院污水处理设计施工方案

一帆文传+ 关注
实名认证
内容提供者

欢迎光临店铺,各类公文供您挑选。

确认删除?
VIP
微信客服
  • 扫码咨询
会员Q群
  • 会员专属群点击这里加入QQ群
客服邮箱
回到顶部