电脑桌面
添加小米粒文库到电脑桌面
安装后可以在桌面快捷访问

地面防水施工工艺措施VIP专享VIP免费

地面防水施工工艺措施_第1页
1/6
地面防水施工工艺措施_第2页
2/6
地面防水施工工艺措施_第3页
3/6
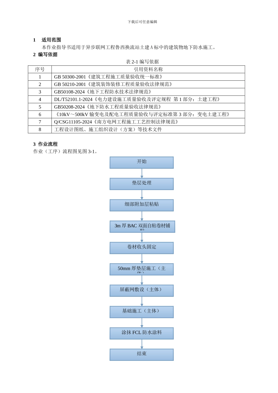
下载后可任意编辑目 次1 适用范围…………………………………………………………………………………...12 编写依据……………………………………………………………………………………13 作业流程……………………………………………………………………………………14 工作前安全风险辨析及控制措施……………………………………………………….. .25 作业准备……………………………………………………………………………………26 作业方法……………………………………………………………………………………37 质量控制措施及检验标准…………………………………………………………………58 环境及职业健康控制措施…………………………………………………………………5下载后可任意编辑1适用范围本作业指导书适用于异步联网工程鲁西换流站土建 A 标中的建筑物地下防水施工。2 编写依据表 2-1 编写依据序号引用资料名称1GB 50300-2001《建筑工程施工质量验收统一标准》2GB 50210-2001《建筑装饰装修工程质量验收法律规范》3GB50108-2024《地下工程防水技术法律规范》 4DL/T52101.1-2024《电力建设施工质量验收及评定规程 第 1 部分:土建工程》5GB50208-2024《地下防水工程质量验收法律规范》 6《10kV~500kV 输变电及配电工程质量验收与评定标准第 3 部分:变电土建工程》7Q/CSG11105-2024《南方电网工程施工工艺控制法律规范》8工程设计图纸、施工组织设计(方案)等技术文件3 作业流程作业(工序)流程图见图 3-1。开始垫层处理细部附加层粘贴3m 厚 BAC 双面自粘卷材铺贴卷材收头固定50mm 厚垫层施工(主体)屏蔽网敷设(主体)基础施工(主体)涂抹 FCL 防水涂料结束下载后可任意编辑图 3-1 作业(工序)流程图4安全风险辨析及预控4.1 地下防水施工作业前,施工项目部根据该项目作业任务、施工条件,参照《电网建设施工安全基准风险指南》(下简称《指南》)开展针对性安全风险评估工作,形成该任务的风险分析表。4.2 按《指南》中与防水作业相关联的《电网建设安全施工作业票(应用版)》,结合现场实际情况进行差异化分析,确定风险等级,现场技术员填写安全施工作业票,安全员审核,施工负责人签发。4.3 施工负责人核对风险控制措施,并在日站班会上对全体作业人员进行安全交底,接受交底的作业人员负责将安全措施落实到各作业任务和步骤中。4.4 安全施工作业票由施工负责人现场持有,工作内容、...

1、当您付费下载文档后,您只拥有了使用权限,并不意味着购买了版权,文档只能用于自身使用,不得用于其他商业用途(如 [转卖]进行直接盈利或[编辑后售卖]进行间接盈利)。
2、本站所有内容均由合作方或网友上传,本站不对文档的完整性、权威性及其观点立场正确性做任何保证或承诺!文档内容仅供研究参考,付费前请自行鉴别。
3、如文档内容存在违规,或者侵犯商业秘密、侵犯著作权等,请点击“违规举报”。

碎片内容

地面防水施工工艺措施

确认删除?
VIP
微信客服
  • 扫码咨询
会员Q群
  • 会员专属群点击这里加入QQ群
客服邮箱
回到顶部