电脑桌面
添加小米粒文库到电脑桌面
安装后可以在桌面快捷访问

安保体系台帐VIP免费

安保体系台帐_第1页
1/37
安保体系台帐_第2页
2/37
安保体系台帐_第3页
3/37
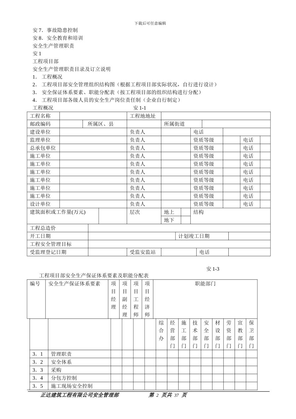
下载后可任意编辑建筑施工现场安全生产保证体系的建立和实施——建筑施工现场安全生产保证体系管理资料(施工场地安全管理台帐)施工现场安全生产保证体系管理资料(施工场地安全管理台帐)工程名称 总(承包单位) 建设单位 监理单位 建设工程安全监督总站编制编制说明 施工现场安全生产保证体系管理资料(即施工场地安全管理台帐)是在已沿用近十年的原施工场地安全管理 20 本资料(台帐)的基础上,总结、概括了本市建设工程施工安全管理的长期经验,并依据安全保证体系标准要求制定的。一年多来,本管理资料在修定过程中,征求和听取了本市及外省市部分建筑企业等有关单位意见又参照国内外较先进施工企业的安全管理资料,经过上下多次讨论,反复修改,特别是结合了建设部新颁发的 JGJ59-99《建筑施工安全检查标准》的要求,逐项逐条地地排列出施工现场安全管理控制点,设计出相应的检查验收表式,使本资料内容更趋完善。 本管理资料适用范围:按《上海市建设工程施工安全监督管理办法》(市政府 1996 年第 31 号令)第二条规定,凡在本市范围内的新建、改建、扩建的各类建设工程。自 2000 年元月 1 日起,新开工的建设工程均应使用本管理资料。在建立本资料的基础上,各单位在施工现场安全管理上有深化或细化管理要求的(包括特别类的其他工程),可增加各自相关的管理要求。 安全管理资料是证明施工现场满足安全要求程度并提供客观证据的文件,因此,各施工现场要仔细根据《施工现场安全生产保证体系的建立和实施》这文章中附录 6“施工现场安全保证体系管理资料填制说明”要求填写。 施工场地安全管理资料的记录正确与及时,体现了企业对工程项目的安全管理能力,它是施工现场实行全过程安全管理的主要痕迹。因此,施工场地安全管理资料是政府及行业管理部门对施工企业和工程项目开展安全检查、进行安全生产管理考核的主要内容,也是平常安全监督活动中的具体对象。 启用新的施工场地安全管理资料将成为推动 JGJ59-99《建筑施工安全检查标准》实施的有力措施和手段,也为进一步全面推动施工现场安全生产保证体系,健全施工现场长效安全管理机制、使现场安全管理逐步走向法律规范化、有序化打下基础。 本管理资料在编制过程中得到了诸多同行和专家的指导、帮助。在此对他们深表感谢。 本资料由陈士良、刘军、张国琮主审、姜敏主编,徐福康、蔡崇民、戚耀奇、刘震、余康华、叶伯铭等同志参加编写。 1999 年 12 月...

1、当您付费下载文档后,您只拥有了使用权限,并不意味着购买了版权,文档只能用于自身使用,不得用于其他商业用途(如 [转卖]进行直接盈利或[编辑后售卖]进行间接盈利)。
2、本站所有内容均由合作方或网友上传,本站不对文档的完整性、权威性及其观点立场正确性做任何保证或承诺!文档内容仅供研究参考,付费前请自行鉴别。
3、如文档内容存在违规,或者侵犯商业秘密、侵犯著作权等,请点击“违规举报”。

碎片内容

安保体系台帐

您可能关注的文档

阳光书坊+ 关注
实名认证
内容提供者

阳光书坊,传播未来

确认删除?
VIP
微信客服
  • 扫码咨询
会员Q群
  • 会员专属群点击这里加入QQ群
客服邮箱
回到顶部