电脑桌面
添加小米粒文库到电脑桌面
安装后可以在桌面快捷访问

屋面与防水工程施工实训项目任务书指导书VIP免费

屋面与防水工程施工实训项目任务书指导书_第1页
1/9
屋面与防水工程施工实训项目任务书指导书_第2页
2/9
屋面与防水工程施工实训项目任务书指导书_第3页
3/9
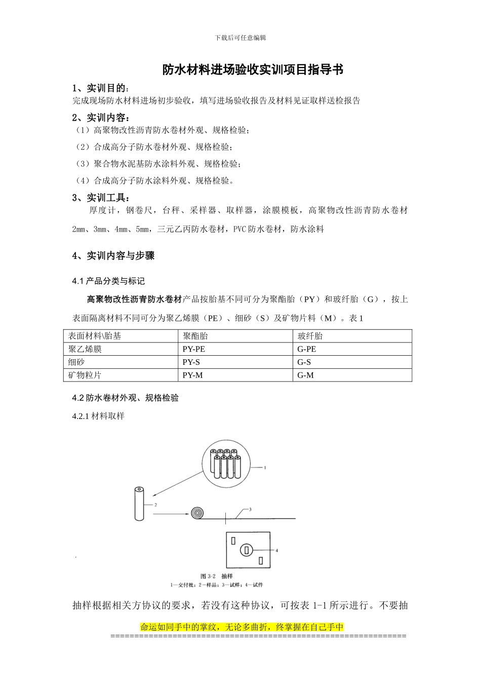
下载后可任意编辑本页为作品封面,下载后可以自由编辑删除,欢迎下载!!! 精 品文档1【精品 word 文档、可以自由编辑!】防水材料进场验收实训项目任务书根据建筑工程技术专业屋面与防水工程施工实训项目标准制订本任务书。一、项目实训目的防水材料进场验收实训是屋面与防水工程教学的一个重要环节,其目的是使学生在获得基本知识的基础上,进行一次较全面、系统的训练,以巩固课堂所学知识及提高操作技能。培育学生独立工作和解决实际问题的能力。培育学生严肃仔细、实事求是、一丝不苟的实践科学态度。培育吃苦耐劳、爱护仪器用具、相互协作的职业道德。二、项目实训目标1、熟悉防水材料进场验收的项目及试验操作2、正确填写防水材料进场验收报告命运如同手中的掌纹,无论多曲折,终掌握在自己手中==============================================================下载后可任意编辑三、实训所需主要资料1、GB/T328.7,8,9,10,13,15,19,27-2024 建筑防水卷材试验方法2、GB/T18242-2024 弹性体改性沥青防水卷材3、GB/T12952-2024 聚氯乙烯防水卷材4、JC/T645-1991 三元乙丙防水卷材5、GB/23445-2024 聚合物水泥防水涂料6、GB/T19250-2024 聚氨酯防水涂料四、实训内容1、防水材料进场验收项目2、填写防水材料进场验收报告3、填写防水材料送样复检单五、实训提交成果要求1、防水材料进场验收报告2、防水材料送样复检单六、实训要求1、根据老师安排的防水材料进行抽样,材料的质量合格证、出厂检验报告检验。2、进行防水卷材的产品分类与标记、取样、厚度、面积及卷重、长度、宽度、平直度及平整度测定检验。3、进行防水材料的送样七、实训时间安排根据授课内容,安排 2 学时实训八、实训考核方法与评分标准1、评价方式:汇报及答辩、老师评价的方式,以操作过程考核为主;占 50%2、考核标准:技术资料完整,填写法律规范;操作过程法律规范性;质量检验的法律规范性和正确性;团队协作精神(50%)。命运如同手中的掌纹,无论多曲折,终掌握在自己手中==============================================================下载后可任意编辑防水材料进场验收实训项目指导书1、实训目的:完成现场防水材料进场初步验收,填写进场验收报告及材料见证取样送检报告2、实训内容:(1)高聚物改性沥青防水卷材外观、规格检验;(2)合成高分子防水卷材外观、规格检验;(3)聚合物水泥基防水涂料外观、规格检验;(4)合成高分子防水涂料外...

1、当您付费下载文档后,您只拥有了使用权限,并不意味着购买了版权,文档只能用于自身使用,不得用于其他商业用途(如 [转卖]进行直接盈利或[编辑后售卖]进行间接盈利)。
2、本站所有内容均由合作方或网友上传,本站不对文档的完整性、权威性及其观点立场正确性做任何保证或承诺!文档内容仅供研究参考,付费前请自行鉴别。
3、如文档内容存在违规,或者侵犯商业秘密、侵犯著作权等,请点击“违规举报”。

碎片内容

屋面与防水工程施工实训项目任务书指导书

您可能关注的文档

确认删除?
VIP
微信客服
  • 扫码咨询
会员Q群
  • 会员专属群点击这里加入QQ群
客服邮箱
回到顶部