电脑桌面
添加小米粒文库到电脑桌面
安装后可以在桌面快捷访问

建筑施工企业安全管理动态考核标准VIP免费

建筑施工企业安全管理动态考核标准_第1页
1/19
建筑施工企业安全管理动态考核标准_第2页
2/19
建筑施工企业安全管理动态考核标准_第3页
3/19
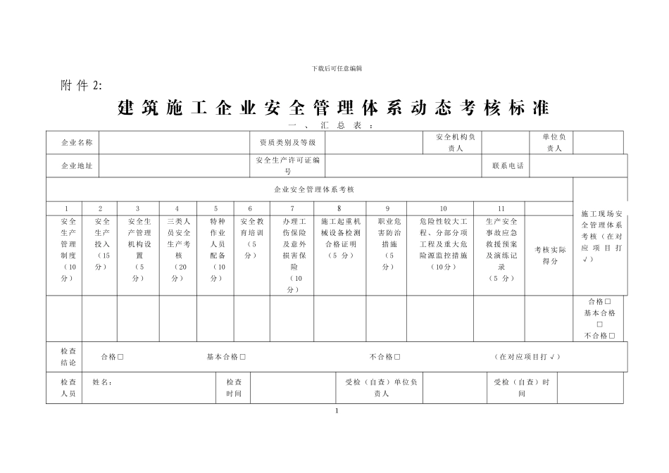
下载后可任意编辑附 件 2:建 筑 施 工 企 业 安 全 管 理 体 系 动 态 考 核 标 准一、汇总表:企业名称资质类别及等级安全机构负责人单位负责人企业地址安全生产许可证编号联系电话企业安全管理体系考核施 工 现 场 安全 管 理 体 系考 核 ( 在 对应 项 目 打√)1234567891011安全生产管理制度(10分)安全生产投入(15分)安全生产管理机构设置(5分)三类人员安全生产考核(20分)特种作业人员配备(10分)安全教育培训(5分)办理工伤保险及意外损害保险(10分)施工起重机械设备检测合格证明(5 分)职业危害防治措施(5分)危险性较大工程、分部分项工程及重大危险源监控措施(10分)生产安全事故应急救援预案及演练记录(5 分)考核实际得分合格□基本合格□不合格□检查结论合格□ 基本合格□ 不合格□ (在对应项目打√)检查人员姓名:检查时间受检(自查)单位负责人受检(自查)时间1下载后可任意编辑(主管部门)执法证书编号: 年 月 日(签字) 年 月 日姓名:(主管部门)执法证书编号:考核评分说明1 、 此 表 及 以 下 表 格 可 作 为 企 业 自 查 使 用 , 也 可 作 为 主 管 部 门 抽 查 使 用 。企 业 安 全 管 理 体 系 对 应 11 个 分 表 , 考 核 结 果 汇 总 所 得 分 值 , 作 为 企 业 安 全 管 理体 系 考 核 的 依 据 。 结 合 施 工 现 场 安 全 管 理 体 系 考 核 结 果 , 确 定 企 业 安 全 管 理 动态 考 核 结 果 。此 表 及 以 下 表 格 可 作 为 企 业 自 查 使 用 , 也 可 作 为 主 管 部 门 抽 查 使 用 。 企 业安 全 管 理 体 系 动 态 考 核 对 应 11 个 分 表 , 考 核 结 果 汇 总 所 得 分 值 。 考 核 实 际 得 分85 分 ( 含 ) 以 上 为 合 格 , 考 核 实 际 得 分 70 分 ( 含 ) 至 85 分 ( 不 含 ) 为 基 本 合 格 ,考 核 实 际 得 分 70 分 ( 不 含 ) 以 下 为 不 合 格 。2 、 企 业 安 全 管 理 体 系 动 态 考 核 汇 总 得 分 计 算 方 法 ( 考 核 计 分 采 纳 百 分 制 )( 1 ) 各 分 表 中 20 分 ( 含 ) 以 上 项 目 为 主 要 评 价...

1、当您付费下载文档后,您只拥有了使用权限,并不意味着购买了版权,文档只能用于自身使用,不得用于其他商业用途(如 [转卖]进行直接盈利或[编辑后售卖]进行间接盈利)。
2、本站所有内容均由合作方或网友上传,本站不对文档的完整性、权威性及其观点立场正确性做任何保证或承诺!文档内容仅供研究参考,付费前请自行鉴别。
3、如文档内容存在违规,或者侵犯商业秘密、侵犯著作权等,请点击“违规举报”。

碎片内容

建筑施工企业安全管理动态考核标准

确认删除?
VIP
微信客服
  • 扫码咨询
会员Q群
  • 会员专属群点击这里加入QQ群
客服邮箱
回到顶部