电脑桌面
添加小米粒文库到电脑桌面
安装后可以在桌面快捷访问

扬中三桥水上钢管桩施工方案VIP免费

扬中三桥水上钢管桩施工方案_第1页
1/17
扬中三桥水上钢管桩施工方案_第2页
2/17
扬中三桥水上钢管桩施工方案_第3页
3/17
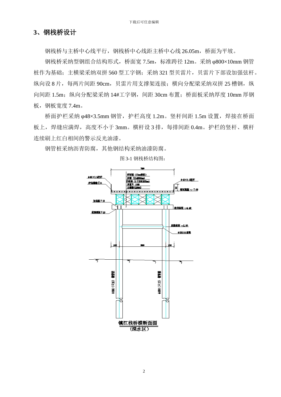
下载后可任意编辑1、工程概况镇江新区金港大道至扬中快速通道工程,为扬中至镇江直达通道(夹江大桥及其连接线),项目路线起自金港大道与大姚线相交处,以直角跨过长江夹江,跨过夹江后继续向东北,绕过天意生物能源有限公司,穿过华扬新村四区,顺接已建外环南路,终点桩号 K6+036.154,路线全长 6.036km。桥梁全长 2235.1m,桥梁起点里程:K1+878.9,终点里程:K4+114.0。路线基本呈南-东北走向。跨江大桥主跨采纳 75+4×125+75m 变截面预应力混凝土连续箱梁,桥长 650m。为进行水中墩施工,拟分别从扬中、镇江长江大堤向江中搭设钢栈桥,桥面宽度7m。20#墩和 21#墩之间预留临时通航孔。镇江侧长江大堤里程桩号为 K2+580,扬中侧长江大堤里程桩号为 K3+400。2、编制依据(1)现场踏勘所获得的工程地质、水文地质、当地资源、交通状况及施工环境等调查资料;(2)国家及地方关于安全生产及环境保护等方面的法律法规;(3)《钢结构设计法律规范》;(4)为完成本工程拟投入的施工管理、专业技术人员、机械设备等资源;(5)镇江新区金港大道至扬中快速通道工程(K1+879.900-K6+036.154)全长 4.156公里施工图设计(共七册)。(6)江苏省交通规划设计院有限公司提供的地质资料。(7)《中华人民共和国内河交通安全管理条例》(国务院【2024】第 355 号令);(8)《中华人民共和国内河避碰规则》(交通部令【1991】30 号);(9)《中华人民共和国水上水下施工作业通航安全管理规定》(交通部令【1999】第 4 号;(10)《中华人民共和国海事行政许可条件规定》(交通部令 2024 年第 1 号);(11)《中华人民共和国防止船舶污染内河水域环境管理规定》(交通部令【2024】11 号);1下载后可任意编辑3、钢栈桥设计钢栈桥与主桥中心线平行,钢栈桥中心线距主桥中心线 26.05m,桥面为平坡。钢栈桥采纳型钢组合结构形式,桥面宽 7.5m,标准跨径 12m。采纳 φ800×10mm 钢管桩作为基础;主横梁采纳双拼 560 型工字钢;采纳 321 型贝雷片,贝雷片下部设加强弦杆。纵向设 8 片,每两片间距 90cm,贝雷片用支撑架连接;横向分配梁采纳双拼 25 槽钢,纵向间距 1.5m;纵向分配梁采纳 14#工字钢,间距 30cm 布置;桥面板采纳厚度 10mm 厚钢板,钢板宽度 7.4m。桥面护栏采纳 φ48×3.5mm 钢管,护栏高度 1.2m。竖杆间距 1.5m 设置,焊接在桥面板上,焊缝应满焊,高度不小于 3mm。横杆设 3 排,每排间距 0....

1、当您付费下载文档后,您只拥有了使用权限,并不意味着购买了版权,文档只能用于自身使用,不得用于其他商业用途(如 [转卖]进行直接盈利或[编辑后售卖]进行间接盈利)。
2、本站所有内容均由合作方或网友上传,本站不对文档的完整性、权威性及其观点立场正确性做任何保证或承诺!文档内容仅供研究参考,付费前请自行鉴别。
3、如文档内容存在违规,或者侵犯商业秘密、侵犯著作权等,请点击“违规举报”。

碎片内容

扬中三桥水上钢管桩施工方案

一帆文传+ 关注
实名认证
内容提供者

欢迎光临店铺,各类公文供您挑选。

确认删除?
VIP
微信客服
  • 扫码咨询
会员Q群
  • 会员专属群点击这里加入QQ群
客服邮箱
回到顶部