电脑桌面
添加小米粒文库到电脑桌面
安装后可以在桌面快捷访问

通信光缆线路工程施工技术要求VIP免费

通信光缆线路工程施工技术要求_第1页
1/6
通信光缆线路工程施工技术要求_第2页
2/6
通信光缆线路工程施工技术要求_第3页
3/6
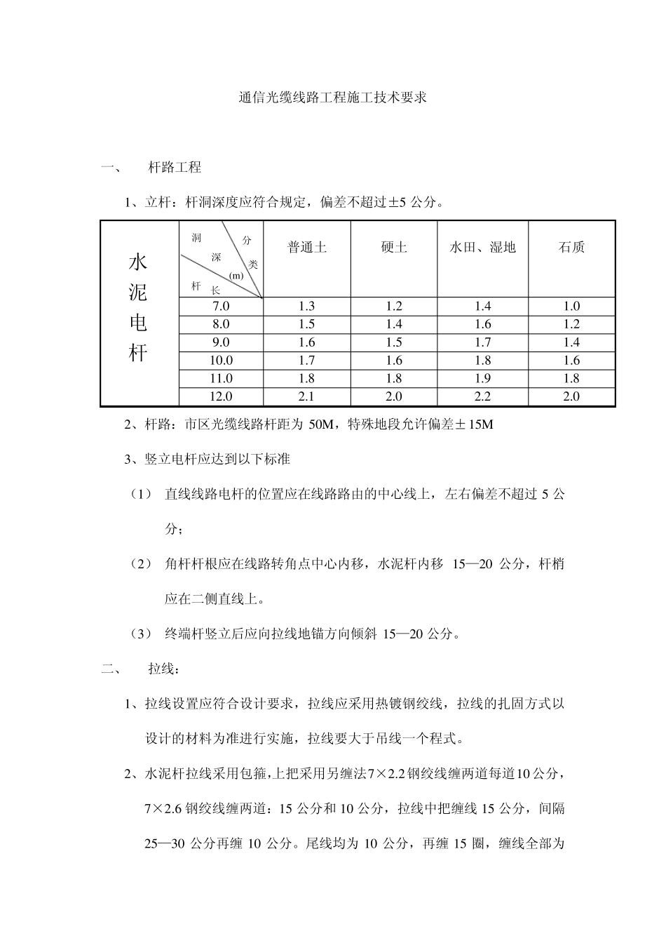
通信光缆线路工程施工技术要求 一、 杆路工程 1、立杆:杆洞深度应符合规定,偏差不超过±5 公分。 水 泥 电 杆 普通土 硬土 水田、湿地 石质 7.0 1.3 1.2 1.4 1.0 8.0 1.5 1.4 1.6 1.2 9.0 1.6 1.5 1.7 1.4 10.0 1.7 1.6 1.8 1.6 11.0 1.8 1.8 1.9 1.8 12.0 2.1 2.0 2.2 2.0 2、杆路:市区光缆线路杆距为 50M,特殊地段允许偏差±15M 3、竖立电杆应达到以下标准 (1) 直线线路电杆的位置应在线路路由的中心线上,左右偏差不超过5 公分; (2) 角杆杆根应在线路转角点中心内移,水泥杆内移 15—20 公分,杆梢应在二侧直线上。 (3) 终端杆竖立后应向拉线地锚方向倾斜 15—20 公分。 二、 拉线: 1、拉线设置应符合设计要求,拉线应采用热镀钢绞线,拉线的扎固方式以设计的材料为准进行实施,拉线要大于吊线一个程式。 2、水泥杆拉线采用包箍,上把采用另缠法7×2.2钢绞线缠两道每道10公分,7×2.6 钢绞线缠两道:15 公分和 10 公分,拉线中把缠线15 公分,间隔25—30 公分再缠 10 公分。尾线均为 10 公分,再缠 15 圈,缠线全部为分 类 洞 深 (m) 杆 长 3.0 热镀锌钢线。 3、拉线抱箍水泥杆顶0.5M,拉距与拉高为1:1,(地锚柄出土到杆)拉线地锚柄为2.1×¢16 埋深 1.6M,出土长度 0.3M,地锚埋设应在开出土斜槽,与拉线上把成直线,地锚出土位置要正确,偏差不超过 5 公分。 吊板拉线要符合规范要求,墙壁拉线的拉攀距墙角应不小于 25 公分,距抢墒沿不小于 40 公分(不允许打在墙顶上)。 落地拉线做好后,应加警示标志。 撑杆底部要加托盘。 4、避雷线,拉线式避雷线应用 4.0 镀锌钢线,伸出杆顶10 公分,用 3.0 铁线扎 4 圈固定,经包箍内侧后缠在拉线上。直接入地式避雷线,经拉线包箍内侧经吊线至杆根与地线棒连接牢固,地线棒须开挖 70 公分深,然后将地线棒打到底后回土埋实。避雷线设置位置应按设计要求,吊线接地按设计要求做。 三、 架空吊线 1、吊线抱箍距杆顶的距离应符合设计要求一般情况距杆顶不应小于 50 公分,特殊情况下不应小于 25 公分,吊线抱箍应在拉线抱箍和撑杆撑点的下方。 2、吊线在电杆上在一个中继段(基站到基站)面向应保持一致。 3、吊线在各电杆上的位置宜与地面等距,坡度变化一般不宜超过杆距的2.5%,在特殊情况下当吊线坡度变更为杆距5%~10%时,吊线应加装仰角辅助装置或加装俯角辅助装...

1、当您付费下载文档后,您只拥有了使用权限,并不意味着购买了版权,文档只能用于自身使用,不得用于其他商业用途(如 [转卖]进行直接盈利或[编辑后售卖]进行间接盈利)。
2、本站所有内容均由合作方或网友上传,本站不对文档的完整性、权威性及其观点立场正确性做任何保证或承诺!文档内容仅供研究参考,付费前请自行鉴别。
3、如文档内容存在违规,或者侵犯商业秘密、侵犯著作权等,请点击“违规举报”。

碎片内容

通信光缆线路工程施工技术要求

确认删除?
VIP
微信客服
  • 扫码咨询
会员Q群
  • 会员专属群点击这里加入QQ群
客服邮箱
回到顶部