电脑桌面
添加小米粒文库到电脑桌面
安装后可以在桌面快捷访问

道路施工技术规范VIP专享VIP免费

道路施工技术规范_第1页
1/95
道路施工技术规范_第2页
2/95
道路施工技术规范_第3页
3/95
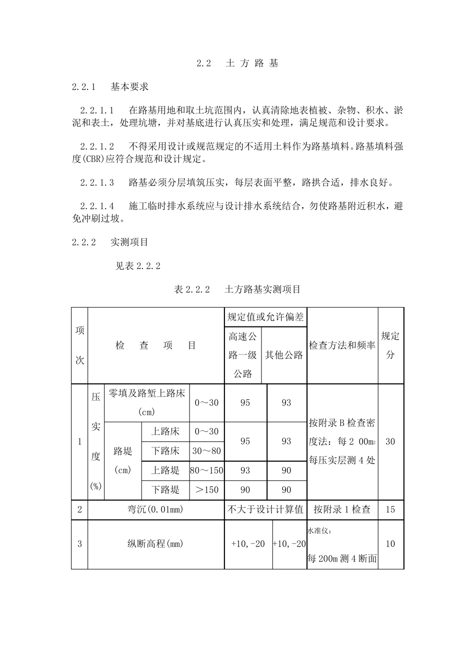
2.2 土 方 路 基 2.2.1 基本要求 2.2.1.1 在路基用地和取土坑范围内,认真清除地表植被、杂物、积水、淤泥和表土,处理坑塘,并对基底进行认真压实和处理,满足规范和设计要求。 2.2.1.2 不得采用设计或规范规定的不适用土料作为路基填料。路基填料强度(CBR)应符合规范和设计规定。 2.2.1.3 路基必须分层填筑压实,每层表面平整,路拱合适,排水良好。 2.2.1.4 施工临时排水系统应与设计排水系统结合,勿使路基附近积水,避免冲刷过坡。 2.2.2 实测项目 见表2.2.2 表2.2.2 土方路基实测项目 项 次 检 查 项 目 规定值或允许偏差 检查方法和频率 规定分 高速公路一级公路 其他公路 1 压 实 度 (%) 零填及路堑上路床(cm) 0~30 95 93 按附录 B 检查密度法:每 2 00m2每压实层测 4 处 30 路堤(cm) 上路床 0~30 95 93 下路床 30~80 上路堤 80~150 93 90 下路堤 >150 90 90 2 弯沉(0.01mm) 不大于设计计算值 按附录 1 检查 15 3 纵断高程(mm) +10,-20 +10,-20 水准仪: 每 200m 测 4 断面 10 4 中线偏位(mm) 50 100 经纬仪:每200m测4 点,弯道加HY、YH 两点 10 5 宽 度(mm) 不小于设计值 米尺:每200m 测4 处 10 6 平 整 度(mm) 15 20 3m 直尺:每200m测4 处×3 尺 15 7 横 坡(%) ±0.5 ±0.5 水准仪:每200m测4 个断面 5 8 边 坡 不陡于设计值 抽查每200m 测4处 5 注:①压实度检查深度从路床顶面算起。桥台、涵洞、锥坡、挡土墙等背后填土及 其他关键部位应增加压实度的检查频率。 ②采用核子仪检验压实度时应进行标定试验,确认其可靠性。 ③表列压实度以重型击实试验法为准,评定路段内的压实度下置信界限不得小地规定标准,单个测定值不得小于极值(表列规定值减 5 个百分点)。小于表列规定值2~5 个百分点的测点,按其数量占总检查点的百分率计算扣分值。 ④特殊干旱、特殊潮湿地区或过湿土,以及铺筑中、低级路面的三、四级公路路基,可按交通部颁发的路基设计、施工规范所规定的压实度标准进行评定。 2.2.3 外观鉴定 2.2.3.1 路基表面平整,边线直顺。不符合 要 求 时,单向 累 计长 度每50m 减1~2 分。 2.2.3.2 路基边坡坡面平顺稳 定、不得亏 坡,曲 线圆 滑 。不符合 要 求 时,单向 累 计长 度每50m 减 1~2 分。 2.2.3.3 取 土坑 、弃 土堆 、护 坡道、碎 ...

1、当您付费下载文档后,您只拥有了使用权限,并不意味着购买了版权,文档只能用于自身使用,不得用于其他商业用途(如 [转卖]进行直接盈利或[编辑后售卖]进行间接盈利)。
2、本站所有内容均由合作方或网友上传,本站不对文档的完整性、权威性及其观点立场正确性做任何保证或承诺!文档内容仅供研究参考,付费前请自行鉴别。
3、如文档内容存在违规,或者侵犯商业秘密、侵犯著作权等,请点击“违规举报”。

碎片内容

道路施工技术规范

确认删除?
VIP
微信客服
  • 扫码咨询
会员Q群
  • 会员专属群点击这里加入QQ群
客服邮箱
回到顶部