电脑桌面
添加小米粒文库到电脑桌面
安装后可以在桌面快捷访问

机械加工余量标准VIP免费

机械加工余量标准_第1页
1/8
机械加工余量标准_第2页
2/8
机械加工余量标准_第3页
3/8
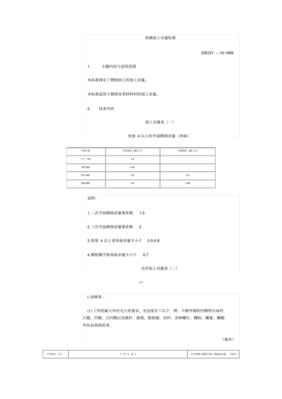
机械加工余量标准25EQY — 19-1999 1.主题内容与适用范围本标准规定了磨削加工的加工余量。本标准适用于磨削各类材料时的加工余量。2.技术内容加工余量表(一)厚度 4 以上的平面磨削余量(单面)平面长度平面宽度 200 以下平面宽度 200 以上小于 100 0.3 100-250 0.45 251-500 0.5 0.6 500-800 0.6 0.65 说明:1.二次平面磨削余量乘系数1.5 2.三次平面磨削余量乘系数2 3.厚度 4 以上者单面余量不小于0.5-0.8 4.橡胶模平板单面余量不小于0.7 毛坯加工余量表(二)3.2 I: 园棒类 : (1) 工件的最大外径无公差要求,光洁度在▽以下,例:不磨外圆的凹模带台肩的凸模、凹模、凸凹模以及推杆、推销、限制器、托杆、各种螺钉、螺栓、螺塞、螺帽外径必须滚花者。(毫米)工件直径( D )工 件 长 度 L 车刃的割刀量和车削二端面的余量( 每件) <70 71-120 121-200 201-300 301-450 直 径 上 加 工 余 量≤32 1 2 2 3 4 5-10 33-60 2 3 3 4 5 4-6 61-100 3 4 4 4 5 4-6 101-200 4 5 5 5 6 4-6 1.6 当 D<36 时并不适应于调头夹加工,在加工单个工件时,应在L 上加夹头量10-15。(2) 工件的最大外径有公差配合要求,光洁度在▽以上,例如:外圆须磨加工的凹模,挡料销、肩台须磨加工的凸模或凸凹模等。(毫米)工件直径( D)工 件 长 度 L 车刃的割刀量和车削二端面的余量(每件) <50 51-80 81-150 151-250 251-420 直 径 上 加 工 余 量≤15 3 3 4 4 5 5-10 16-32 3 4 4 5 6 5-10 33-60 4 4 5 6 6 5-8 61-100 5 5 5 6 7 5-8 101-200 6 6 6 7 7 5-8 当 D<36 时,不适合调头加工,在加工单个零件时,应加夹头量10-15 。毛坯加工余量表(三)3.2 Ⅱ:圆形锻件类(不需锻件图)(1) 不淬火钢表面粗糙度在▽以下无公差配合要求者,例如:固定板、退料板等。(毫米)工件直径( D)工 件 长 度 L <10 11-20 21-45 46-100 101-250 直径上加工余量长度方向上余量150-200 5 5 5 5 5 5 5 6 5 7 201-300 5 6 5 6 5 6 5 7 6 8 301-400 5 7 5 7 5 7 6 8 8 9 401-500 7 8 5 8 6 8 7 9 9 10 501-600 7 8 6 8 6 8 7 10 10 11 注:表中的加工余量为最小余量,其最大余量不得超过厂规定标准。毛坯加工余量表(四)Ⅲ:矩形锻件类:表内的加工余量为...

1、当您付费下载文档后,您只拥有了使用权限,并不意味着购买了版权,文档只能用于自身使用,不得用于其他商业用途(如 [转卖]进行直接盈利或[编辑后售卖]进行间接盈利)。
2、本站所有内容均由合作方或网友上传,本站不对文档的完整性、权威性及其观点立场正确性做任何保证或承诺!文档内容仅供研究参考,付费前请自行鉴别。
3、如文档内容存在违规,或者侵犯商业秘密、侵犯著作权等,请点击“违规举报”。

碎片内容

机械加工余量标准

文库当当响+ 关注
实名认证
内容提供者

该用户很懒,什么也没介绍

确认删除?
VIP
微信客服
  • 扫码咨询
会员Q群
  • 会员专属群点击这里加入QQ群
客服邮箱
回到顶部