电脑桌面
添加小米粒文库到电脑桌面
安装后可以在桌面快捷访问

消防水池土方开挖支护施工方案VIP免费

消防水池土方开挖支护施工方案_第1页
1/6
消防水池土方开挖支护施工方案_第2页
2/6
消防水池土方开挖支护施工方案_第3页
3/6
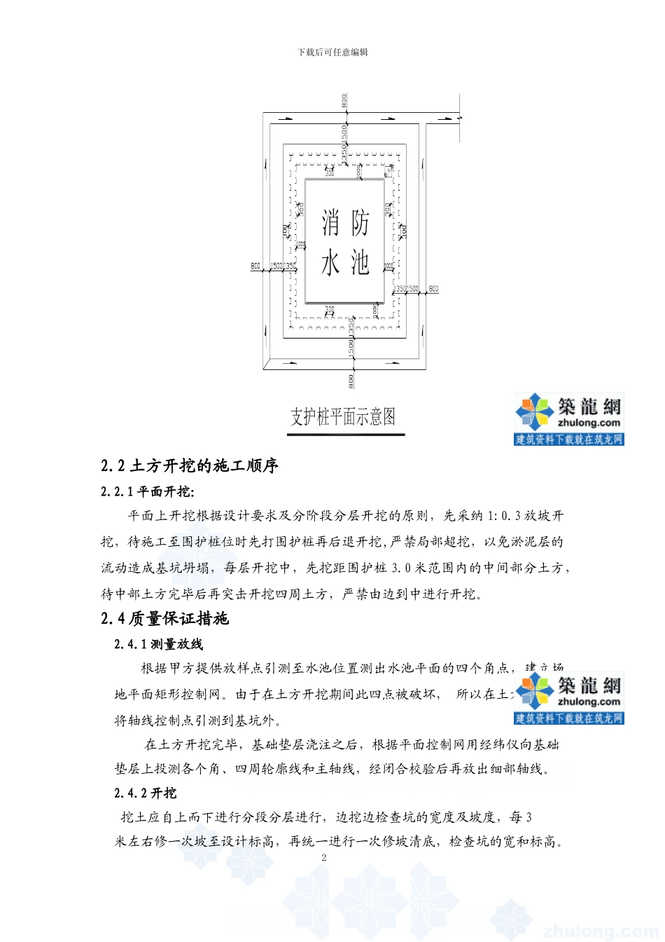
下载后可任意编辑1.1 工程总体简况:XX 新校区学生宿舍 7#楼室外消防水池,水池规格为 8.9m×8.9m,底板、顶板均采纳 C25P6 抗渗砼。基坑开挖深度为 4.5 米,根据勘察报告地下水位标高为 7.38m-6.69m,基坑围护采纳双排槽钢围护体系,围护桩采纳[200×200 槽钢,桩长 5 米。消防水池基坑平面位置详见给排水总平面图,图集号为 96S826 11-1~96S826 11-7。1.2 道路交通:施工场地设有一个大门,场内修建一条 4 米宽的通道,作为施工机械和材料的进场出入口。1.5 进度计划及设备用量1.5.1 施工进度计划本项工程施工工期计划安排 30 天,应优选施工方案,合理调配人工材料设备,力求提高工效,确保质量,安全施工。1.5.2 主要施工机具设备名称型号台数功率主要性能备注液压挖掘机J35GX1反铲单斗 1M3自卸运输车8T3潜水泵Φ100210kw插入式振动器HZ5066.6轴流风机3#22.2砼搅拌机JZ35015m 槽钢200*200250 根钢 管 1t应急砂 袋 500 个应急2.1 基坑围护形式及施工步骤基坑四周采纳[200×200 槽钢双排围护桩,桩长 5 米。基坑外围围护形式如下图。 1 下载后可任意编辑2.2 土方开挖的施工顺序2.2.1 平面开挖:平面上开挖根据设计要求及分阶段分层开挖的原则,先采纳 1:0.3 放坡开挖,待施工至围护桩位时先打围护桩再后退开挖,严禁局部超挖,以免淤泥层的流动造成基坑坍塌,每层开挖中,先挖距围护桩 3.0 米范围内的中间部分土方,待中部土方完毕后再突击开挖四周土方,严禁由边到中进行开挖。2.4 质量保证措施2.4.1 测量放线根据甲方提供放样点引测至水池位置测出水池平面的四个角点,建立场地平面矩形控制网。由于在土方开挖期间此四点被破坏, 所以在土方开挖前将轴线控制点引测到基坑外。在土方开挖完毕,基础垫层浇注之后,根据平面控制网用经纬仪向基础垫层上投测各个角、四周轮廓线和主轴线,经闭合校验后再放出细部轴线。2.4.2 开挖挖土应自上而下进行分段分层进行,边挖边检查坑的宽度及坡度,每 3米左右修一次坡至设计标高,再统一进行一次修坡清底,检查坑的宽和标高。 2 下载后可任意编辑2.5 信息观测施工,支护体系的监测工作是确保支护结构安全的重要的一个环节。 2.5.1 监测工作应根据施工时进度及时展开,一般在第一层土方开挖之前应对所有测点进行一次实测。2.5.2 自开挖开始,每挖深 1~2 米,应观测一遍。必要时应增加观测次数,并请监测单位及时将观测数据提供给建设单位,而后与建...

1、当您付费下载文档后,您只拥有了使用权限,并不意味着购买了版权,文档只能用于自身使用,不得用于其他商业用途(如 [转卖]进行直接盈利或[编辑后售卖]进行间接盈利)。
2、本站所有内容均由合作方或网友上传,本站不对文档的完整性、权威性及其观点立场正确性做任何保证或承诺!文档内容仅供研究参考,付费前请自行鉴别。
3、如文档内容存在违规,或者侵犯商业秘密、侵犯著作权等,请点击“违规举报”。

碎片内容

消防水池土方开挖支护施工方案

确认删除?
VIP
微信客服
  • 扫码咨询
会员Q群
  • 会员专属群点击这里加入QQ群
客服邮箱
回到顶部