电脑桌面
添加小米粒文库到电脑桌面
安装后可以在桌面快捷访问

电缆过轨施工方案VIP免费

电缆过轨施工方案_第1页
1/23
电缆过轨施工方案_第2页
2/23
电缆过轨施工方案_第3页
3/23
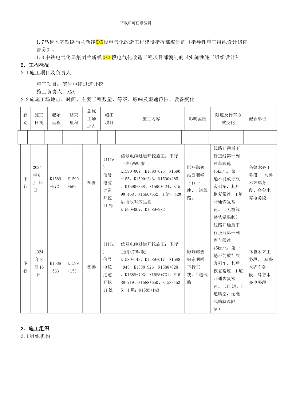
兰新线红柳河至乌西段电化改造工程(XXX 标)信号电缆过轨施工方案编制: 审核: 批准: XXXXX 集团有限公司兰新线 XXX 电气化改造工程项目部2024 年 07 月 01 日1.编制依据1.1《铁路技术管理规程》。1.2《铁路信号施工法律规范》、《铁路信号工程质量检验评定标准》。1.3《安规》、《修规》的相关规定。1.4 铁道部第一勘测设计院的设计图纸。1.5《乌鲁木齐铁路局铁路营业线施工安全管理实施细则》(乌铁总〔2024〕174 号)。《建设系统营业线施工安全管理实施办法》(乌铁建〔2024〕84 号)。1.6乌鲁木齐铁路局兰新线XXX段电气化改造工程建设指挥部编制的《指导性施工组织设计》。下载后可任意编辑1.7乌鲁木齐铁路局兰新线XXX段电气化改造工程建设指挥部编制的《指导性施工组织设计修订部分》。1.8 中铁电气化局集团兰新线 XXX 段电气化改造工程项目部编制的《实施性施工组织设计》。2.工程概况2.1 施工项目及负责人:施工项目:信号电缆过道开挖施工负责人:XXX2.2 施施工场地点、时间、主要工程数量、等级、影响及限速范围、设备变化行别施工日期起始里程结束里程施施工场地点施工项目施工内容影响范围限速及行车方式变化配合单位下行2024年 8月 13日K1589+972K1590+562鄯善(IIIc) 信号电缆过道开挖11 处信号电缆过道开挖施工:下行正线(西咽喉):K1590+007、K1590+075、K1590+155、K1590+246、K1590+285、K1590+368、K1590+424、K1590+458、K1590+552,I 道:42#后曲股对应里程K1590+007、K1589+982影响鄯善站西咽喉下行正线、I 道线路。线路开通后下行正线第一列列车限速45km/h,第一趟不能放行旅客列车,其后恢复常速,I 道开通恢复常速。(无缝线路轨温限制)乌鲁木齐工务段、 乌鲁木齐车务段、乌鲁木齐电务段下行2024年 8月 16日K1588+533K1589+153鄯善(IIIc) 信号电缆过道开挖11 处信号电缆过道开挖施工:下行正线(东咽喉):K1589+143、K1589+017、K1588+945、K1588+926、K1588+828、K1588+793、K1588+731、K1588+719、K1588+650、K1588+535,I 道:K1589+143影响鄯善站东咽喉下行正线、I 道线路。线路开通后下行正线第一列列车限速45km/h,第一趟不能放行旅客列车,其后恢复常速,I 道开通恢复常速。(II 道、I道腾空,无缝线路轨温限制)乌鲁木齐工务段、 乌鲁木齐车务段、乌鲁木齐电务段3.施工组织3.1 组织机构下载后可任意编辑3.2 机具准备情况序号名称数量1锹302十字镐203大锤204钢钎205...

1、当您付费下载文档后,您只拥有了使用权限,并不意味着购买了版权,文档只能用于自身使用,不得用于其他商业用途(如 [转卖]进行直接盈利或[编辑后售卖]进行间接盈利)。
2、本站所有内容均由合作方或网友上传,本站不对文档的完整性、权威性及其观点立场正确性做任何保证或承诺!文档内容仅供研究参考,付费前请自行鉴别。
3、如文档内容存在违规,或者侵犯商业秘密、侵犯著作权等,请点击“违规举报”。

碎片内容

电缆过轨施工方案

人从众+ 关注
实名认证
内容提供者

欢迎光临小店,本店以公文和教育为主,希望符合您的需求。

确认删除?
VIP
微信客服
  • 扫码咨询
会员Q群
  • 会员专属群点击这里加入QQ群
客服邮箱
回到顶部