电脑桌面
添加小米粒文库到电脑桌面
安装后可以在桌面快捷访问

2018年对口升学电子电工类专业综合模拟试题(含参考答案)VIP免费

2018年对口升学电子电工类专业综合模拟试题(含参考答案)_第1页
1/14
2018年对口升学电子电工类专业综合模拟试题(含参考答案)_第2页
2/14
2018年对口升学电子电工类专业综合模拟试题(含参考答案)_第3页
3/14
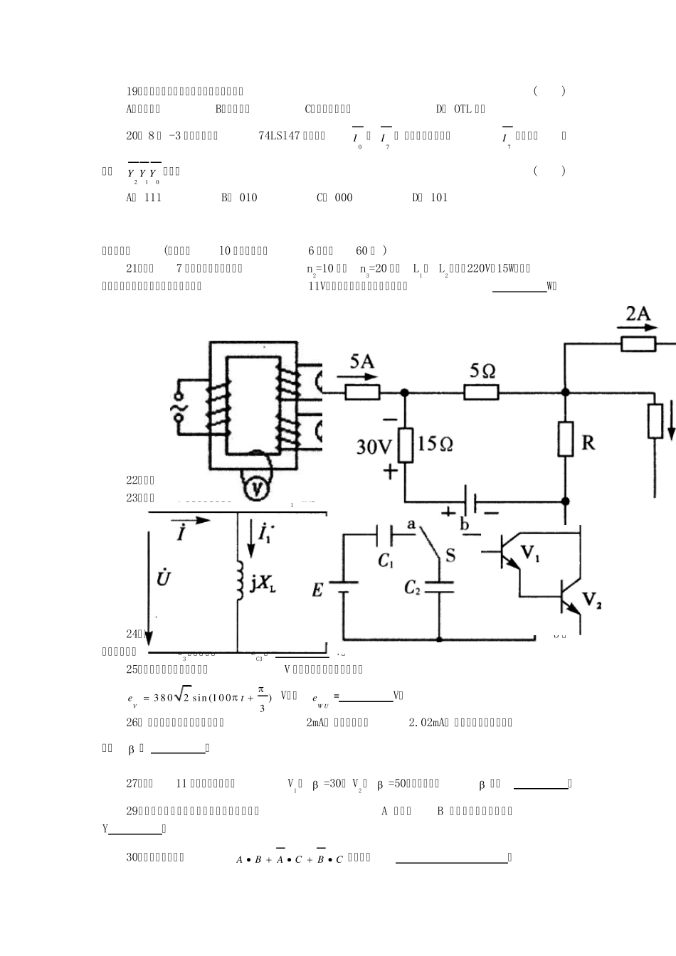
2018 年普通高等学校对口招生考试 电子电工类专业综合知识模拟试题 本试题卷共五大题,共12 页。时量l50 分钟,满分390 分。 一、选择题(在本题的每一小题的备选答案中,只有一个答案是正确的,本大题共20 小题, 每小题6 分,共120 分 ) 1.如图1 所示电路中,当滑动变阻器R2的滑动触头向a 端滑动时 ( ) A.电压表V 的示数将变大 B. R1消耗的功率将增大 C.电源功率将减小 D.电源消耗的功率将增大 图 1 图 2 2.对称三相负载联接成星形,由对称三相交流电源供电,如图2 所示。若V 相断开,则电流表和电压表的示数变化应分别是 ( ) A.电流示数变小,电压表示数不变 B.电流表示数不变,电压表示数变大 C.电流表、电压表示数都变小 D.电流表、电压表示数都不变 3.测量车间设备的绝缘状态时,可选用 ( ) A.万用表R× 10Ω 挡 B. 250V 兆欧表 C.验电笔 D. 500V 兆欧表 4.通常用万用表的电阻挡(R×100Ω 或R× 1K)来检测较大容量电容器的质量,下列四种现象中,说明电容器质量较好的是 ( ) A.指针偏转到零位置后不再返回 B.指针有一定的偏转,并很快回到接近起始位置处 C.指针根本不偏转 D.指针偏转后回不到起始位置,且停留在表盘某处 5.在一通有直流电流的空心线圈中插入铁芯后,下列物理量不变的是 ( ) A.磁感应强度 B.磁通 C.磁场强度 D.磁阻 6.一正弦交流电,当时间t=0 时,电流值0i =2A,且初相位为300,则该电流的有效值是 ( ) A. 1A B. 2.828A C. 2A D. 4A 7.在R、 L 并联的正弦交流电路中,R=40Ω , XL=30Ω ,电路的无功功率Q=480var,则视在功率S 为 ( ) A. 866VA B. 800VA C. 600VA D. 500VA 8. 有一台星形联接的三相交流发电机,额定相电压为660V, 若测得其线电压UAB=1143V, UBC=660V, UCA=660V,则说明 ( ) A. A 相绕组接反 B. B 相绕组接反 C. C 相绕组一定接反 D. C 相绕组接反或短路 9.变压器的额定功率是指原边施以额定电压时,副边允许输出的 ( ) A.最大有功功率 B.最大视在功率 C.最大无功功率 D.最大瞬时功率 10.互感器是根据 原理制造的。 ( ) A.能量守恒 B.电磁感应 C.能量交换 D.阻抗交换 11.要消除一个PNP 管共射放大器产生的饱和失真,其调节方法为 ( ) A.增大基极上偏置电阻 B.增大RC C.减小基极上偏置电阻 D.增大基极...

1、当您付费下载文档后,您只拥有了使用权限,并不意味着购买了版权,文档只能用于自身使用,不得用于其他商业用途(如 [转卖]进行直接盈利或[编辑后售卖]进行间接盈利)。
2、本站所有内容均由合作方或网友上传,本站不对文档的完整性、权威性及其观点立场正确性做任何保证或承诺!文档内容仅供研究参考,付费前请自行鉴别。
3、如文档内容存在违规,或者侵犯商业秘密、侵犯著作权等,请点击“违规举报”。

碎片内容

2018年对口升学电子电工类专业综合模拟试题(含参考答案)

您可能关注的文档

小辰2+ 关注
实名认证
内容提供者

出售各种资料和文档

确认删除?
VIP
微信客服
  • 扫码咨询
会员Q群
  • 会员专属群点击这里加入QQ群
客服邮箱
回到顶部