电脑桌面
添加小米粒文库到电脑桌面
安装后可以在桌面快捷访问

2020年一级造价工程师《案例分析》基础试题(答案版)VIP专享VIP免费

2020年一级造价工程师《案例分析》基础试题(答案版)_第1页
1/14
2020年一级造价工程师《案例分析》基础试题(答案版)_第2页
2/14
2020年一级造价工程师《案例分析》基础试题(答案版)_第3页
3/14
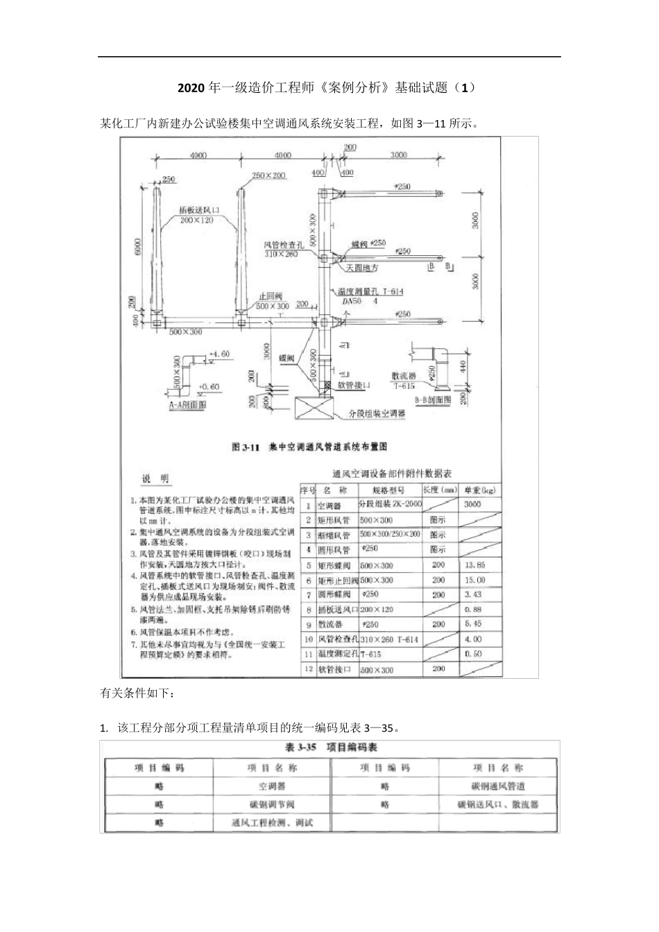
2020 年一级造价工程师《案例分析》基础试题(1) 某化工厂内新建办公试验楼集中空调通风系统安装工程,如图3—11 所示。 有关条件如下: 1. 该工程分部分项工程量清单项目的统一编码见表 3—35。 2. 该工程部分分部分项工程项目的工料机单价见表3-36。 3. 管理费、利润分别按人工费的55%、45%计。 【问题】 1. 根据《建设工程工程量清单计价规范》的规定,编列出该工程的分部分项工程量清单项目,将相关内容填入表3-38 中,并在表3-38 的下面列式计算三种通风管道的工程量。 2.假设矩形风管500×300 的工程量为 40m 时,依据《建设工程工程量清单计价规范》的规定,计算矩形风管500×300 的工程量清单综合单价,将相关数据内容填入表3—39 中,并在表3—39 下面列式计算所列项目的工程量或耗用量。 (计算结果均保留 2 位小数) 参考答案: 问题1: (1)矩形风管500×300 的工程量计算式: 3+(4.6-0.6)+3+3+4+4+0.4+0.4+0.8+0.8+0.80.2=3+5+17=24(m ) 24×(0.5+0.3)×2=38.40(m 2) (2)渐缩风管500×300/250×200 的工程量计算式: 6+6=12(m ) 12×(0.5+0.3+0.25+0.2)=12×1.25=15(m 2) (3)圆形风管φ250 的工程量计算式: 3×(3+0.44)=3×3.44=10.32(m ) 10.32×3.14×0.25=8.10(m 2) 问题 2: (1)该项风管镀锌钢板耗用量的计算式: 40÷10×11.38=45.52(m 2) (2)该项风管检查孔工程量的计算式: 5×4=20(kg) (3)该项风管法兰、加固框、吊托支架刷油工程量的计算式: 40÷10×(52÷1.04)=4×50=200(kg) (4)该项风管法兰、加固框、吊托支架刷油时,防锈漆耗用量的计算式: 200÷100×2.5=5(kg) 2020 年一级造价工程师《案例分析》基础试题(2) 某工程项目业主采用《建设工程工程量清单计价规范》规定的计价方法,通过公开招标,确定了中标人。招标投标文件中有关资料如下: (1)分部分项工程量清单中含有甲、乙两个分项,工程量分别为 4500m 3 和 3200m 3。清单报价中甲项综合单价为 1240 元/m 3,乙项综合单价为 985 元/m 3。 (2)措施项目清单中环境保护、文明施工、安全施工、临时设施等四项费用以分部分项工程量清单计价合计为基数,费率为 3.8%。 (3)其他项目清单中包含零星工作费一项,暂定费用为 3 万元。 (4)规费以分部分项工程量清单计价合计、措施项目清单计价合计和其他项目清单计价合计之和为基数,规费费率为 4%。增值税税率为 9%。 在中标通知书发出...

1、当您付费下载文档后,您只拥有了使用权限,并不意味着购买了版权,文档只能用于自身使用,不得用于其他商业用途(如 [转卖]进行直接盈利或[编辑后售卖]进行间接盈利)。
2、本站所有内容均由合作方或网友上传,本站不对文档的完整性、权威性及其观点立场正确性做任何保证或承诺!文档内容仅供研究参考,付费前请自行鉴别。
3、如文档内容存在违规,或者侵犯商业秘密、侵犯著作权等,请点击“违规举报”。

碎片内容

2020年一级造价工程师《案例分析》基础试题(答案版)

确认删除?
VIP
微信客服
  • 扫码咨询
会员Q群
  • 会员专属群点击这里加入QQ群
客服邮箱
回到顶部