电脑桌面
添加小米粒文库到电脑桌面
安装后可以在桌面快捷访问

桥施工组织设计59372581VIP专享VIP免费

桥施工组织设计59372581_第1页
1/38
桥施工组织设计59372581_第2页
2/38
桥施工组织设计59372581_第3页
3/38
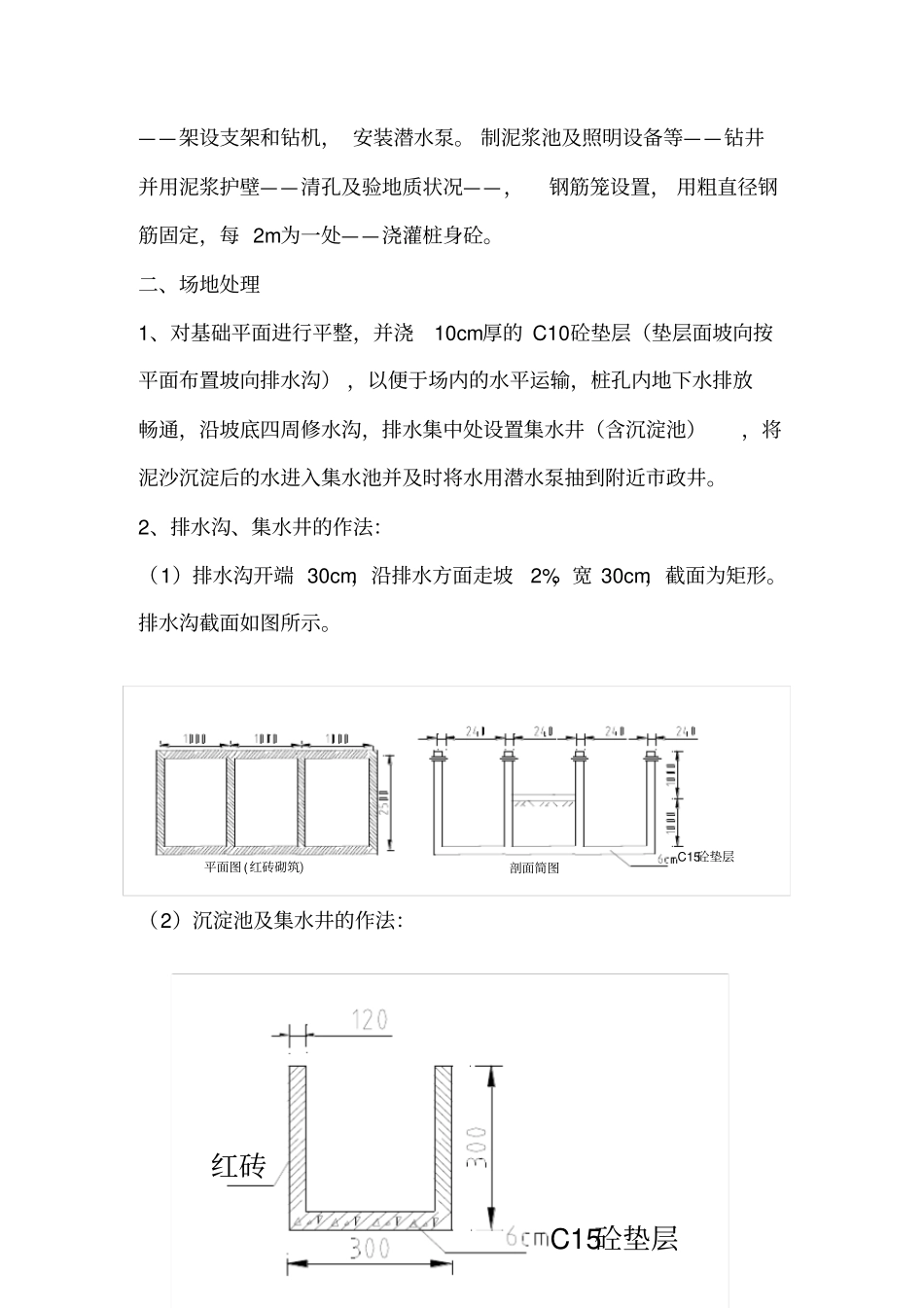
XX 桥施工组织设计本工程为二跨简支板桥 , 跨径 8.30m. 横断面为 19.05 米宽, 桥高 3.5 米( 桩顶至桥面 ), 根据岩土工程勘察报告, 以中风化粉质泥岩作为持力层 , 采用钻孔灌注桩基础 ; 桩径一米 , 桩长 9.20 米, 共12 条桩; 桥墩、桥台、桥面均为现浇钢筋混凝土结构, 人行道栏杆为不锈钢栏杆 ; 施工破损河堤修复用M10水泥砂浆砌 MU40片石. 计划工期 120 天, 桩基础 45, 天 , 柱梁板 45 天, 装饰及收尾 30 天. 第一节钻孔桩基础工程施工方法A 工程地质条件地层岩性 :1、杂填土层 ; 2、粉末土层 ; 3、细砂层 ;4、中粗砂层 ;5、强风化粉质泥岩层 ; 6、中风化粉质泥岩层 . B 钻孔桩施工一、施工流程1、施工流程为:场地平整放线,定桩位——浇垫层、混凝土护筒等——架设支架和钻机, 安装潜水泵。 制泥浆池及照明设备等——钻井并用泥浆护壁——清孔及验地质状况——,钢筋笼设置, 用粗直径钢筋固定,每 2m为一处——浇灌桩身砼。二、场地处理1、对基础平面进行平整,并浇10cm厚的 C10砼垫层(垫层面坡向按平面布置坡向排水沟) ,以便于场内的水平运输,桩孔内地下水排放畅通,沿坡底四周修水沟,排水集中处设置集水井(含沉淀池),将泥沙沉淀后的水进入集水池并及时将水用潜水泵抽到附近市政井。2、排水沟、集水井的作法:(1)排水沟开端 30cm,沿排水方面走坡2%,宽 30cm,截面为矩形。排水沟截面如图所示。(2)沉淀池及集水井的作法:红砖C15砼垫层平面图 (红砖砌筑)剖面简图C15砼垫层三、工程桩测量1、工程桩轴线控制:根据平面测量控制网,采用直角坐标法或极坐标法定出挖孔桩的控制轴线,控制测量采用J2 经纬仪测量。2、工程桩定位放线:工程桩施工前,根据挖孔桩的控制轴线定出每个桩的中心点, 然后根据其直径弹出其圆周线。桩位轴线采取在地面设十字控制网、 基准点来控制, 桩孔垂直度通过控制护壁支模的中心线来控制:即将桩控制轴线、 高程引到砼护壁上, 每节以十字线对中,吊大线锤控制中心,用尺杆找圆周,细部放样以测量控制轴线为准,用钢尺丈量定位, 对局部拉尺困难或较重要的部位,用经纬仪和钢尺辅助测量。桩容许偏差:桩身直径 +50、-0 ,桩中心位移 50、垂直度 0.5%。3、钻孔桩高程控制:在基础四周作四个高精度水准点,以避免水准点远距离引测的误差和方便水准点的彼此校核,防止使用被扰动的水准点。工程桩标高通过引测到护壁上的测量标...

1、当您付费下载文档后,您只拥有了使用权限,并不意味着购买了版权,文档只能用于自身使用,不得用于其他商业用途(如 [转卖]进行直接盈利或[编辑后售卖]进行间接盈利)。
2、本站所有内容均由合作方或网友上传,本站不对文档的完整性、权威性及其观点立场正确性做任何保证或承诺!文档内容仅供研究参考,付费前请自行鉴别。
3、如文档内容存在违规,或者侵犯商业秘密、侵犯著作权等,请点击“违规举报”。

碎片内容

桥施工组织设计59372581

确认删除?
VIP
微信客服
  • 扫码咨询
会员Q群
  • 会员专属群点击这里加入QQ群
客服邮箱
回到顶部