电脑桌面
添加小米粒文库到电脑桌面
安装后可以在桌面快捷访问

模板支撑检查表VIP免费

模板支撑检查表_第1页
1/2
模板支撑检查表_第2页
2/2
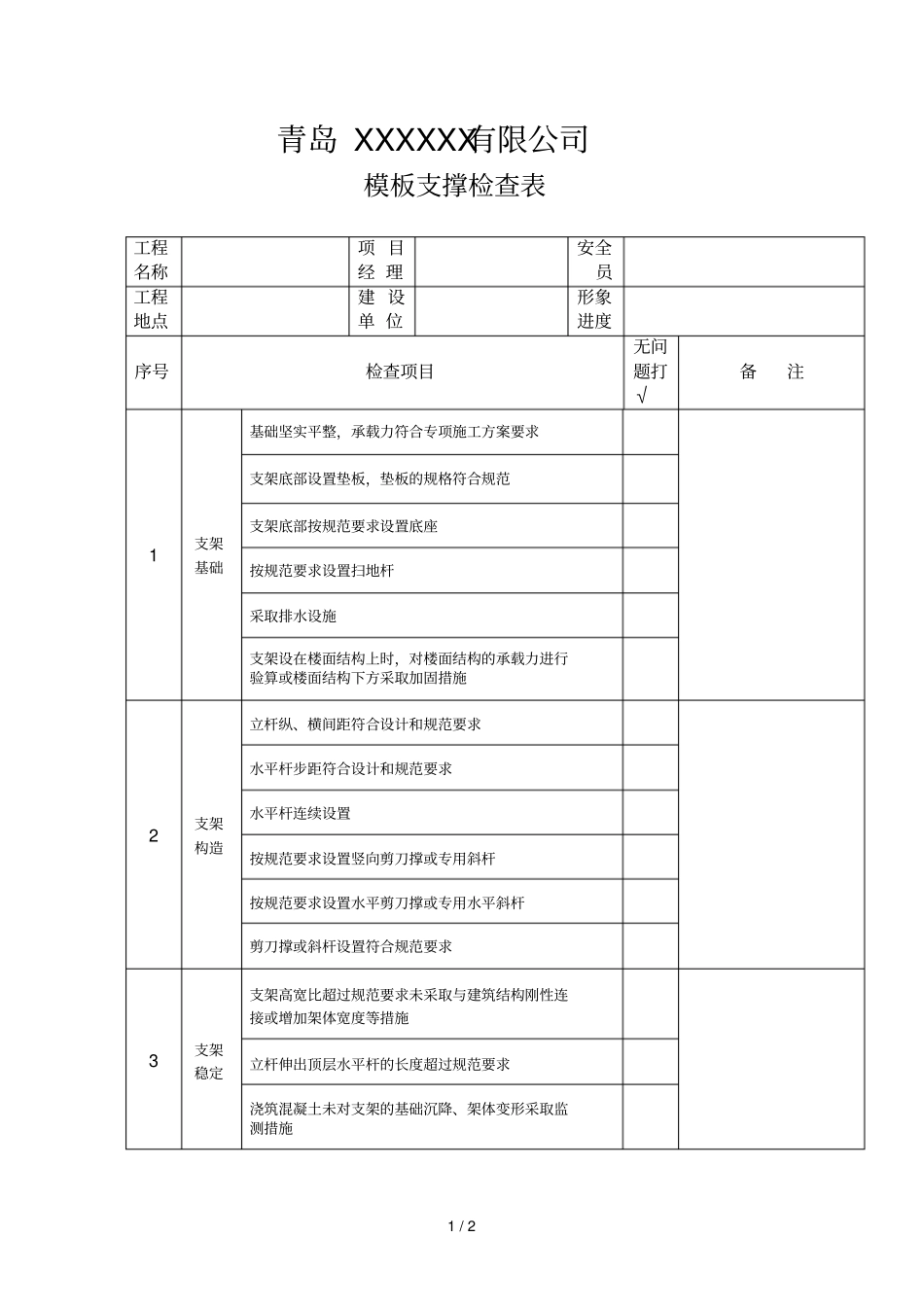
1 / 2 青岛 XXXXXX有限公司模板支撑检查表工程名称项 目经 理安全员工程地点建 设单 位形象进度序号检查项目无问题打√备注1 支架基础基础坚实平整,承载力符合专项施工方案要求支架底部设置垫板,垫板的规格符合规范支架底部按规范要求设置底座按规范要求设置扫地杆采取排水设施支架设在楼面结构上时,对楼面结构的承载力进行验算或楼面结构下方采取加固措施2 支架构造立杆纵、横间距符合设计和规范要求水平杆步距符合设计和规范要求水平杆连续设置按规范要求设置竖向剪刀撑或专用斜杆按规范要求设置水平剪刀撑或专用水平斜杆剪刀撑或斜杆设置符合规范要求3 支架稳定支架高宽比超过规范要求未采取与建筑结构刚性连接或增加架体宽度等措施立杆伸出顶层水平杆的长度超过规范要求浇筑混凝土未对支架的基础沉降、架体变形采取监测措施2 / 2 4 施工荷载荷载堆放不均匀每处施工荷载超过设计规定浇筑混凝土未对混凝土堆积高度进行控制5 杆件连接立杆连接符合规范要求水平杆连接符合规范要求剪刀撑斜杆连接长符合规范要求杆件各连接点的紧固符合规范要求6 底 座与 托撑螺杆直径与立杆内径匹配螺杆旋入螺母内的长度或外伸长度符合规范要求7 构 配件材质钢管、构配件的规格、型号、材质符合规范杆件无弯曲、变形、严重锈蚀8 支架拆除支架拆除前确认混凝土强度达到设计要求按规定设置警戒区或设置专人监护检查人年月日被检查人年月日审核人年月日注:处长(含)及以上人员由部门负责人确认,处长(不含)以下人员由所在处室处长确认。

1、当您付费下载文档后,您只拥有了使用权限,并不意味着购买了版权,文档只能用于自身使用,不得用于其他商业用途(如 [转卖]进行直接盈利或[编辑后售卖]进行间接盈利)。
2、本站所有内容均由合作方或网友上传,本站不对文档的完整性、权威性及其观点立场正确性做任何保证或承诺!文档内容仅供研究参考,付费前请自行鉴别。
3、如文档内容存在违规,或者侵犯商业秘密、侵犯著作权等,请点击“违规举报”。

碎片内容

模板支撑检查表

您可能关注的文档

确认删除?
VIP
微信客服
  • 扫码咨询
会员Q群
  • 会员专属群点击这里加入QQ群
客服邮箱
回到顶部