电脑桌面
添加小米粒文库到电脑桌面
安装后可以在桌面快捷访问

±500kV荆门换流站枫泾换流站直流输电线路工程吉阳长江大跨越施工措施(正版)VIP免费

±500kV荆门换流站枫泾换流站直流输电线路工程吉阳长江大跨越施工措施(正版)_第1页
1/51
±500kV荆门换流站枫泾换流站直流输电线路工程吉阳长江大跨越施工措施(正版)_第2页
2/51
±500kV荆门换流站枫泾换流站直流输电线路工程吉阳长江大跨越施工措施(正版)_第3页
3/51
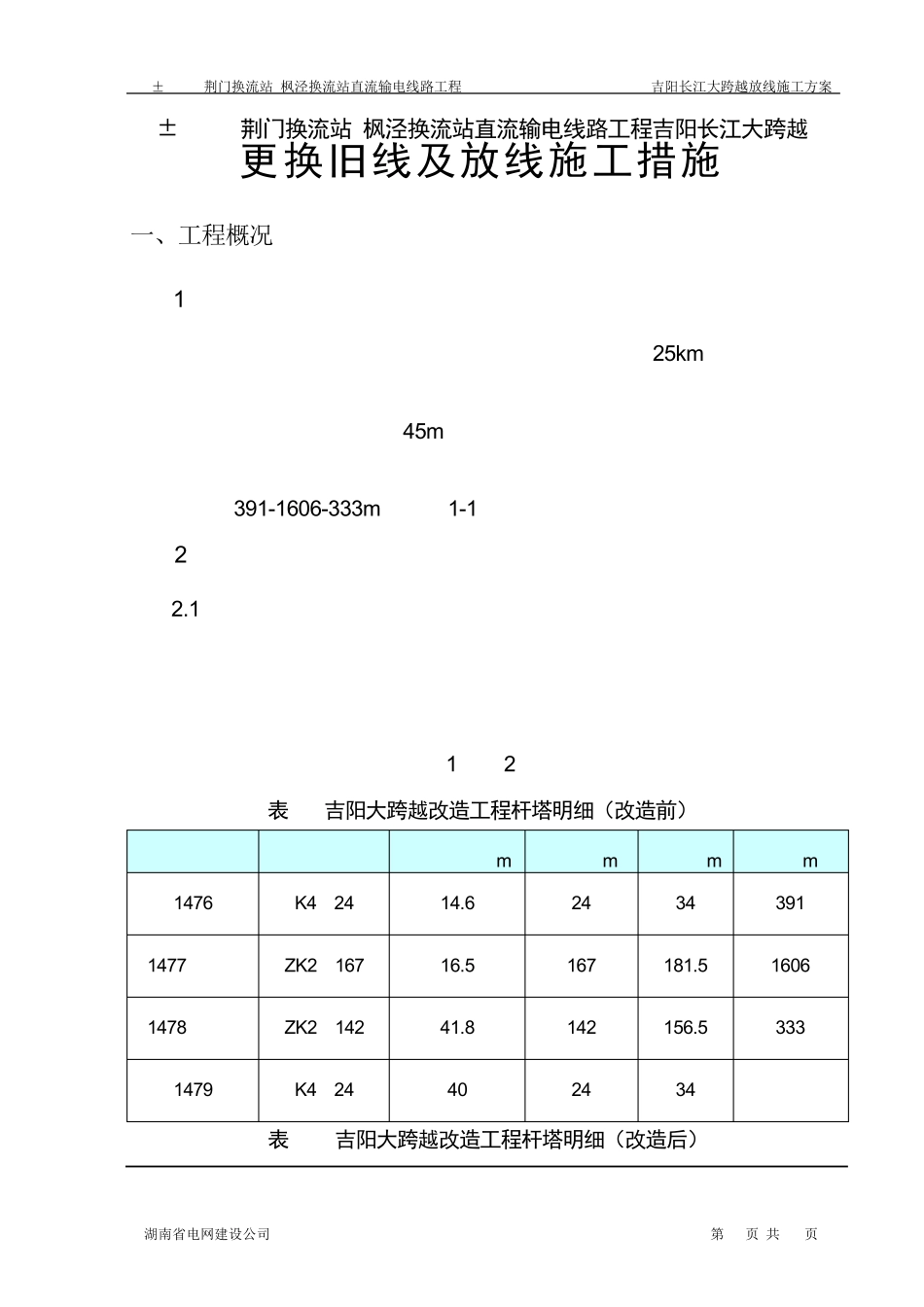
目 录 一、工程概况 ................................................................. 1 1.吉阳大跨越平面布置: .................................................. 1 2.原线路和改造后线路相关情况 ............................................ 1 3.长江航道道水位情况及导线对江面距离..................................... 4 二、施工方案 ................................................................ 10 1.施工条件分析及方案简述 ............................................... 10 2.施工流程 ............................................................. 12 三、架线前准备 .............................................................. 14 1.旧地线从旧锚塔拆除并锚固 ............................................. 14 2.悬挂导线放线滑车 ..................................................... 17 3.牵张两场布置 ......................................................... 23 4.长江封航 ............................................................. 24 6.拖船展放引绳施工 ..................................................... 29 五.旧导线拆除 ............................................................... 33 1.牵引场准备 ........................................................... 33 2.张力场准备 ........................................................... 33 3.旧线拆除 ............................................................. 34 六.导线展放 ................................................................. 35 1.牵引场准备 ........................................................... 35 2.张力场准备 ........................................................... 35 3.导线展放 ............................................................. 36 4.导线临锚 ............................................................. 38 七.紧线 ..................................................................... 42 八.导线附件安装 ............................................................. 49 九.质量、安全注意事项 ......................

1、当您付费下载文档后,您只拥有了使用权限,并不意味着购买了版权,文档只能用于自身使用,不得用于其他商业用途(如 [转卖]进行直接盈利或[编辑后售卖]进行间接盈利)。
2、本站所有内容均由合作方或网友上传,本站不对文档的完整性、权威性及其观点立场正确性做任何保证或承诺!文档内容仅供研究参考,付费前请自行鉴别。
3、如文档内容存在违规,或者侵犯商业秘密、侵犯著作权等,请点击“违规举报”。

碎片内容

±500kV荆门换流站枫泾换流站直流输电线路工程吉阳长江大跨越施工措施(正版)

确认删除?
VIP
微信客服
  • 扫码咨询
会员Q群
  • 会员专属群点击这里加入QQ群
客服邮箱
回到顶部