电脑桌面
添加小米粒文库到电脑桌面
安装后可以在桌面快捷访问

浆砌条石挡土墙施工方案

浆砌条石挡土墙施工方案_第1页
1/12
浆砌条石挡土墙施工方案_第2页
2/12
浆砌条石挡土墙施工方案_第3页
3/12
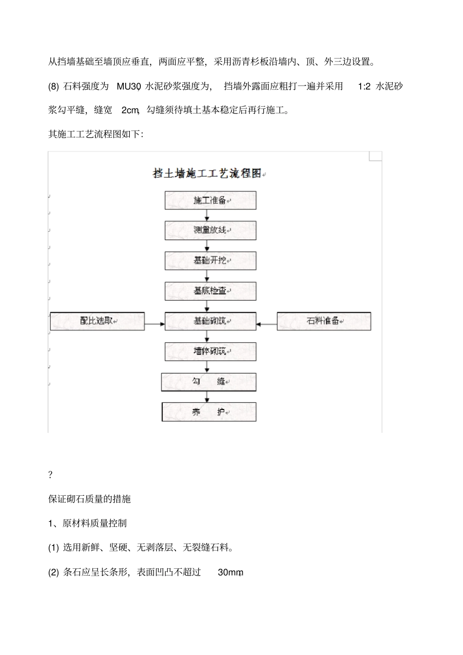
重庆 市 云阳 县 工业 园 区 (A区 ) 金 田 宿舍 外 侧河 堤整治工程施工组织设计一、工程概况重庆市云阳县工业园区(A区)金田宿舍外侧河堤整治工程条石挡土墙。其中条石挡土墙总长78m,墙高度为,砌筑用毛条石、砂浆,其强度不小于30Mpa.工程重难点分析二、本工程地处河道内,长年流水,地质复杂,施工难度大采用平行流水、分段施工法。三、施工布置1、本工程已经完成了“三通一平”、通水、通电、通路、场地平整;2、场地布置:料场设在场平上(堆放河砂、水泥);由于挡墙分部较广,石料至少分五处堆放,辅助材料也分五处堆放。四、浆砌条石施工工艺材料1)、砌筑石料浆砌条石所用石料部分为场内旧条石,其余为外购条石。石料必须选用质地坚硬、无风化剥落和裂纹的岩石,其抗水性、抗冻性、抗压强度等均须符合设计和规范要求。砌筑面石应进行加工至符合设计和规范要求。2)、砌筑砂浆砌筑砂浆应符合设计要求和设计标号、和易性,具有良好的保水性能;砂浆的配合比须经试验确定,并须征得监理工程师的同意;砂浆必须拌和均匀,其拌和时间自投料完算起,不得少于,一次拌为应在其凝结之前使用完毕;水泥与塑化剂的配料误差不得大于2%,砂的配料误差不得大于5%,水的配料误差不得大于1%。2、浆砌条石砌筑浆砌条石砌体必须采用铺浆法砌筑,砂浆稠度宜为3~5cm,当气候变化时应进行适当调整。砌筑时石块应分层卧砌,上下错缝中间填心的方法砌筑,不得有空缝。在铺筑砂浆之前,石料就洒水湿润,使其表面化充分吸收,但不得残留积水。4.3.2.3浆砌条石施工浆砌体采用人工铺筑法砌筑,砂浆稠度为30~50mm,在浆体转角处和交接处应同时砌筑,对不能同时砌筑的面,必须留置临时间断处,并应砌成斜槎。浆砌条石应做到:(1) 条石基础砌体的第一皮应采用丁砌层座浆砌筑。(2) 条石砌体的灰缝厚度不大于20mm。(3) 砌筑条石砌体时, 条石应放置平稳, 砂浆铺设厚度应略高于规定的灰缝厚度6~8mm。(4) 条石砌体应上下错缝搭砌,砌体厚度等于或大于两块料石宽度时,若同皮内全部采用顺砌,则每砌两皮后,应砌一皮丁砌层;若在同皮内采用丁顺组砌,则丁砌石应交错设置,其中距应不大于2m。(5) 条石砌体应采用同皮内丁相间的砌筑形式,当中间部分用毛石填筑时,丁砌条石伸入毛石部分的长度不应小于200mm。(6) 砌筑挡墙应按监理人要求收坡或收台,并设置伸缩缝和排水孔。(7) 浆砌条石挡墙每隔10m设一变形缝,缝宽2cm,缝间用沥青杉板填塞。变...

1、当您付费下载文档后,您只拥有了使用权限,并不意味着购买了版权,文档只能用于自身使用,不得用于其他商业用途(如 [转卖]进行直接盈利或[编辑后售卖]进行间接盈利)。
2、本站所有内容均由合作方或网友上传,本站不对文档的完整性、权威性及其观点立场正确性做任何保证或承诺!文档内容仅供研究参考,付费前请自行鉴别。
3、如文档内容存在违规,或者侵犯商业秘密、侵犯著作权等,请点击“违规举报”。

碎片内容

浆砌条石挡土墙施工方案

确认删除?
VIP
微信客服
  • 扫码咨询
会员Q群
  • 会员专属群点击这里加入QQ群
客服邮箱
回到顶部