电脑桌面
添加小米粒文库到电脑桌面
安装后可以在桌面快捷访问

包材ERP物料编号规则

包材ERP物料编号规则_第1页
1/14
包材ERP物料编号规则_第2页
2/14
包材ERP物料编号规则_第3页
3/14
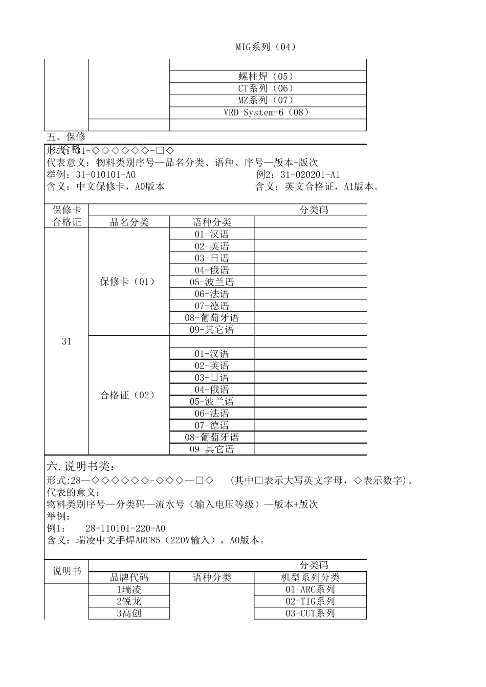
纸箱尺寸代码 用途分类品牌001-无限数(0)无型号无商标瑞凌(1)(1)有型号有商标锐龙(2)(2)有型号无商标高创(3)亚州贴牌(5)欧洲州贴牌(6)美洲州贴牌(7)非洲州贴牌(8)大洋州贴牌(9)纸箱尺寸代码(3位)001-无限数材料代码尺寸代码(3位)流水号(2位)(1)PE001-99901-99泡沫分类码分类码二.泡沫类:形式:34—◇◇◇◇◇◇—◇◇-□◇ (其中□表示大写英文字母,◇表示数字)。代表的意义:物料类别序号—分类码+尺寸代码+流水号—版本+版次举例:例1: 34-100102-A0含义:材料为聚苯乙烯泡沫塑料的泡沫,用于001号尺寸纸箱的第二种泡沫,A0版。一.纸箱类:形式:35—◇◇◇◇◇◇-◇◇—□◇ (其中□表示大写英文字母,◇表示数字)。代表的意义:物料类别序号—分类码—流水号—版本+版次举例:例1: 35-001112-01-A0含义:尺寸代码为001,有型号、锐龙中文第1个纸箱,A0版。(2)珍珠棉尺寸材料代码34纸箱35(1)聚苯乙烯泡沫塑料(PS-E)三、包装袋形式:33-◇◇◇◇◇◇-□◇代表意义:物料类别序号—分类码+尺寸代码+流水号—版本+版次举例:33-1-001-01-A1含义:材料为PE,尺寸代码001的第1种胶袋,版本A0包装袋分类码+尺寸代码+流水号33(2)PO语种分类02-英文CUT系列(03)30MIG系列(04)CUT系列(03)ARC系列(01)TIG系列(02)01-中文ARC系列(01)MIG系列(04)TIG系列(02)MZ系列(07)螺柱焊(05)装箱清单分类码机型系列分类VRD System-6(08)CT系列(06)四.装箱清单类:形式:30—◇◇◇◇◇◇-◇◇◇—□◇ (其中□表示大写英文字母,◇表示数字)。代表的意义:物料类别序号—分类码—流水号—版本+版次举例:例1: 30-010101-00-A0 例2:30-010401-01-A1含义:中文ARC系列、手弧焊机系列2个快插-版本版次A0; 含义:中文MIG系列、二氧33五、保修卡/合格品名分类语种分类01-汉语02-英语03-日语04-俄语05-波兰语06-法语07-德语08-葡萄牙语09-其它语01-汉语02-英语03-日语04-俄语05-波兰语06-法语07-德语08-葡萄牙语09-其它语品牌代码语种分类机型系列分类1瑞凌01-ARC系列2锐龙02-TIG系列3高创03-CUT系列六.说明书类:形式:28—◇◇◇◇◇◇-◇◇◇—□◇ (其中□表示大写英文字母,◇表示数字)。代表的意义:物料类别序号—分类码—流水号(输入电压等级)—版本+版次举例:例1: 28-110101-220-A0含义:瑞凌中文手焊ARC85(220V输入),A0版本。保修卡(01)合格证(02)31说明书分类码保修卡合格证分类码MI...

1、当您付费下载文档后,您只拥有了使用权限,并不意味着购买了版权,文档只能用于自身使用,不得用于其他商业用途(如 [转卖]进行直接盈利或[编辑后售卖]进行间接盈利)。
2、本站所有内容均由合作方或网友上传,本站不对文档的完整性、权威性及其观点立场正确性做任何保证或承诺!文档内容仅供研究参考,付费前请自行鉴别。
3、如文档内容存在违规,或者侵犯商业秘密、侵犯著作权等,请点击“违规举报”。

碎片内容

包材ERP物料编号规则

小辰4+ 关注
实名认证
内容提供者

出售各种资料和文档

确认删除?
VIP
微信客服
  • 扫码咨询
会员Q群
  • 会员专属群点击这里加入QQ群
客服邮箱
回到顶部