电脑桌面
添加小米粒文库到电脑桌面
安装后可以在桌面快捷访问

锻件机械加工余量与公差标准

锻件机械加工余量与公差标准_第1页
1/8
锻件机械加工余量与公差标准_第2页
2/8
锻件机械加工余量与公差标准_第3页
3/8
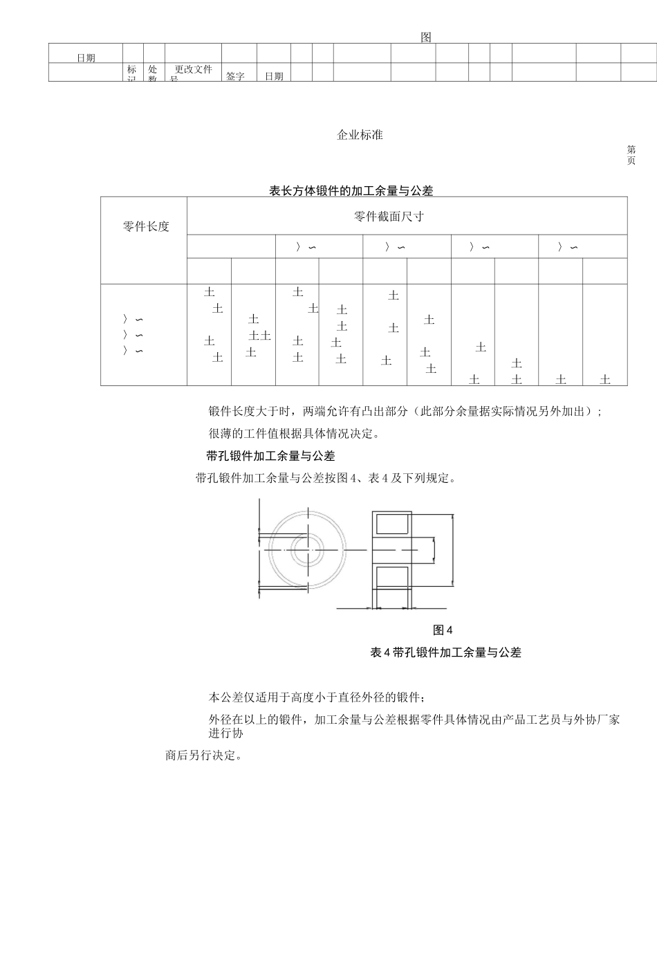
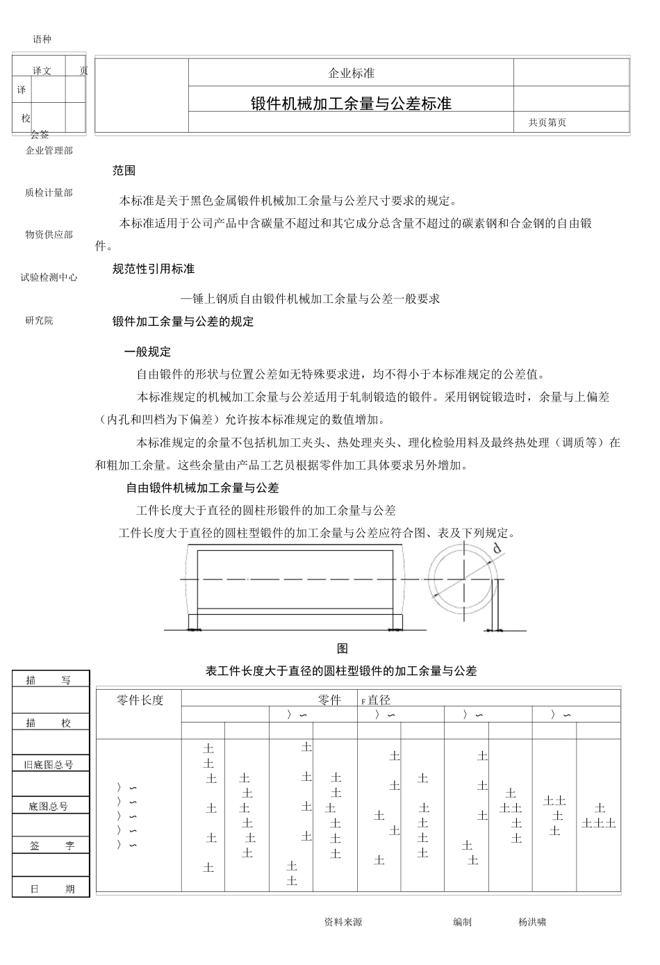
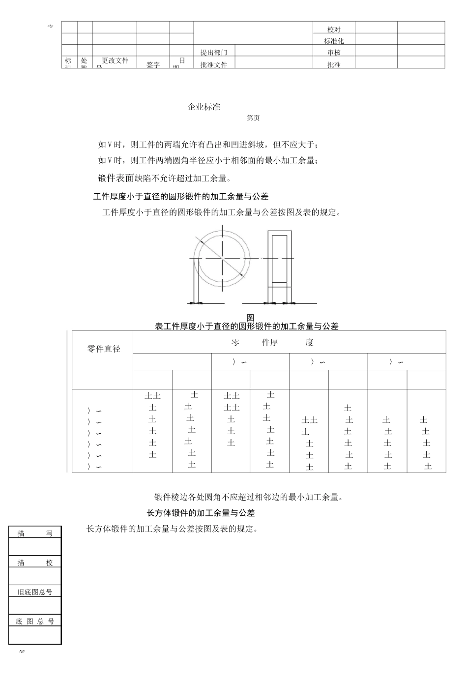
译文页译校语种会签企业管理部企业标准锻件机械加工余量与公差标准共页第页质检计量部物资供应部试验检测中心研究院范围本标准是关于黑色金属锻件机械加工余量与公差尺寸要求的规定。本标准适用于公司产品中含碳量不超过和其它成分总含量不超过的碳素钢和合金钢的自由锻件。规范性引用标准—锤上钢质自由锻件机械加工余量与公差一般要求锻件加工余量与公差的规定一般规定自由锻件的形状与位置公差如无特殊要求进,均不得小于本标准规定的公差值。本标准规定的机械加工余量与公差适用于轧制锻造的锻件。采用钢锭锻造时,余量与上偏差(内孔和凹档为下偏差)允许按本标准规定的数值增加。本标准规定的余量不包括机加工夹头、热处理夹头、理化检验用料及最终热处理(调质等)在和粗加工余量。这些余量由产品工艺员根据零件加工具体要求另外增加。自由锻件机械加工余量与公差工件长度大于直径的圆柱形锻件的加工余量与公差工件长度大于直径的圆柱型锻件的加工余量与公差应符合图、表及下列规定。表工件长度大于直径的圆柱型锻件的加工余量与公差零件长度零件F直径〉〜〉〜〉〜〉〜〉〜〉〜〉〜〉〜〉〜土土土土土土土土土土土土土土土土土土土土土土土土土土土土土土土土土土土土土土土土土土土土土土土土土土土土资料来源编制杨洪啸校对标准化提出部门审核标记处数更改文件号签字日期批准文件批准企业标准第页如 V 时,则工件的两端允许有凸出和凹进斜坡,但不应大于;如 V 时,则工件两端圆角半径应小于相邻面的最小加工余量;锻件表面缺陷不允许超过加工余量。工件厚度小于直径的圆形锻件的加工余量与公差工件厚度小于直径的圆形锻件的加工余量与公差按图及表的规定。表工件厚度小于直径的圆形锻件的加工余量与公差零件直径零件厚度〉〜〉〜〉〜〉〜〉〜〉〜〉〜〉〜〉〜土土土土土土土土土土土土土土土土土土土土土土土土土土土土土土土土土土土土土土土土土土土土土土土土土土锻件棱边各处圆角不应超过相邻边的最小加工余量。长方体锻件的加工余量与公差长方体锻件的加工余量与公差按图及表的规定。签字图日期标记处数更改文件号签字日期企业标准第页表长方体锻件的加工余量与公差零件长度零件截面尺寸〉〜〉〜〉〜〉〜〉〜〉〜〉〜土土土土土土土土土土土土土土土土土土土土土土土土土土土土锻件长度大于时,两端允许有凸出部分(此部分余量据实际情况另外加出);很薄的工件值根据具体情况决定。带孔锻件加工余量与公差带孔锻件加工余量与公...

1、当您付费下载文档后,您只拥有了使用权限,并不意味着购买了版权,文档只能用于自身使用,不得用于其他商业用途(如 [转卖]进行直接盈利或[编辑后售卖]进行间接盈利)。
2、本站所有内容均由合作方或网友上传,本站不对文档的完整性、权威性及其观点立场正确性做任何保证或承诺!文档内容仅供研究参考,付费前请自行鉴别。
3、如文档内容存在违规,或者侵犯商业秘密、侵犯著作权等,请点击“违规举报”。

碎片内容

锻件机械加工余量与公差标准

wxg+ 关注
实名认证
内容提供者

该用户很懒,什么也没介绍

确认删除?
VIP
微信客服
  • 扫码咨询
会员Q群
  • 会员专属群点击这里加入QQ群
客服邮箱
回到顶部