电脑桌面
添加小米粒文库到电脑桌面
安装后可以在桌面快捷访问

回流冷凝器工艺计算

回流冷凝器工艺计算_第1页
1/23
回流冷凝器工艺计算_第2页
2/23
回流冷凝器工艺计算_第3页
3/23
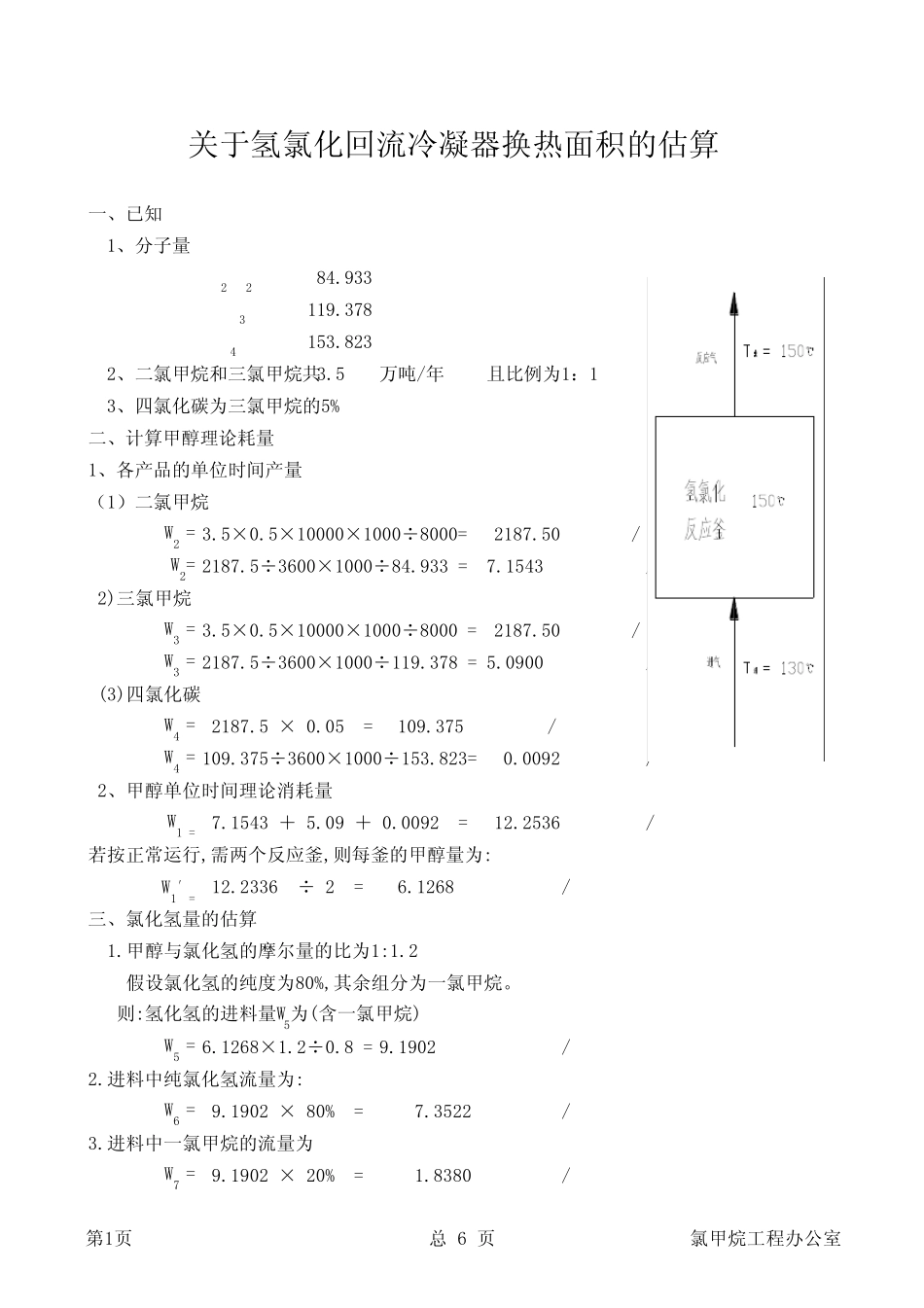
一、已知 1、分子量CH2Cl284.933CHCl3119.378CCl4153.823 2、二氯甲烷和三氯甲烷共3.5万吨/年且比例为1:1 3、四氯化碳为三氯甲烷的5%二、计算甲醇理论耗量1、各产品的单位时间产量(1)二氯甲烷W2 = 3.5×0.5×10000×1000÷8000=2187.50Kg/hW2= 2187.5÷3600×1000÷84.933 =7.1543mol/s 2)三氯甲烷W3 = 3.5×0.5×10000×1000÷8000 =2187.50Kg/hW3 = 2187.5÷3600×1000÷119.378 = 5.0900mol/s (3)四氯化碳W4 = 2187.5 × 0.05 =109.375Kg/hW4 = 109.375÷3600×1000÷153.823=0.0092mol/s 2、甲醇单位时间理论消耗量W1 = 7.1543 + 5.09 + 0.0092 =12.2536mol/s若按正常运行,需两个反应釜,则每釜的甲醇量为:W1′= 12.2336 ÷ 2 =6.1268mol/s三、氯化氢量的估算 1.甲醇与氯化氢的摩尔量的比为1:1.2 假设氯化氢的纯度为80%,其余组分为一氯甲烷。 则:氢化氢的进料量W5为(含一氯甲烷)W5 = 6.1268×1.2÷0.8 = 9.1902mol/s2.进料中纯氯化氢流量为:W6 = 9.1902 × 80% =7.3522mol/s3.进料中一氯甲烷的流量为W7 = 9.1902 × 20% =1.8380mol/s关于氢氯化回流冷凝器换热面积的估算第1页总 6 页氯甲烷工程办公室四、氢氯化反应釜出口气体的估算 假设甲醇的转化率为100%,一氯甲烷的选择性为100%1.一氯甲烷量CH3Cl = 6.1258+1.8380 =7.9648mol/s2.生成水H2O = 6.1268mol/s3.剩余氯化氢量HCl = 1.2254mol/s4.蒸发水量W蒸根据热量守恒定律Q进+Q反=Q出 (1). 进气的热量(进气温度为130℃) ①.查表得130℃时各组分的热容为:CP1 =29.113J/mol.KCP1——HCl的热容CP2 =48.907J/mol.KCP2——CH3Cl的热容CP3 =48.870J/mol.KCP3——CH3OH的热容 ②.各组分的热能QQ1 = 29.133 × 7.3522 × 403.15 ÷ 1000 =86.2903KJ/sQ2 = 48.907 × 1.8380 × 403.15 ÷ 1000 =36.2406KJ/sQ3 = 48.870 × 6.1268 × 403.15 ÷ 1000 =120.708KJ/s式中:Q1——HCl的热能Q2——CH3Cl的热能Q3——CH3OH的热能 ③.进气的热能Q入Q入 = 86.2903+36.2406+120.708 =243.239KJ/s (2).出口气体的热能(不包含蒸发水,出口温度为150℃) ①.查表得150℃时各组分的热容为:CP1 =29.135J/mol.KCP1——HCl的热容CP2 =50.323J/mol.KCP2——CH3Cl的热容CP3 =34.323J/mol.KCP3——H2O的热容 ②.各组分的热能QQ1 = 29.135 × 1.2254 × 423.15 ÷ 1000 =15.1069KJ/s第2页总 6 ...

1、当您付费下载文档后,您只拥有了使用权限,并不意味着购买了版权,文档只能用于自身使用,不得用于其他商业用途(如 [转卖]进行直接盈利或[编辑后售卖]进行间接盈利)。
2、本站所有内容均由合作方或网友上传,本站不对文档的完整性、权威性及其观点立场正确性做任何保证或承诺!文档内容仅供研究参考,付费前请自行鉴别。
3、如文档内容存在违规,或者侵犯商业秘密、侵犯著作权等,请点击“违规举报”。

碎片内容

回流冷凝器工艺计算

确认删除?
VIP
微信客服
  • 扫码咨询
会员Q群
  • 会员专属群点击这里加入QQ群
客服邮箱
回到顶部