电脑桌面
添加小米粒文库到电脑桌面
安装后可以在桌面快捷访问

园林绿化景观工程资料表格汇总

园林绿化景观工程资料表格汇总_第1页
1/57
园林绿化景观工程资料表格汇总_第2页
2/57
园林绿化景观工程资料表格汇总_第3页
3/57
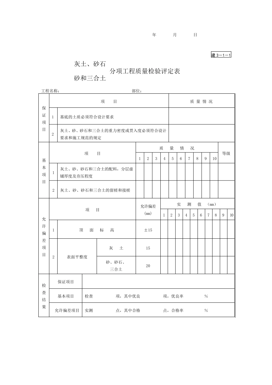
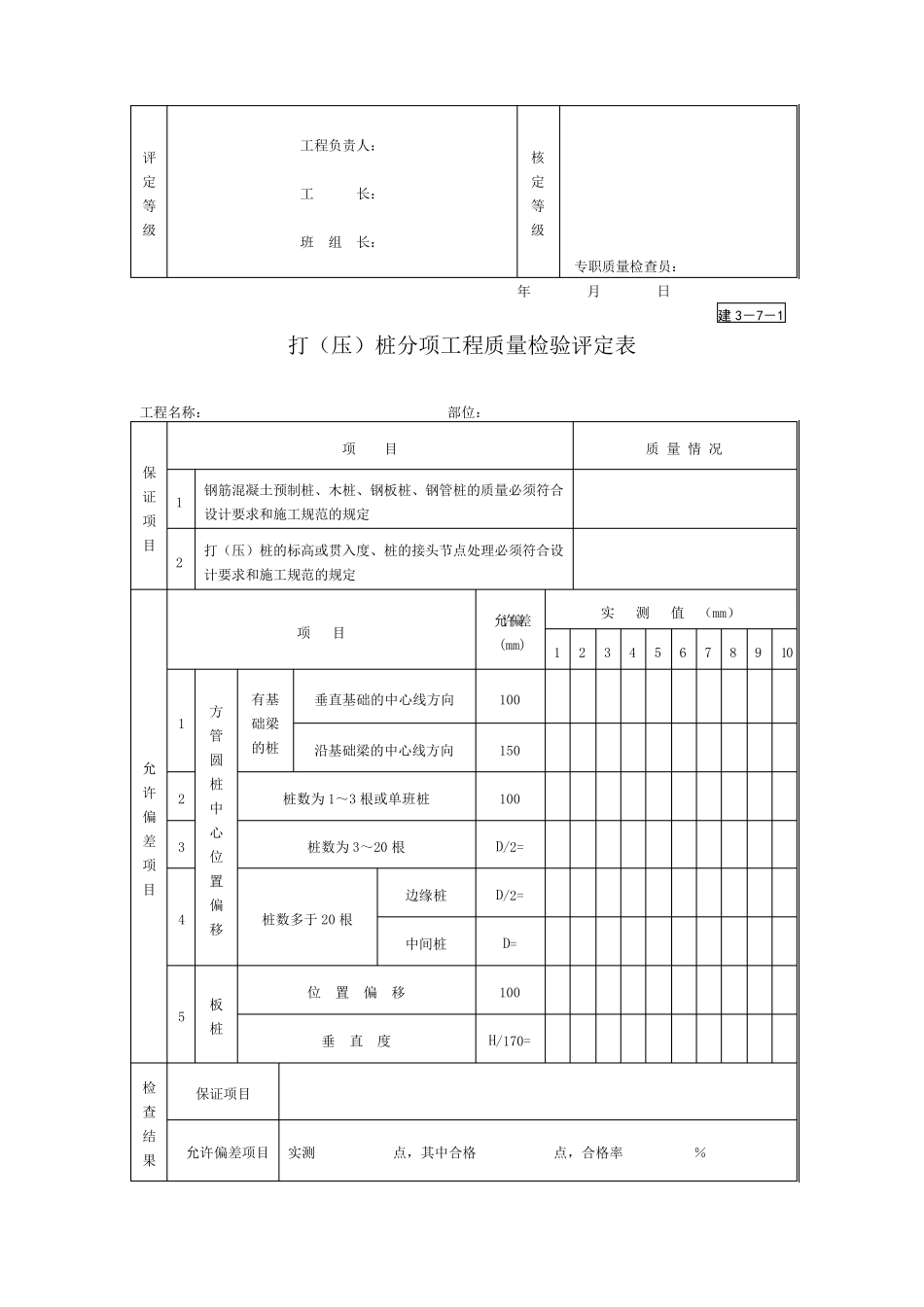
建 2-1-1 为了免费 土方分项工程质量检验评定表 工程名称: 部位: 保证项目 项 目 质 量 情 况 1 柱基、基坑、基槽和管沟基底的土质必须符合设计要求,并严禁扰动 2 填方的基底处理必须符合设计要求或施工规范的规定 3 填方和柱基、基坑、基槽、管沟回填的土料必须符合设计要求或施工规范的规定 4 填方和柱基、基坑、基槽、管沟的回填必须按规定分层夯压密实,取样测定干土重力密度,其合格率不应小于90%,不合格的最低值与设计值的差不应大于0.08g/cm3,且不应集中 基本项目 项 目 允许偏差(mm) 实测值(mm) 柱基、基坑、基槽、 管沟 挖方、填方、场 地平整 排 水 沟 地(路) 面基层 1 2 3 4 5 6 7 8 9 10 人工 施工 机械 施工 1 标高 +0 –50 ±50 ±100 +0 –50 +0 –50 2 长度、宽度 –0 –0 –0 +100 –0 —— 3 边坡偏陡 不允许 不允许 不允许 不允许 —— 4 表面 平整度 —— —— —— —— 20 检查结果 保证项目 允许偏差项目 实测 点,其中合格 项,合格率 % 评定等级 工程负责人: 工 长: 班 组 长: 核定等级 专职质量检查员: 年 月 日 建 3-1-1 灰土、砂石 分项工程质量检验评定表 砂和三合土 工程名称: 部位: 保证项目 项 目 质 量 情 况 1 基底的土质必须符合设计要求 2 灰土、砂、砂石和三合土的重力密度或贯入度必须符合设计要求和施工规范的规定 基本项目 项 目 质 量 情 况 等级 1 2 3 4 5 6 7 8 9 10 1 灰土、砂、砂石和三合土的配料,分层虚铺厚度及夯压程度 2 灰土、砂、砂石和三合土的留槎和接槎 允许偏差项目 项 目 允许偏差 (mm) 实 测 值 (mm) 1 2 3 4 5 6 7 8 9 10 1 顶 面 标 高 ±15 2 表面平整度 灰 土 15 砂、砂石、 三合土 20 检查结果 保证项目 基本项目 检查 项,其中优良 项,优良率 % 允许偏差项目 实测 点,其中合格 点,合格率 % 评定等级 工程负责人: 工 长: 班 组 长: 核定等级 专职质量检查员: 年 月 日 建 3-7-1 打(压)桩分项工程质量检验评定表 工程名称: 部位: 保证项目 项 目 质 量 情 况 1 钢筋混凝土预制桩、木桩、钢板桩、钢管桩的质量必须符合设计要求和施工规范的规定 2 打(压)桩的标高或贯入度、桩的接头节点处理必须符合设计要求和施...

1、当您付费下载文档后,您只拥有了使用权限,并不意味着购买了版权,文档只能用于自身使用,不得用于其他商业用途(如 [转卖]进行直接盈利或[编辑后售卖]进行间接盈利)。
2、本站所有内容均由合作方或网友上传,本站不对文档的完整性、权威性及其观点立场正确性做任何保证或承诺!文档内容仅供研究参考,付费前请自行鉴别。
3、如文档内容存在违规,或者侵犯商业秘密、侵犯著作权等,请点击“违规举报”。

碎片内容

园林绿化景观工程资料表格汇总

小辰+ 关注
实名认证
内容提供者

出售各种文档和资料

相关文档

确认删除?
VIP
微信客服
  • 扫码咨询
会员Q群
  • 会员专属群点击这里加入QQ群
客服邮箱
回到顶部