电脑桌面
添加小米粒文库到电脑桌面
安装后可以在桌面快捷访问

物料标准大全16讲解

物料标准大全16讲解_第1页
1/50
物料标准大全16讲解_第2页
2/50
物料标准大全16讲解_第3页
3/50
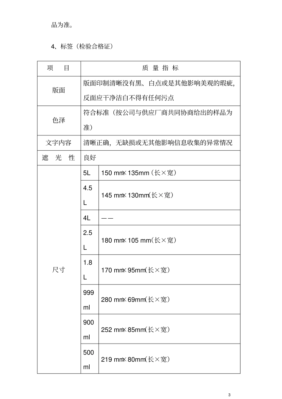
1 1、PET瓶(瓶胚)项目质 量 指 标材料符合食品卫生要求瓶口口面平整、无毛边、无缺口,螺纹饱满圆滑、不变形瓶体成型饱满圆滑,透明光洁,无气泡、水纹、折痕、破裂、雾状发白面积小于 1cm,不能有严重磨损现象瓶内无异味、异物、杂质、灰尘瓶底注塑口不超过底平面,不偏离中心,无积瘤,瓶底不发白,底托应光洁、边缘整齐,厚薄一致,无缺陷容量试验取样瓶盛水(20℃)至瓶口处,称得瓶内净重量精确到 0.1g,按水的密度换算成容量,符合相应要求试漏试验装相应瓶容量的水或油,盖上配套的盖子,倒置 24 小时无渗漏现象,为合格跌落试验装相应瓶容量的水或油,盖好盖子,离地低于1.2m 倾斜 30度自然跌落 2 次,无破无漏,提手不蹦出为合格质量5L 4.5L 4L 2.5L 1.8L 999ml 900ml 500ml 320ml 120±2g 120±2g 110±2g 93 ±1.5g 70 ±1.5g ————【注】斜体部分为强制性标准,凡有其他异常情况出现,以样品为准。2、瓶盖2 项目质 量 指 标材料符合食品卫生要求外观色泽一致、鲜艳,无杂色;成型平整、无毛刺、无灰尘杂质拉环无穿破、拉断现象,内拉环不漏油且容易拉开尺寸瓶盖与油瓶配套质量5L 4.5L 4L 2.5L 1.8L 999ml 900ml 500ml 320ml 11.0±1.0g 6.5 ±0.5g ±±【注】斜体部分为强制性标准,凡有其他异常情况出现,以样品为准。3、提手(手柄)项目质 量 指 标外观颜色鲜艳无杂色,光滑平整、无断痕、毛刺、变型现象,无杂质、灰尘性能与相应瓶配合易套入、不松拖。装满水用力晃动10次无断裂现象,无脱落现象质量5L 4.5L 4L 2.5L 1.8L 10±1(g)12±1(g)【注】斜体部分为强制性标准,凡有其他异常情况出现,以样编制审核批准时间时间时间3 品为准。4、标签(检验合格证)项目质 量 指 标版面版面印制清晰没有黑、白点或是其他影响美观的瑕疵,反面应干净洁白不得有任何污点色泽符合标准(按公司与供应厂商共同协商给出的样品为准)文字内容清晰正确,无缺损或无其他影响信息收集的异常情况遮光性良好尺寸5L 150 mm×135mm (长×宽)4.5L 145 mm×130mm(长×宽)4L ——2.5L 180 mm×105 mm(长×宽)1.8L 170 mm×95mm(长×宽)999ml 280 mm×69mm(长×宽)900ml 252 mm×85mm(长×宽)500ml 219 mm×80mm(长×宽)4 320ml 100 mm×54mm(长×宽)长宽大小偏差不可超过 0.5 mm,大小符合标准(即能与相对应的瓶子配套),边框一致【注】斜体部分...

1、当您付费下载文档后,您只拥有了使用权限,并不意味着购买了版权,文档只能用于自身使用,不得用于其他商业用途(如 [转卖]进行直接盈利或[编辑后售卖]进行间接盈利)。
2、本站所有内容均由合作方或网友上传,本站不对文档的完整性、权威性及其观点立场正确性做任何保证或承诺!文档内容仅供研究参考,付费前请自行鉴别。
3、如文档内容存在违规,或者侵犯商业秘密、侵犯著作权等,请点击“违规举报”。

碎片内容

物料标准大全16讲解

您可能关注的文档

确认删除?
VIP
微信客服
  • 扫码咨询
会员Q群
  • 会员专属群点击这里加入QQ群
客服邮箱
回到顶部