电脑桌面
添加小米粒文库到电脑桌面
安装后可以在桌面快捷访问

物料衡算基本理论

物料衡算基本理论_第1页
1/6
物料衡算基本理论_第2页
2/6
物料衡算基本理论_第3页
3/6
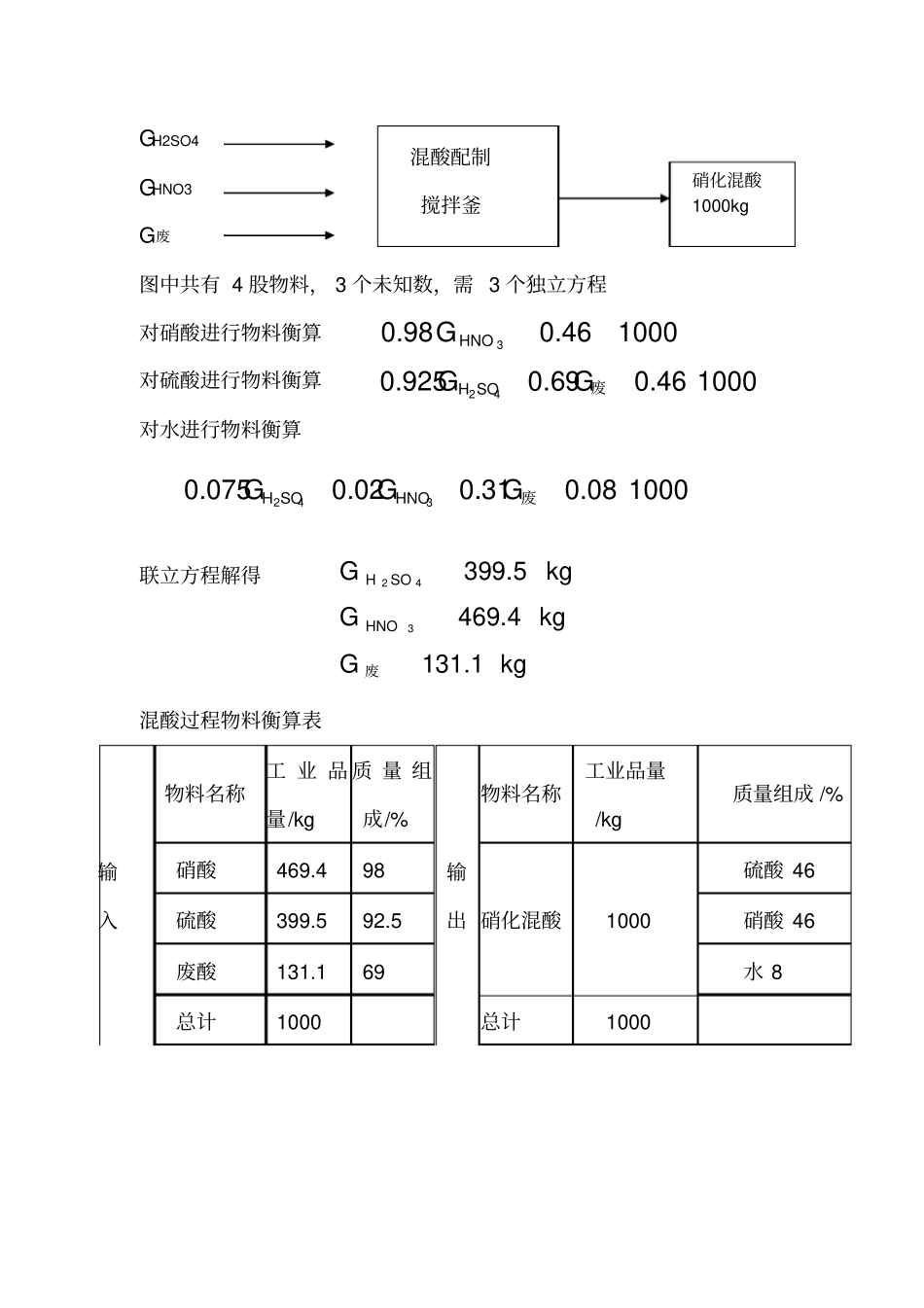
物料衡算基本理论四、衡算方法和步骤1,明确衡算目的通过物料衡算确定生产能力、纯度、收率2,明确衡算对象划定衡算范围,绘出物料衡算示意图3,对有化学反应的体系应写出化学反应方程式4,收集与物料衡算有关的计算数据○1 生产规模;原辅材料、中间体及产品规格;○2 有关定额和消耗指标 (产品单耗、 配料比、回收率、提取率、收率)○3 有关的物理化学常数(密度、蒸汽压、相平衡常数)5,选定衡算基准6,列出物料衡算方程式7,根据物料横算结果,编制物料平衡表物料衡算举例一、物理过程物料衡算实例 6-1 硝化混酸配制过程物料衡算。 已知混酸组成为硫酸46%(质量百分比,下同)、硝酸 46%、水 8%,配制混酸用的原料92.5%的工业硫酸、 98%的硝酸以及含硫酸69%的硝化废酸。试通过物料衡算确定配制 1000kg 混酸时各原料的用量。为简化计算,设原料中除水外的其他杂质可忽略不计。明确衡算目的明确衡算对象以搅拌釜为衡算范围,绘制混酸配制过程物料衡算示意图GH2SO4GHNO3G废图中共有 4 股物料, 3 个未知数,需 3 个独立方程对硝酸进行物料衡算对硫酸进行物料衡算对水进行物料衡算联立方程解得混酸过程物料衡算表输入物料名称工 业 品量/kg质 量 组成/%输出物料名称工业品量/kg质量组成 /%硝酸469.498硝化混酸1000硫酸 46硫酸399.592.5硝酸 46废酸131.169水 8总计1000总计1000混酸配制搅拌釜硝化混酸1000kg 30.980.461000HNOG240.9250.690.46 1000H SOGG废2430.0750.020.310.08 1000H SOHNOGGG废243399.5469.4131.1HSOHNOGkgGkgGkg废二,化学过程的物料衡算1,化学过程的几个概念转化率收率(产率)选择性例 6-2 甲苯用浓硫酸磺化制备对甲苯磺酸。已知甲苯的投料量为1000kg,反应产物中含有对甲苯磺酸1460kg,未反应的甲苯20kg。试分别计算甲苯的转化率、对甲苯磺酸的收率和选择性。则甲苯的转化率为则甲苯磺酸的收率为100%AxA反应物 A的反应消耗量反应物的投料量100%yA按目标产物收得量折算的反应物A的量反应物的投料量100%A按目标产物收得量折算的反应物A的量反应物 的反应消耗量CH 3+H2SO4CH 3SO 3H+H2O110-140100020100%98%1000Ax146092100%78.1%1000172y则甲苯磺酸的选择性为总收率总收率为各个工序的收率之积3,连续操作过程的物料衡算实例 6-4 在催化剂作用下,乙醇脱氢可制备乙醛,其反应方程式为同时存在副反应已知原料为无水乙醇(纯度以100%计),流量为 1000kgh-1,其转化率为 95%,乙...

1、当您付费下载文档后,您只拥有了使用权限,并不意味着购买了版权,文档只能用于自身使用,不得用于其他商业用途(如 [转卖]进行直接盈利或[编辑后售卖]进行间接盈利)。
2、本站所有内容均由合作方或网友上传,本站不对文档的完整性、权威性及其观点立场正确性做任何保证或承诺!文档内容仅供研究参考,付费前请自行鉴别。
3、如文档内容存在违规,或者侵犯商业秘密、侵犯著作权等,请点击“违规举报”。

碎片内容

物料衡算基本理论

您可能关注的文档

确认删除?
VIP
微信客服
  • 扫码咨询
会员Q群
  • 会员专属群点击这里加入QQ群
客服邮箱
回到顶部