电脑桌面
添加小米粒文库到电脑桌面
安装后可以在桌面快捷访问

反渗透技术说明书模板

反渗透技术说明书模板_第1页
1/4
反渗透技术说明书模板_第2页
2/4
反渗透技术说明书模板_第3页
3/4
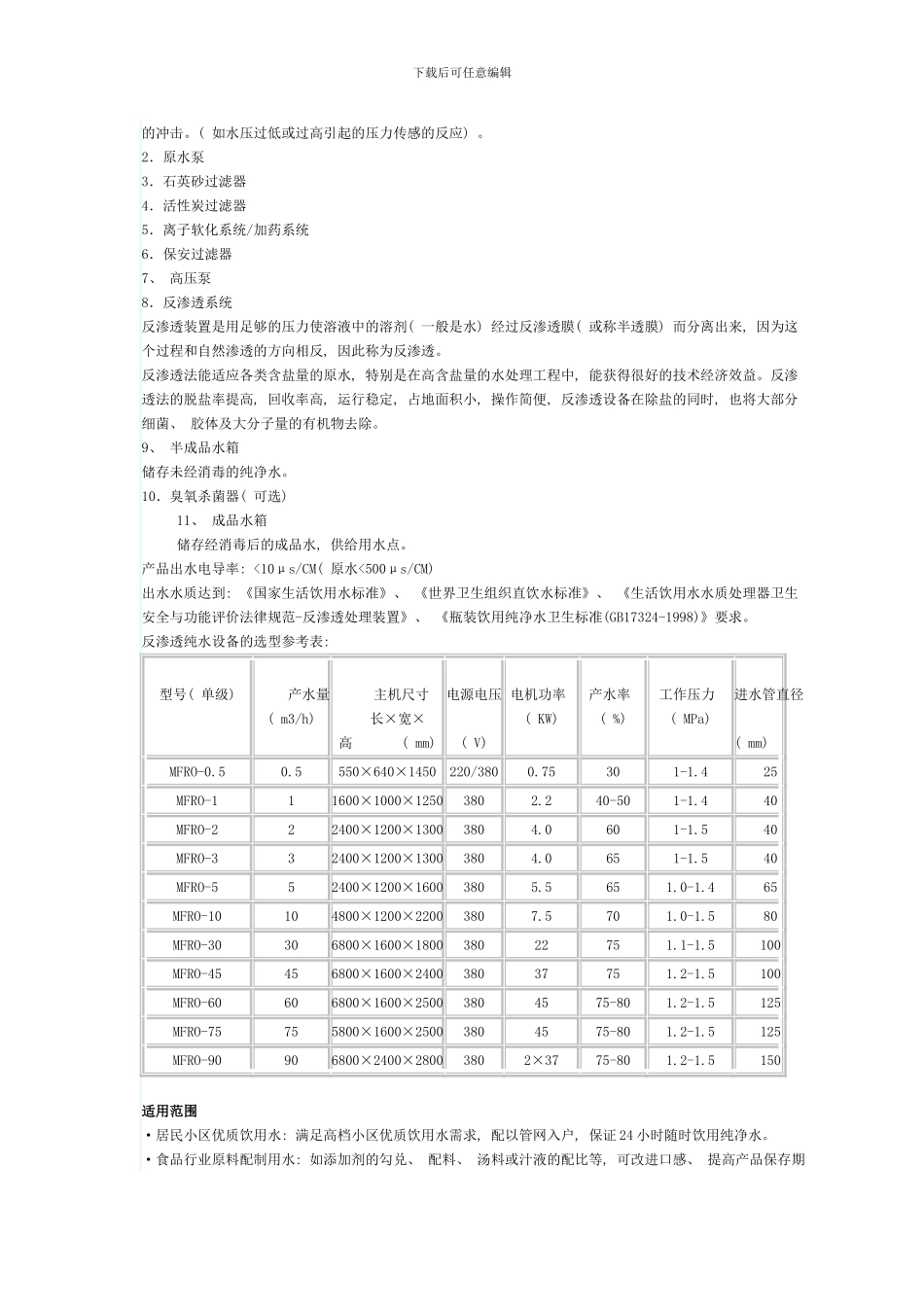
下载后可任意编辑反渗透技术说明书 反渗透简介: 反渗透就是对溶液施加一个大于渗透压的压力, 使水透过特制的半透膜, 从溶液中分离出来。因为这个过程和渗透现象相反, 因此称为反渗透。按各种物料的不同渗透压, 就能够对某种溶液使用大于渗透压的反渗透方法, 达到对溶液进行分离、 提取、 纯化和浓缩的目的。它能去除滤液中的离子范围和分子量很小的有机物, 如细菌、 病毒、 热源等。 反渗透装置, 主要是分离溶液中的离子范围, 它无需加热, 更没有相变过程, 因此比传统的方法能耗低。反渗透装置体积小, 操作简单, 适用范围比较广。用反渗透装置, 处理工业用水, 不耗用大量酸碱, 无二次污染, 它的运行费用也比较低。用反渗透方法处理的水, 纯度高, 它不但能去除离子范围的杂质, 还能去除有机污染物、 微生物、 病毒和热原质等, 用其它方法难去除的杂质。 反渗透工作原理1. 渗透及渗透压渗透现象在自然界是常见的,比如将一根黄瓜放入盐水中,黄瓜就会因失水而变小。黄瓜中的水分子进入盐水溶液的过程就是渗透过程。如下图所示,假如用一个只有水分子才能透过的薄膜将一个水池隔断成两部分,在隔膜两边分别注入纯水和盐水到同一高度。过一段时间就能够发现纯水液面降低了, 而盐水的液面升高了。我们把水分子透过这个隔膜迁移到盐水中的现象叫做渗透现象。盐水液面升高不是无止境的, 到了一定高度就会达到一个平衡点。这时隔膜两端液面差所代表的压力被称为渗透压。渗透压的大小与盐水的浓度直接相关。初始状态 -------------------------渗透平衡状态----------反渗透状态 2. 反渗透现象和反渗透净水技术在以上装置达到平衡后,假如在盐水端液面上施加一定压力, 此时, 水分子就会由盐水端向纯水端迁移。液剂分子在压力作用下由稀溶液向浓溶液迁移的过程这一现象被称为反渗透现象。假如将盐水加入以上设施的一端, 并在该端施加超过该盐水渗透压的压力, 我们就能够在另一端得到纯水。这就是反渗透净水的原理。反渗透设施生产纯水的关键有两个, 一是一个有选择性的膜, 我们称之为半透膜, 二是一定的压力。 简单地说, 反渗透半透膜上有众多的孔, 这些孔的大小与水分子的大小相当, 由于细菌、 病毒、 大部分有机污染物和水合离子均比水分子大得多, 因此不能透过反渗透半透膜而与透过反渗透膜的水相分离。在水中众多种杂质中,溶解性盐类是最难清除的.因此,常常根据除盐率的高低来确定反渗透的净水效果.反渗透...

1、当您付费下载文档后,您只拥有了使用权限,并不意味着购买了版权,文档只能用于自身使用,不得用于其他商业用途(如 [转卖]进行直接盈利或[编辑后售卖]进行间接盈利)。
2、本站所有内容均由合作方或网友上传,本站不对文档的完整性、权威性及其观点立场正确性做任何保证或承诺!文档内容仅供研究参考,付费前请自行鉴别。
3、如文档内容存在违规,或者侵犯商业秘密、侵犯著作权等,请点击“违规举报”。

碎片内容

反渗透技术说明书模板

确认删除?
VIP
微信客服
  • 扫码咨询
会员Q群
  • 会员专属群点击这里加入QQ群
客服邮箱
回到顶部