电脑桌面
添加小米粒文库到电脑桌面
安装后可以在桌面快捷访问

天然石材地面的一般质量要求

天然石材地面的一般质量要求_第1页
1/6
天然石材地面的一般质量要求_第2页
2/6
天然石材地面的一般质量要求_第3页
3/6
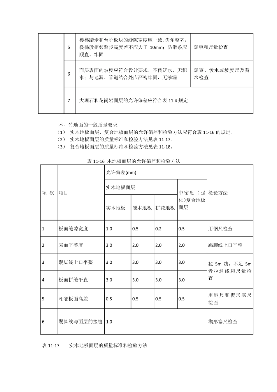
天然石材地面的一般质量要求 (1) 石材板块铺贴地面允许偏差及检验方法(见表11-4)。 (2) 大理石和花岗岩板块面层的质量标准和检验方法(见表11-5)。 表11-4 石材板块铺贴地面允许偏差及检验方法 项次 项目 允 许 偏 差(m m ) 检 验 方 法 1 表面平整度 1.0 用2m 靠尺和楔形塞尺检查 2 缝格平直 2.0 拉5m 线,不足5m 者拉通线和尺量检查 3 接缝高低 0.5 尺量和楔形塞尺检查 4 板块间隙宽度 1.0 尺量检查 5 踢脚线上口平直 1.0 拉5m 线和尺量检查 表11-5 大理石和花岗岩板块面层的质量标准和检验方法 项目 项次 质量要求 检 验 方 法 主控项目 1 大理石、花岗岩面层所用的板块的品种、质量应符合设计要求 观察检查和检查材质合格记录 2 面层与下一层应结合牢固,无空鼓 用小锤敲击检查 一般项目 3 大理石、花岗岩面层的表面应洁净、平整、无磨痕,且应图案清晰、色泽一致、接缝均匀、周边顺直、镶嵌正确,板块无裂缝、掉角和缺棱等缺陷 观察检查 4 踢脚线表面应洁净、高度一致、结合牢固、出墙厚度一致 用小锤敲击及尺量检查 5 楼梯踏步和台阶板块的缝隙宽度应一致、齿角整齐,楼梯段相邻踏步高度差不应大于 10m m ;防滑条应顺直、牢固 观察和尺量检查 6 面层表面的坡度应符合设计要求,不倒泛水,无积水;与地漏、管道结合处应严密牢固,无渗漏 观察、泼水或坡度尺及蓄水检查 7 大理石和花岗岩面层的允许偏差应符合表 11.4 规定 木、竹地面的一般质量要求 (1) 实木地板面层、复合地板面层的允许偏差和检验方法应符合表 11-16 的规定。 (2) 实木地板面层的质量标准和检验方法见表 11-17。 (3) 复合地板面层的质量标准和检验方法见表 11-18。 表 11-16 木地板面层的允许偏差和检验方法 项 次 项目 允许偏差(m m ) 检验方法 实木地板面层 中密度(强化)复合地板面层 实木地板 硬木地板 拼花地板 1 板面缝隙宽度 1.0 0.5 0.2 0.5 用钢尺检查 2 表面平整度 3.0 2.0 2.0 2.0 踢脚线上口平整 3 踢脚线上口平整 3.0 3.0 3.0 3.0 拉 5m 线,不足 5m者拉通线和尺量检查 4 板面拼缝平直 3.0 3.0 3.0 3.0 5 相邻板面高差 0.5 0.5 0.5 0.5 用钢尺和楔形塞尺检查 6 踢脚线与面层的接缝 1.0 楔形塞尺检查 表 11-17 实木地板面层的质量标准和检验方法 项目 项次 质量要求 检 验 方 法 ...

1、当您付费下载文档后,您只拥有了使用权限,并不意味着购买了版权,文档只能用于自身使用,不得用于其他商业用途(如 [转卖]进行直接盈利或[编辑后售卖]进行间接盈利)。
2、本站所有内容均由合作方或网友上传,本站不对文档的完整性、权威性及其观点立场正确性做任何保证或承诺!文档内容仅供研究参考,付费前请自行鉴别。
3、如文档内容存在违规,或者侵犯商业秘密、侵犯著作权等,请点击“违规举报”。

碎片内容

天然石材地面的一般质量要求

小辰5+ 关注
实名认证
内容提供者

出售各种资料和文档

确认删除?
VIP
微信客服
  • 扫码咨询
会员Q群
  • 会员专属群点击这里加入QQ群
客服邮箱
回到顶部