电脑桌面
添加小米粒文库到电脑桌面
安装后可以在桌面快捷访问

砌体工程技术交底9879VIP专享

砌体工程技术交底9879_第1页
1/17
砌体工程技术交底9879_第2页
2/17
砌体工程技术交底9879_第3页
3/17
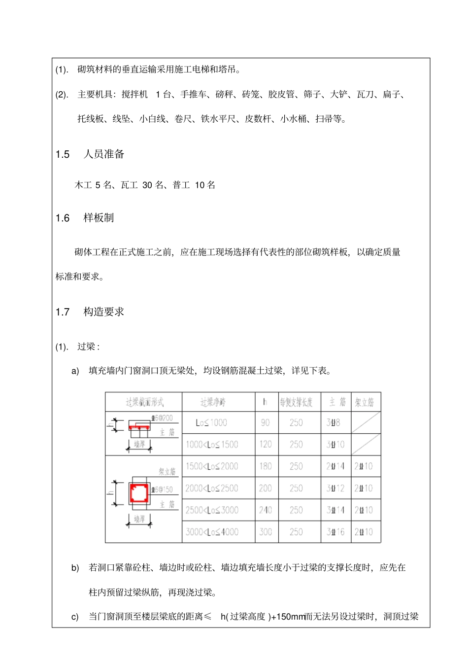
技术交底记录表 C2-1编号工程名称国际大酒店工程交底日期年月日施工单位集团有限公司分项工程名称1#砌体工程交底提要施工准备、操作工艺、质量标准交底内容:1. 施工准备1.1 砌筑放线准备(1).控制轴线的测设a)每层根据施工现场提供的基准控制点和结构施工预留的洞口,使用经纬仪对各楼层预留的基准点和轴线位置校核合格后,进行楼层内的细部控制线的引测。b)特别是砌筑外墙时,应保证上下楼层通线,使整个外墙面在同一竖平面内。(2).楼层内各位置线的引测a)依据建筑图和室内精装饰图中的尺寸要求,自控制轴线引测出隔墙等位置控制线,门窗洞口、水电设备预留洞口的位置线,并经复核无误后用红色油漆在留洞等位置斜对角描出三角控制标志,以防破坏。(3).高程控制线引测a)依据结构施工时留设的标高控制点,并校核合格后,采用50 米钢卷尺竖向传递,每层必须经交圈闭合检查,误差不超过3mm.交圈利用水准仪测放出50cm线,作为各楼层的标高控制线。(4).墙体砌块放线a)按砌块每皮高度制作皮数杆,并立于墙的两端,两相对皮数杆之间拉准线在砌筑位置放出墙身边线。b)放线必须准确及时,施工人员自检合格后及时报验, 待项目经理部及监理验收合格后方可开始砌筑。1.2技术准备(1).认真熟悉图纸、图纸会审记录及设计变更,仔细核对平面各细部尺寸, 图纸之间如有矛盾,请及时向设计方反馈。(2).拉结筋植筋的试验报告等在分部分项工程开工前要及时报监理(业主)批准后,方可开始施工。(3).砌筑前必须清扫楼地面。1.3材料准备(1).水泥: 宜使用 P.C 32.5复合水泥,应有出厂合格证,水泥应按品种、强度等级、出厂日期分别堆放,并保持干燥。不同品种的水泥,不得混合使用。(2).砖及砌块: 在砌筑前 2 天对砌块洒水适当润湿,要求水渗入砌块表面8-10mm。相对含水率控制在 40%~50% 砌块在现场分规格分等级堆放, 堆垛上设立标志牌 , 标志牌注明砌块厂家、类型、规格、使用部位等 , 堆放高度≤ 2.0m, 堆垛之间保持适当的通道。 运输、装卸过程中 , 应防止雨淋,严禁抛掷和倾倒。水平运输采用手推车。(3).砂: 采用中砂,要求级配良好。砂的含泥量不应超过5%。(4).水: 采用不含有害物质的洁净水。严禁使用污水搅拌。1.4运输及施工机具准备(1).砌筑材料的垂直运输采用施工电梯和塔吊。(2).主要机具:搅拌机1 台、手推车、磅秤、砖笼、胶皮管、筛子、大铲、瓦刀、扁子、托线板、线坠、小白线、卷尺、铁水平尺、皮数杆、小水桶、扫帚等。1.5...

1、当您付费下载文档后,您只拥有了使用权限,并不意味着购买了版权,文档只能用于自身使用,不得用于其他商业用途(如 [转卖]进行直接盈利或[编辑后售卖]进行间接盈利)。
2、本站所有内容均由合作方或网友上传,本站不对文档的完整性、权威性及其观点立场正确性做任何保证或承诺!文档内容仅供研究参考,付费前请自行鉴别。
3、如文档内容存在违规,或者侵犯商业秘密、侵犯著作权等,请点击“违规举报”。

碎片内容

砌体工程技术交底9879

确认删除?
VIP
微信客服
  • 扫码咨询
会员Q群
  • 会员专属群点击这里加入QQ群
客服邮箱
回到顶部