电脑桌面
添加小米粒文库到电脑桌面
安装后可以在桌面快捷访问

项目质量管理手册附图模板

项目质量管理手册附图模板_第1页
1/15
项目质量管理手册附图模板_第2页
2/15
项目质量管理手册附图模板_第3页
3/15
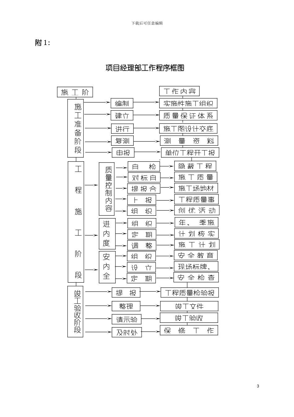
下载后可任意编辑项目质量管理手册附图1下载后可任意编辑附 1: 3项目经理部工作程序框图施 工 阶工 作 内 容实施性施工组织质 量 保 证 体 系施工图设计交底测量资料单位工程开工报编制建立进行复测申报施工准备阶段隐 蔽 工 程施 工 质 量施工场地材工程质量事创 优 活 动自检对 标 自提 报 合上报组织质量控制内容工程施工阶段年、 季施计 划 核 实施 工 计 划组织定期调整进 内度安 全 教 育现场标牌、 安 全 检 查组织设立定期安 内全工程质量检验报竣工文件竣工验收保修工作提报整理请示验及时处竣工验收阶段下载后可任意编辑附 2: 4项目安全生产监控图群众思想政治生产安全青工安全青年安全监督安全班组安全生产管理安全监督安全生产检查保证体现 场 监 控人的意识与行生产节联保互保责任兼 职班前安安全技术劳动现 场 作业现 场 防护下载后可任意编辑附 3: 5项目安全管理组织机构图项 目 经理副 经 理总 工 程师技 术 部门机 电 部门安 质 部门安 全各作业班班长技 术调 度机 械消 防人 事① 监督施工全过的安全生产 纠 正建 章 ; ② 配合有关部门排除施工不① 制定项目安全技术措施和分项安全方案 ② 监督安全措施落实① 在安全前提下合理安排生产计划 ② 组织施工安全技术措施的① 保证项目使用的各类机械安全运行; ② 监督机械操作人员持证上① 保证防为设备设施齐全、 有效; ② 消除火灾隐患; ③ 组织现场消① 保证进场施工人员安全技术质量 ② 控制加班加点, 保证劳逸下载后可任意编辑附 4: 6合格不合格不合格原 材 料 取 样标 准 试 验试 验 结 果 评 定施 工 控 制 检 验成 品 质 量 检 验检 验 结 果 评 定作 出 结 论结 束分 析 原 因提出处理意见质量保证试 验 报 告合格项目原材料质量检验流程图下载后可任意编辑附 5: 7项目经理副经理总工程师职能部门质检试验技术测量安全物资项目质量管理组织机构图开挖班班长起重班班长木工班班长钢筋班班长砼班班长运输班班长修理班班长张拉班班长项目各作业队下载后可任意编辑附 6: 8不合格合格合格不合格合格不合格上道工序完毕项目作业队自检经理部检查通知监理工程师或监理员检查现场检查试验室检验确认监理工程师或监理员签认允许进行下道工序返 修项目工序交接控制流程图下载后可任意编辑附 7: 9控 制 内 容根据批准的设计文件...

1、当您付费下载文档后,您只拥有了使用权限,并不意味着购买了版权,文档只能用于自身使用,不得用于其他商业用途(如 [转卖]进行直接盈利或[编辑后售卖]进行间接盈利)。
2、本站所有内容均由合作方或网友上传,本站不对文档的完整性、权威性及其观点立场正确性做任何保证或承诺!文档内容仅供研究参考,付费前请自行鉴别。
3、如文档内容存在违规,或者侵犯商业秘密、侵犯著作权等,请点击“违规举报”。

碎片内容

项目质量管理手册附图模板

您可能关注的文档

确认删除?
VIP
微信客服
  • 扫码咨询
会员Q群
  • 会员专属群点击这里加入QQ群
客服邮箱
回到顶部