电脑桌面
添加小米粒文库到电脑桌面
安装后可以在桌面快捷访问

顺层路堑施工作业指导书模板

顺层路堑施工作业指导书模板_第1页
1/9
顺层路堑施工作业指导书模板_第2页
2/9
顺层路堑施工作业指导书模板_第3页
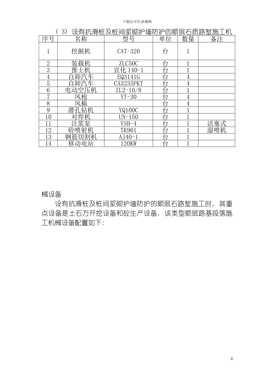
3/9
下载后可任意编辑顺层路堑施工作业指导书1下载后可任意编辑顺层路堑开挖施工作业指导书一、 顺层路堑防护设计顺层路堑在西南地区分布较广, 顺层路堑防护设计一般实行顺层清方后, 同时设置抗滑桩、 锚索桩、 土钉墙等多种防护措施进行支护。二、 顺层路堑施工技术措施1、 顺层石质路堑的施工设备选型与配合根据不同段落顺层石质路堑防护工程的特点和作业要求, 以及计划工期的安排, 经过多方比较, 通瓽在施工中实行以下几种设备组合。(1)设有挂网喷锚防护的顺层石质路堑机械设备配置情况。设有挂网喷锚防护的顺层石质路堑, 岩石的整体性较好, 按顺层清方后, 坡面能保持自稳, 所需设备主要为土石方挖运设备和喷锚作业设备, 设备组合如下: 序号名称型号单位数量备注1挖掘机CAT-320台12装载机ZLC50C台1侧卸3推土机上海 120台14自卸汽车EQ3141G台55自卸汽车CA3235PKT台36内燃空压机VY-12/7台17风枪YT-30台48风稿台59砼喷射机TK961台1湿喷机(2)设有土钉墙防护的顺层石质路堑机械设备设有土钉墙防护的顺层石质路堑施工时, 由于该种防护对应的路堑风化严重, 自稳能力极差, 开挖工序并非重点工序, 而土钉墙施工工序是该种顺层石质路堑施工的重点, 故土钉墙施工设备的选择尤为重要, 其性能不但要满足单纯作业要求, 还需满足时效性要求。该种顺层段落设备组合如下: 2下载后可任意编辑( 3) 设有抗滑桩及桩间浆砌护墙防护的顺层石质路堑施工机械设备设有抗滑桩及桩间浆砌护墙防护的顺层石路堑施工时, 其重点设备是土石方开挖设备和砼生产设备, 该类型顺层路基段落施工机械设备配置如下: 3序号名称型号单位数量备注1挖掘机CAT-320台12装载机ZLC50C台13推土机宣化 140-1台14自卸汽车EQ3141G台45自卸汽车CA3235PKT台46电动空压机ZL2-10/8台17风枪YT-30台48风稿台49潜孔钻机YQ100C台110对焊机UN-150台111注浆泵YSB-4台1活塞式12砼喷射机TK961台1湿喷机13钢筋切割机AJ40-1台114移动电站120KW台1下载后可任意编辑( 4) 设有锚索桩及桩间浆砌护墙防护的顺层石质路堑施工机械设备设有该种防护的顺层石质路堑, 坡面风化较重, 自稳能力较差, 特别是山体的侧压力较大, 施工中的重点是开挖设备和锚索施工设备。该类型段落的设备配置如下表: 4序号名称型号单位数量备注1挖掘机CAT-320台12装载机ZLC50C台1侧卸3推土机宣化 140-1台14自卸汽车EQ3141G台45自卸汽车CA3235PKT台46电动空压机ZL2-10/8台17风枪YT-30台58风稿台89砼拌合站JDY...

1、当您付费下载文档后,您只拥有了使用权限,并不意味着购买了版权,文档只能用于自身使用,不得用于其他商业用途(如 [转卖]进行直接盈利或[编辑后售卖]进行间接盈利)。
2、本站所有内容均由合作方或网友上传,本站不对文档的完整性、权威性及其观点立场正确性做任何保证或承诺!文档内容仅供研究参考,付费前请自行鉴别。
3、如文档内容存在违规,或者侵犯商业秘密、侵犯著作权等,请点击“违规举报”。

碎片内容

顺层路堑施工作业指导书模板

您可能关注的文档

不二商店+ 关注
实名认证
内容提供者

我是你的不二选择

确认删除?
VIP
微信客服
  • 扫码咨询
会员Q群
  • 会员专属群点击这里加入QQ群
客服邮箱
回到顶部