电脑桌面
添加小米粒文库到电脑桌面
安装后可以在桌面快捷访问

暂估材料、设备价格认定程序

暂估材料、设备价格认定程序_第1页
1/9
暂估材料、设备价格认定程序_第2页
2/9
暂估材料、设备价格认定程序_第3页
3/9
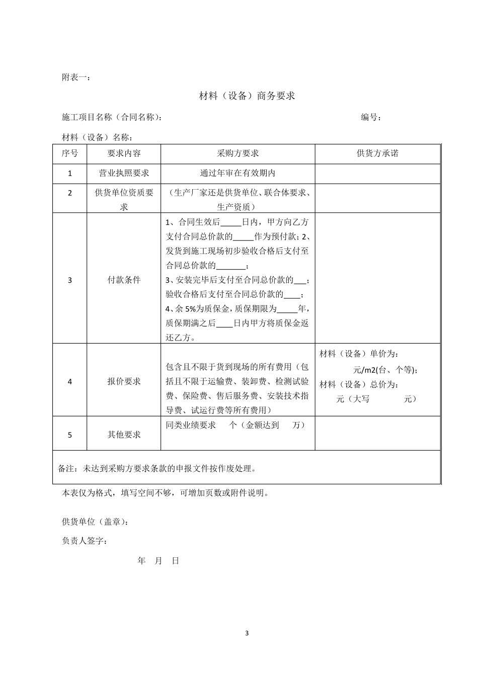
* * * 改造工程项目部 (暂估材料、设备价格认定程序) 一、 适用范围: **公司项目管理的各项目承包合同中以暂估材料、设备单价形式出现的,拟以认定单价方式进行认价的材料和设备。 本程序作为***项目工程造价过程管理办法的一部分,自正式下发日起执行。 二、 认价程序: (一) 总承包单位按照施工进度要求,提出需认价材料的采购需求计划报远东项目管理单位。 (二) 项目管理单位确认采购材料、设备的技术标准、工程量清单及其他技术要求。(按附表一、附表二、附表三格式内容)(责任人:项目管理单位工程组) (三) 选择供货单位进行第一次报价和承诺(格式见附表一 ~附表三): 由建设单位、项目管理单位、监理单位、总承包单位共同推荐不少于 3 家供货单位,按照项目管理单位经营组正式下发的、统一格式的询价文件进行报价。 (四) 组建由建设单位(1 人)、项目管理单位(2 人)、监理单位(1 人)、总承包单位代表(1 人)组成的考察评审小组。 (五) 实地考察:由考察评审小组对推荐的供货单位进行实地考察,最终确定不少于 3家的潜在供货单位,并出具考察报告(格式见附表四)。 (六) 综合评审: 1. 由项目管理单位组织考察评审组人员对潜在供货单位第一次报价文件进行综合评审,做出综合评审意见及认价单(详见附表五); 2. 或由项目管理单位组织竞争性谈判,由供货单位出具第二次报价,经评审后,由供货单位按(附表六)格式填 报最终报价。 (七 )项目管理单位按综合评审结 果 下发暂估材料、设备的认价单(详见附表七 ),并由总承包单位进行签 字 确认。 三、 总包单位采购要求 1、 确定的材料(或设备)供货单位为生 产 厂 家的,总承包单位必 须 按认价单与 其签 订 采购合同并遵 照执行; 2 2、 确定的材料(或设备)供货单位为代理商或经销商的,总承包单位必须按认价单在优先选择经确定的代理商或经销商的基础上进行采购。 四、 资料归档:认价项目涉及以下资料,在认价工作完成后,由项目管理单位整理后分别存档。 1、 附表一:材料(设备)商务要求 2、 附表二:材料(设备)技术要求 3、 附表三:材料(设备)采购清单及报价单 4、 附表四: 考察报告 5、 附表五:综合评审表 6、 附表六:材料(设备)报价单(第二次) 7、 附表七:暂估材料(设备)认价单 2013 年*月*日 3 附表一: 材料(设备)商务要求 施工项目名称(...

1、当您付费下载文档后,您只拥有了使用权限,并不意味着购买了版权,文档只能用于自身使用,不得用于其他商业用途(如 [转卖]进行直接盈利或[编辑后售卖]进行间接盈利)。
2、本站所有内容均由合作方或网友上传,本站不对文档的完整性、权威性及其观点立场正确性做任何保证或承诺!文档内容仅供研究参考,付费前请自行鉴别。
3、如文档内容存在违规,或者侵犯商业秘密、侵犯著作权等,请点击“违规举报”。

碎片内容

暂估材料、设备价格认定程序

您可能关注的文档

确认删除?
VIP
微信客服
  • 扫码咨询
会员Q群
  • 会员专属群点击这里加入QQ群
客服邮箱
回到顶部