电脑桌面
添加小米粒文库到电脑桌面
安装后可以在桌面快捷访问

梁钢筋计算规则

梁钢筋计算规则_第1页
1/8
梁钢筋计算规则_第2页
2/8
梁钢筋计算规则_第3页
3/8
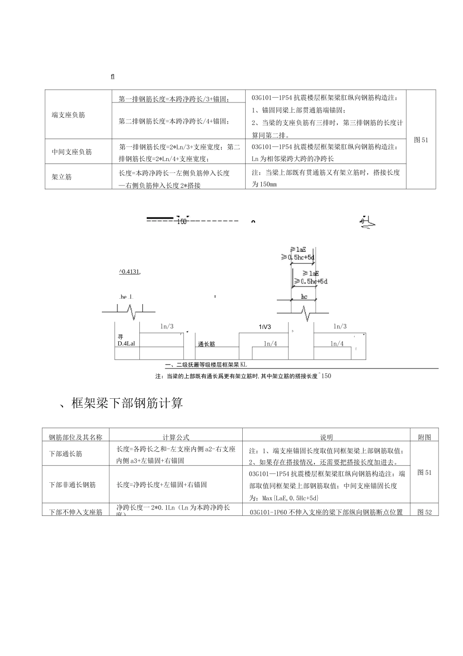
梁钢筋计算规则》=LaE>=0.5hc+5d>=LBE>-0.5hc+5d纵筋在端支座直锚构梁钢筋计算规则、框架梁上部钢筋计算钢筋部位及其名称计算公式说明附图上部通长筋长度=各跨长之和 L-左支座内侧 a2—右支座内侧 a3+左锚固+右锚固03G101—1P54 抗震楼层框架梁 KL 纵向钢筋构造GB50010-2002P186 图 10.4.1 梁上部纵向钢筋在框架梁中间层端节点内的锚固注:如果存在搭接情况,还需要把搭接长度加进去图 49左、右支座锚固长度的取值判断:当 he—保护层(直锚长度)〉LaE 时,取 Max(LaE,0.5hc+5d)当 he—保护层(直锚长度)WLaE 时,必须弯锚,算法:min(hc—保护层,0.4LaE)+15d笫 10.4.1 条框架梁上部纵向钢筋伸入中间层端节点的锚固长度,当采用直线锚固形式吋,不应小于匚且伸过性中心线不宜小于 5 乩 d 为梁上部纵向钢筋的直径。当性截面尺勺不足时,梁上部纵向钢筋应伸至节点对边并向下弯折,其包含弯弧段在内的木平投影长度不应小于 D.41 誉包含弯弧段在内的竖直投影长度应取为(图 10 一 4.1L 打为本规范第 93.1 条规定的受拉钢:筋锚固长度 a■d.钢筋部位及其名称计算公式说明附图flpsps^0.4131,.he 丄L端支座负筋第一排钢筋长度=本跨净跨长/3+锚固;03G101—1P54 抗震楼层框架梁肛纵向钢筋构造注:1、锚固同梁上部贯通筋端锚固;2、当梁的支座负筋有三排时,第三排钢筋的长度计算同第二排。图 51第二排钢筋长度=本跨净跨长/4+锚固;中间支座负筋第一排钢筋长度=2*Ln/3+支座宽度;第二排钢筋长度=2*Ln/4+支座宽度;03G101—1P54 抗震楼层框架梁肛纵向钢筋构造注:Ln 为相邻梁跨大跨的净跨长架立筋长度=本跨净跨长一左侧负筋伸入长度—右侧负筋伸入长度 2*搭接注:当梁上部既有贯通筋又有架立筋时,搭接长度为 150mmln/31IV3■r卜ln/3寻D.4LalI1通长筋ln/4ln/4■f「一、二级抚叢等级楼层框架杲 KL注:当梁的上部既有通长爲更有架立筋时,其中架立筋的搭接长度^150、框架梁下部钢筋计算钢筋部位及其名称计算公式说明附图下部通长筋长度=各跨长之和-左支座内侧 a2-右支座内侧 a3+左锚固+右锚固注:1、端支座锚固长度取值同框架梁上部钢筋取值;2、如果存在搭接情况,还需要把搭接长度加进去。图 51下部非通长钢筋长度=净跨长度+左锚固+右锚固03G101—1P54 抗震楼层框架梁肛纵向钢筋构造注:端部取值同框架梁上部钢筋取值;中间支座锚固长度为:Max{LaE,0.5Hc+5d}下部不伸入支座筋净跨长度一 2*0.1Ln(Ln 为本跨...

1、当您付费下载文档后,您只拥有了使用权限,并不意味着购买了版权,文档只能用于自身使用,不得用于其他商业用途(如 [转卖]进行直接盈利或[编辑后售卖]进行间接盈利)。
2、本站所有内容均由合作方或网友上传,本站不对文档的完整性、权威性及其观点立场正确性做任何保证或承诺!文档内容仅供研究参考,付费前请自行鉴别。
3、如文档内容存在违规,或者侵犯商业秘密、侵犯著作权等,请点击“违规举报”。

碎片内容

梁钢筋计算规则

wxg+ 关注
实名认证
内容提供者

该用户很懒,什么也没介绍

相关文档

确认删除?
VIP
微信客服
  • 扫码咨询
会员Q群
  • 会员专属群点击这里加入QQ群
客服邮箱
回到顶部